Evaporator Core: Service and Repair
EVAPORATOR CORERemoval and Installation
NOTE:
- If an evaporator core leak is suspected, the evaporator core must be leak tested before it is removed from the vehicle.
- Installation of a new receiver/drier is not required when repairing the air conditioning system except when there is physical evidence of system contamination from a failed A/C compressor or damage to the receiver/drier.
1. Remove the air inlet duct.
2. Remove the heater core.
3. Remove the 8 upper evaporator core cover screws.
4. Disconnect the blower motor speed control (if equipped) or blower motor resistor (if equipped) electrical connector and detach the wire harness from the evaporator core cover.
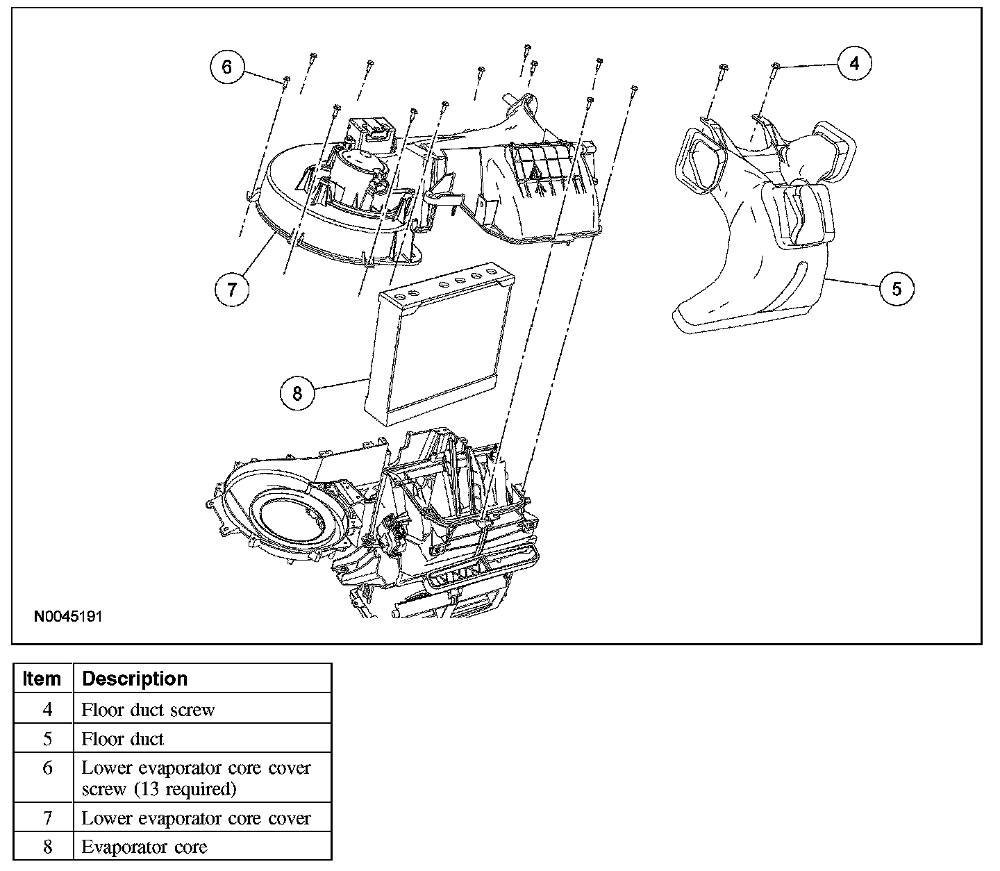
5. Remove the 2 floor duct screws and the floor duct.
6. Remove the 13 lower evaporator core cover screws.
7. Remove the evaporator core cover.
8. Remove the evaporator core.
9. To install, reverse the removal procedure.
- Lubricate the refrigerant system with the correct amount of clean PAG oil.