Operation CHARM: Car repair manuals for everyone.
Manuals through 2025 now available!

Our trusted friends have launched a new website named LEMON, which has newer manuals. It also contains all the CHARM manuals.

LEMON is the spiritual successor to CHARM, I recommend you try it!

Link: lemon-manuals.la or lemon-manuals.org.ua

(Some people have issue connecting. LEMON is investigating. For now, use Firefox or change your DNS server)

Or, hide this message: temporarily or permanently

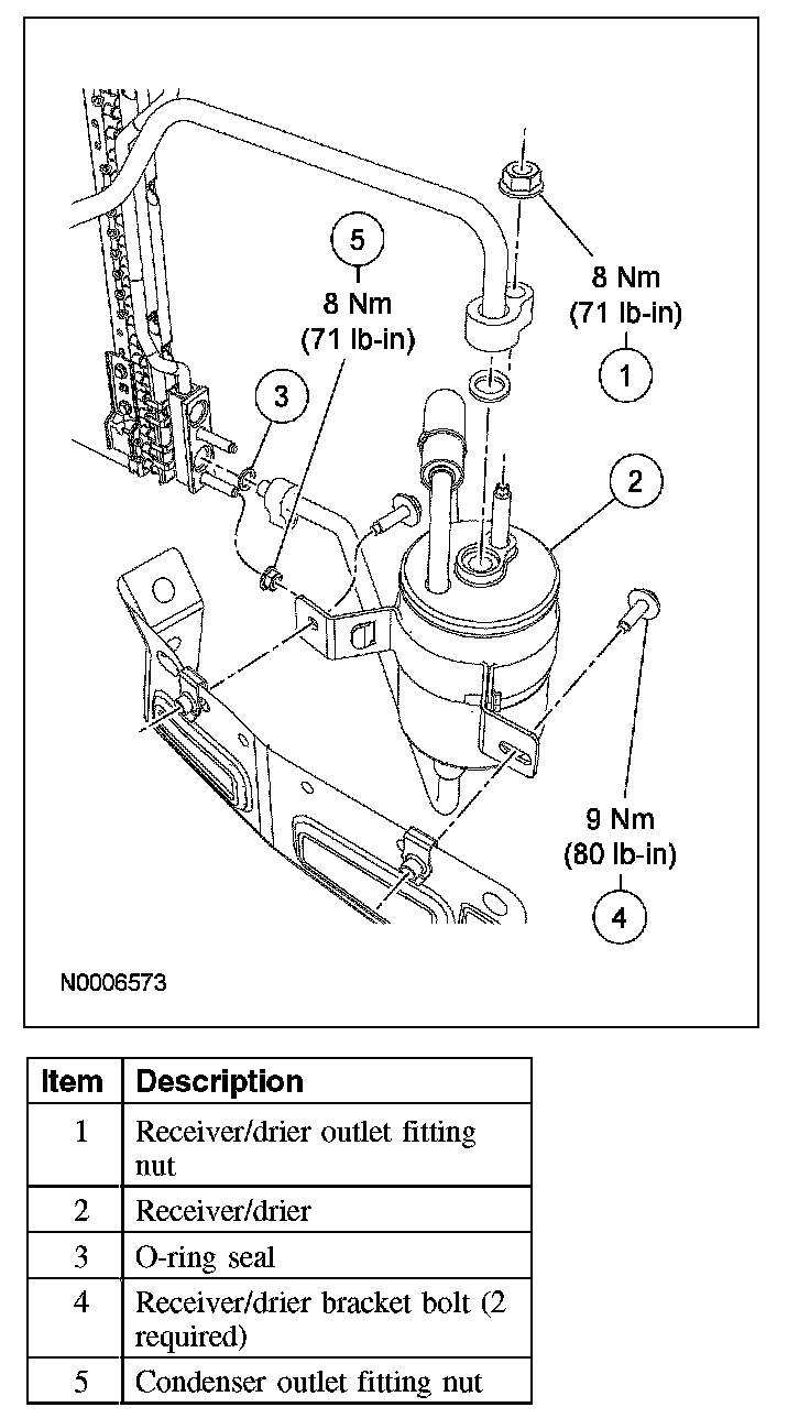
Receiver Dryer: Service and Repair

RECEIVER DRIER







Removal and Installation

NOTE: Installation of a new receiver/drier is not required when repairing the air conditioning system except when there is physical evidence of system contamination from a failed A/C compressor or damage to the receiver/drier.

1. Recover the refrigerant.
2. With the vehicle in NEUTRAL, position it on a hoist.
3. Remove the 2 receiver/drier bracket bolts.
- To install, tighten to 9 Nm (80 lb-in).

4. Remove the condenser outlet fitting nut and disconnect the fitting.
- Discard the O-ring seal.
- To install, tighten to 8 Nm (71 lb-in).

5. Remove the receiver/drier outlet fitting nut and disconnect the fitting.
- Discard the O-ring seal.
- To install, tighten to 8 Nm (71 lb-in).

6. Remove the receiver/drier.
7. To install, reverse the removal procedure.
- Install new O-ring seals.
- Lubricate the refrigerant system with the correct amount of clean PAG oil.

8. Evacuate, leak test and charge the refrigerant system.