Operation CHARM: Car repair manuals for everyone.
Manuals through 2025 now available!

Our trusted friends have launched a new website named LEMON, which has newer manuals. It also contains all the CHARM manuals.

LEMON is the spiritual successor to CHARM, I recommend you try it!

Link: lemon-manuals.la or lemon-manuals.org.ua

(Some people have issue connecting. LEMON is investigating. For now, use Firefox or change your DNS server)

Or, hide this message: temporarily or permanently

Variable Valve Timing Solenoid: Service and Repair

VARIABLE CAMSHAFT TIMING (VCT) OIL CONTROL SOLENOID


Early Build:






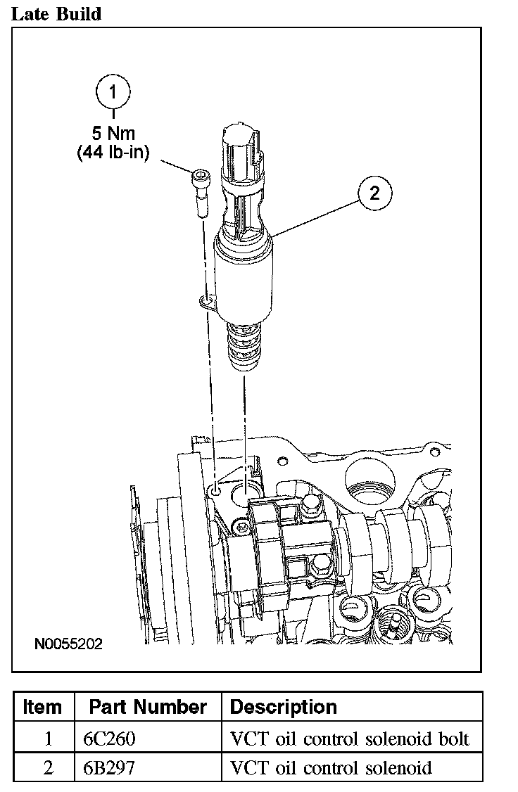
Late Build:






Removal and Installation

All vehicles
1. Disconnect the battery ground cable.

Early build
2. Disconnect the variable camshaft timing (VCT) oil control solenoid electrical connector.
3. Remove the grommet.

Late build
4. Remove the LH or RH valve cover

All vehicles
5. Remove the bolt and the VCT oil control solenoid.
- To install, tighten to 5 Nm (44 lb-in).

6. To install, reverse the removal procedure.