Operation CHARM: Car repair manuals for everyone.
Manuals through 2025 now available!

Our trusted friends have launched a new website named LEMON, which has newer manuals. It also contains all the CHARM manuals.

LEMON is the spiritual successor to CHARM, I recommend you try it!

Link: lemon-manuals.la or lemon-manuals.org.ua

(Some people have issue connecting. LEMON is investigating. For now, use Firefox or change your DNS server)

Or, hide this message: temporarily or permanently

Timing Cover: Service and Repair

Engine Front Cover

Material:














Removal
1. With the vehicle in NEUTRAL, position it on a hoist. For additional information, refer to Maintenance/Service and Repair.
2. Disconnect the battery ground cable. For additional information, refer to Battery.
3. Remove the crankshaft front seal.
4. Drain the cooling system. For additional information, refer to Cooling System.
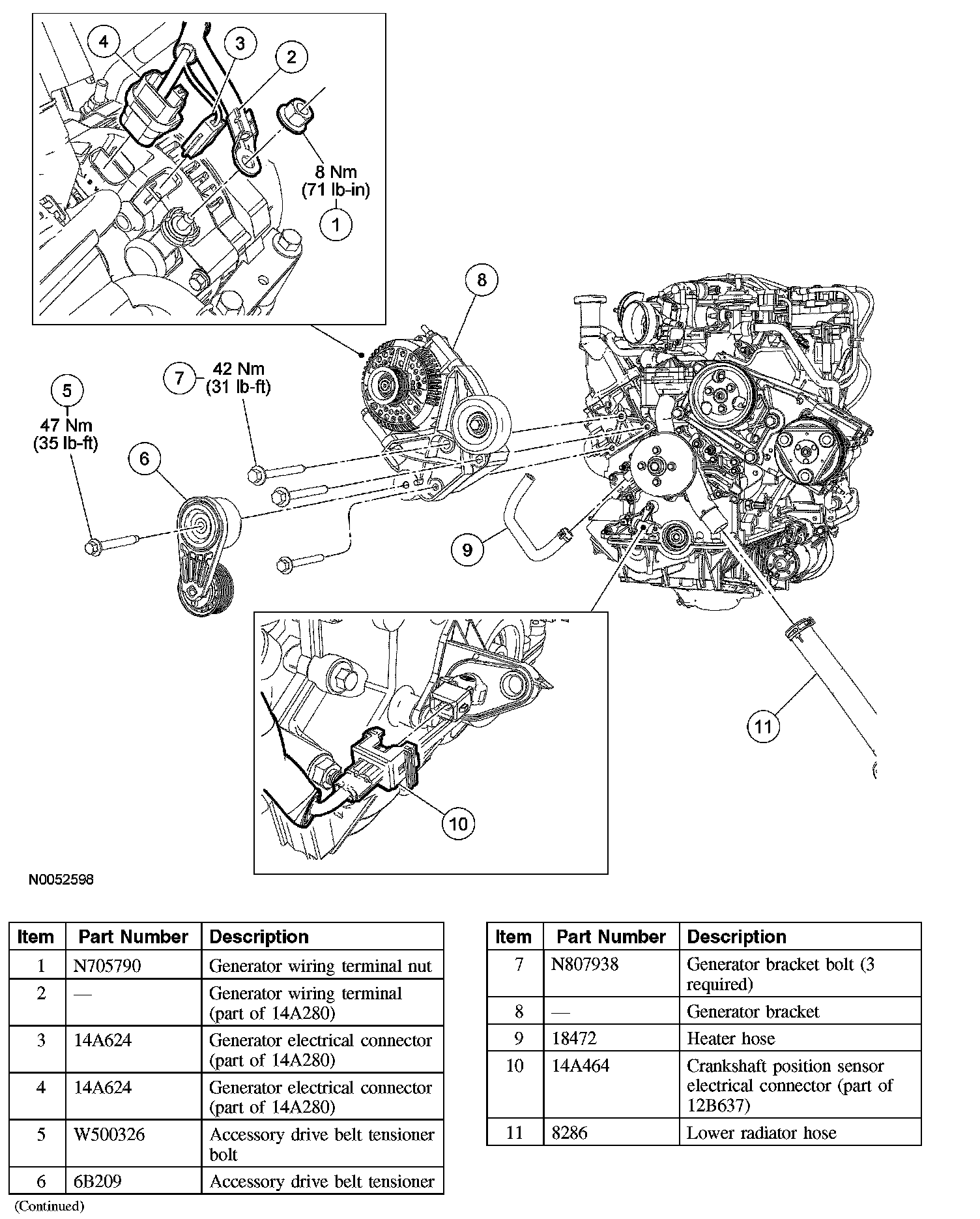
5. Remove the nut and detach the A/C hose bracket from the front cover.





6. Remove the 5 cylinder block cradle-to-front cover bolts.

7. Remove the bolt and the wiring harness bracket.





8. Remove the 4 accessory drive bracket bolts and position the bracket aside.
9. Remove the nut and disconnect the generator wiring terminal.
10. Disconnect the 2 generator electrical connectors and the wiring harness retainer.
11. Remove the bolt and the accessory drive belt tensioner.
12. Remove the bolts and the generator mounting bracket.
13. Disconnect the crankshaft position (CKP) sensor electrical connector.
14. Detach the wiring harness retainer.
15. Detach the wiring harness anchors and position the wiring harness aside.
^ Discard the anchors.
16. Remove the bolt and detach the wiring harness from the LH cylinder head.





17. Position the bypass hose clamp off of the coolant pump outlet.





18. Disconnect the heater hose from the coolant pump.
19. Disconnect the lower radiator hose from the coolant pump.

20. NOTE: Note the positions of the stud bolts for installation reference.

Remove the 5 bolts, the 5 stud bolts, the engine front cover and the gasket.
^ Discard the gasket.

Installation

1. CAUTION: Do not use metal scrapers, wire brushes, power abrasive discs or other abrasive means to clean sealing surfaces. These tools cause scratches and gouges which make leak paths. Use a plastic scraping tool to remove all traces of the old front cover gasket and the silicone sealer.

Clean and inspect the gasket mating surfaces. Use silicone gasket remover and metal surface prep and a plastic scraping tool. Follow the directions on the packaging.
2. Position the front cover gasket.

3. CAUTION: If not secured within 4 minutes, the sealant must be removed and the sealing area cleaned. To clean the sealing area, use silicone gasket remover and metal surface prep. Follow the directions on the packaging. Failure to follow this procedure can cause future oil leakage.

Apply silicone gasket and sealant to the oil pan and engine block mating surfaces.





4. CAUTION: If not secured within 4 minutes, the sealant must be removed and the sealing area cleaned. To clean the sealing area, use silicone gasket remover and metal surface prep. Follow the directions on the packaging. Failure to follow this procedure can cause future oil leakage.

Apply silicone gasket and sealant to the front cover in 2 places.





5. NOTE: Make sure the coolant bypass hose is attached to the coolant pump.

NOTE: Make sure the stud bolts are installed in their original positions.

Position the engine front cover and install the 5 bolts and 5 stud bolts.
^ Tighten to 19 Nm (14 ft. lbs).
6. Install the 5 cylinder block cradle-to-front cover bolts.
^ Tighten bolts without washers to 14 Nm (10 ft. lbs).
7. Attach the wiring harness to the LH cylinder head and install the bolt.
^ Tighten to 10 Nm (89 inch lbs).





8. Position the bypass hose clamp.





9. Connect the lower radiator hose to the coolant pump.
10. Connect the heater hose to the coolant pump.
11. Install new wiring harness anchors and position the CKP sensor wiring.
12. Attach the wiring harness retainer.
13. Connect the CKP sensor electrical connector.
14. Position the LH accessory drive bracket and install the 4 bolts.
^ Tighten to 42 Nm (31 ft. lbs).
15. Position the generator bracket and install the 3 bolts.
^ Tighten to 42 Nm (31 ft. lbs).
16. Position the accessory drive belt tensioner and install the bolt.
^ Tighten to 47 Nm (35 ft. lbs).
17. Connect the generator electrical connectors and the wiring harness retainer.
18. Attach the generator terminal and install the nut.
^ Tighten to 8 Nm (71 inch lbs).
19. Position the A/C tube bracket and install the nut.
^ Tighten to 20 Nm (15 ft. lbs).





20. Drain the engine oil. Install the drain plug when finished.
^ Tighten to 25 Nm (18 ft. lbs).
21. Install the crankshaft front seal.
22. Fill the engine with clean engine oil.
23. Connect the battery ground cable. For additional information, refer to Battery.
24. Fill the engine cooling system.