Operation CHARM: Car repair manuals for everyone.
Manuals through 2025 now available!

Our trusted friends have launched a new website named LEMON, which has newer manuals. It also contains all the CHARM manuals.

LEMON is the spiritual successor to CHARM, I recommend you try it!

Link: lemon-manuals.la or lemon-manuals.org.ua

(Some people have issue connecting. LEMON is investigating. For now, use Firefox or change your DNS server)

Or, hide this message: temporarily or permanently

Part 1



Engine

Assembly










Material (Part 1):




Material (Part 2):




Material (Part 3):























CAUTION: During engine repair procedures, cleanliness is extremely important. Any foreign material (including any material created while cleaning gasket surfaces) that enters the oil passages, coolant passages or the oil pan may cause engine failure.

CAUTION: If the oil pan was removed during engine disassembly, it must be installed after the engine and transaxle are assembled and the transaxle-to-engine bolts are installed. Failure to follow this assembly sequence can result in engine oil leaks.

All vehicles

1. NOTE: This procedure is for selecting bearings using a new crankshaft.





Select the crankshaft main bearings for each crankshaft journal.
1. Read the code on the crankshaft flange.
2. Read the code on the cylinder block rear face.
^ The first 2 numbers after the asterisk make up the code for main No. 1 and the next 2 numbers for main No. 2.
^ The first 2 numbers after the second asterisk make up the code for main No. 3 and the last 2 numbers for main No. 4.





2. Using the chart, choose a bearing for each main. Match the block and crankshaft code with its corresponding column or row, by reading across the "crankshaft" row and down the "block" column.
^ For example: If the block code is *0609*0711* and the crankshaft code is *8580*8082*, main No. 1 should use grade 1 bearings, as determined by the intersection of the 06 block column and the 85 crankshaft row. Mains 2, 3 and 4 should all be grade 2.

3. NOTE: Before assembling the cylinder block, all sealing surfaces must be free of chips, dirt, paint and foreign material. Also, make sure the coolant and oil passages are clear.





Lubricate the upper crankshaft main bearings with clean engine oil and install the 4 crankshaft main bearings in the cylinder block.





4. Lubricate the lower crankshaft main bearings with clean engine oil and install the 4 crankshaft main bearings in the lower cylinder block.





5. Lubricate the crankshaft thrust bearing with clean engine oil and install in the cylinder block.





6. Install the crankshaft key.

7. Apply clean engine oil to the crankshaft main and rod bearing journals.





8. Position the crankshaft in the cylinder block.

9. NOTICE: The lower cylinder block must be installed and the bolts tightened within 4 minutes of applying the sealant.

NOTE: Clean and degrease both surfaces using metal surface prep before applying sealant.





Apply gasket and sealant to the cylinder block as shown.

10. NOTICE: Fasteners No. 5 through 8 are studs. Fasteners No. 18 through 22 are M8 x 1.25 mm x 79.3 mm (0.05 in x 3.12 in) bolts. Fasteners No. 1 through 4, 17 are M8 x 1.25 mm x 96 mm (0.05 in x 3.75 in) bolts. Fasteners 9 through 12 are M10 x 1.5 mm x 106.8 mm (0.06 in x 4.20 in) /M8 x 1.25 mm x 21.5 mm (0.05 in x 0.84 in) studs. Fasteners 13 through 16 are M10 x 1.5 mm x 106.5 mm (0.06 in x 4.17 in) bolts. The bolts and studs must be installed in the correct position or engine damage can result.





Position the lower cylinder block and install the new bolts and new studs.
^ Tighten the bolts and studs in the sequence shown in 4 stages.
^ Stage 1: Tighten fasteners 1 through 8 to 25 Nm (18 lb-ft).
^ Stage 2: Tighten fasteners 9 through 16 to 40 Nm (30 lb-ft).
^ Stage 3: Tighten fasteners 1 through 16 an additional 90 degrees.
^ Stage 4: Tighten fasteners 17 through 22 to 25 Nm (18 lb-ft).





11. Using the Dial Indicator Gauge with Holding Fixture, measure crankshaft end play.
^ Position the crankshaft to the rear of the cylinder block.
^ Zero the Dial Indicator Gauge with Holding Fixture.
^ Move the crankshaft to the front of the cylinder block. Note and record the crankshaft end play.
^ Acceptable crankshaft end play is 0.100-0.255 mm (0.003-0.010 in). If the crankshaft end play exceeds the specified range, install new parts as necessary.





12. Using the Crankshaft Rear Main Oil Seal Installer and the Crankshaft Rear Main Oil Seal Installer Bolts, install the crankshaft rear oil seal.





13. Install the engine-to-transaxle separator plate.





14. Position the flexplate and install the bolts.
^ Tighten to 80 Nm (59 lb-ft).

15. Mount the engine on an engine stand.





16. Using the chart, select the correct piston grade size for the cylinder bores.
^ Measure the cylinder block bore diameter.
^ Mark the outside of the block with the appropriate number(s) to identify bore grade size.
^ Choose the correct piston grade size for the cylinder bore.

17. NOTICE: Be sure not to scratch the cylinder wall or crankshaft journal with the connecting rod. Push the piston down until the connecting rod bearing seats on the crankshaft journal.

NOTE: Lubricate the pistons, piston rings, connecting rod bearings and the entire cylinder bores with clean engine oil.

NOTE: Make sure the piston rings are positioned to specifications for installation. For additional information, refer to Disassembly and Assembly of Subassemblies - Piston in this section.

NOTE: Make sure the piston arrow on top is facing toward the front of the engine.

NOTE: After installation of each piston and connecting rod, rotate the crankshaft to verify smooth operation.





Using the Piston Ring Compressor and the Connecting Rod Installer, install the piston and connecting rod assemblies.

18. NOTICE: The rod cap installation must keep the same orientation as marked during disassembly or engine damage may occur.





Install the connecting rod caps and the new bolts.
^ Tighten the bolts in 2 stages.
^ Stage 1: Tighten to 23 Nm (17 lb-ft).
^ Stage 2: Tighten to 43 Nm (32 lb-ft).

19. Install the crankcase cover, a new gasket and the bolts.
^ Tighten to 10 Nm (89 lb-in).





20. NOTE: LH shown, RH similar.

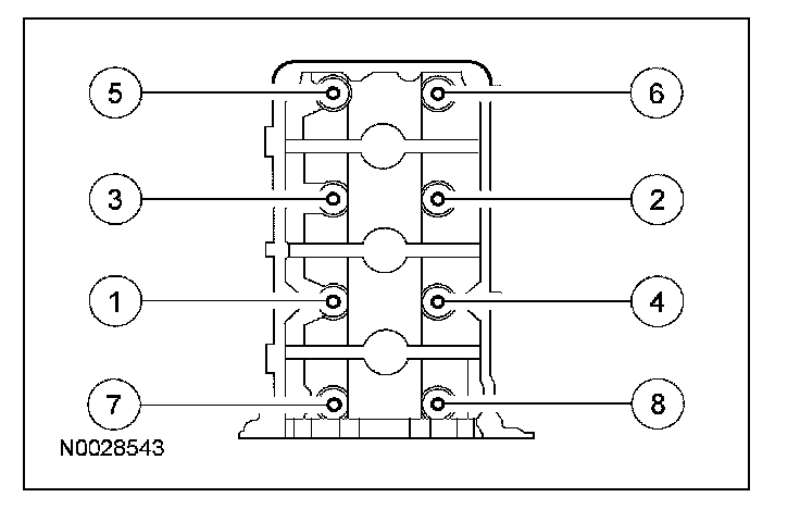
Position the new LH and RH cylinder heads and gaskets. Install new bolts and tighten in the sequence shown in 6 stages.
^ Stage 1: Tighten to 40 Nm (30 lb-ft).
^ Stage 2: Tighten to 90 Nm (66 lb-ft).
^ Stage 3: Loosen one full turn.
^ Stage 4: Tighten to 40 Nm (30 lb-ft).
^ Stage 5: Tighten 90 degrees.
^ Stage 6: Tighten 90 degrees.





21. Install the crankshaft pulley bolt and rotate the crankshaft keyway to the 11 o'clock position to locate top dead center (TDC).





22. CAUTION: The hydraulic lash adjusters must be installed in their original positions. If not reassembled in their original positions, severe engine damage may occur.

Install the hydraulic lash adjusters.
^ Lubricate the hydraulic lash adjusters with clean engine oil.

23. Apply clean engine oil to the LH and RH camshaft roller followers.

24. CAUTION: The camshaft roller followers must be installed in their original positions. If not reassembled in their original positions, severe engine damage may occur.

NOTE: RH shown, LH similar.

Install the LH and RH camshaft roller followers.





25. Apply clean engine oil to the LH and RH camshafts.

26. Install the LH and RH camshafts.
^ Locate the camshafts as shown.





27. CAUTION: Cylinder head camshaft journal caps and cylinder heads are numbered to verify that they are assembled in their original positions. If not reassembled in their original positions, severe engine damage may occur.

CAUTION: Do not install the camshaft journal thrust caps until all of the camshaft bearing caps have been installed, or damage to the thrust caps can occur.

Lubricate the bearing surfaces of the LH camshaft bearing caps with clean engine oil and install the bearing caps.
^ Loosely install the bolts.





28. Lubricate the bearing surfaces of the LH camshaft bearing thrust caps with clean engine oil and install the bearing thrust caps.
^ Loosely install the bolts.





29. Install the bolts.
^ Tighten in the sequence shown to 8 Nm (71 lb-in).





30. CAUTION: Cylinder head camshaft journal caps and cylinder heads are numbered to verify that they are assembled in their original positions. If not reassembled in their original positions, severe engine damage may occur.

CAUTION: Do not install the camshaft journal thrust caps until all of the camshaft bearing caps have been installed, or damage to the thrust caps can occur.

Lubricate the bearing surfaces of the RH camshaft bearing caps with clean engine oil and install the bearing caps.
^ Loosely install the bolts.





31. Lubricate the bearing surfaces of the RH camshaft bearing thrust caps with clean engine oil and install the bearing thrust caps.
^ Loosely install the bolts.





32. Install the bolts.
^ Tighten in the sequence shown to 8 Nm (71 lb-in).





33. NOTE: Clean the sealing surface with metal surface cleaner before installing a new press-in-place gasket.

Install the camshaft oil seal retainer and the 2 bolts.
^ Tighten to 10 Nm (89 lb-in).





34. NOTE: Apply clean engine oil to the seal lip and seal bore before installing the seal.

Using the special tools, install a new camshaft oil seal.





35. Remove the crankshaft pulley bolt.





36. Install the crankshaft sprockets with the timing marks out.





37. NOTE: LH shown, RH similar.

Position the chain tensioner in a soft-jawed vise.





38. NOTE: LH shown, RH similar.

Hold the chain tensioner ratchet lock mechanism away from the ratchet stem with a small pick.





39. CAUTION: During tensioner compression, do not release the ratchet stem until the tensioner piston is fully bottomed in its bore or damage to the ratchet stem will result.

Slowly compress the timing chain tensioner.

40. Retain the tensioner piston with a 1.5 mm (0.06 in) wire or paper clip.





41. If timing marks in the timing chains are not evident, use a permanent-type marker to mark the crankshaft and camshaft timing marks on the LH and RH timing chains.
1. Mark any link to use as the crankshaft timing mark.
2. Starting with the crankshaft timing mark, count 29 links and mark the link.
3. Continue counting to link 42 and mark the link.





42. Position the LH timing chain and guide and install the bolts.
^ Tighten to 25 Nm (18 lb-ft).
^ Align the marks on the timing chain with the marks on the camshaft and crankshaft sprockets.





43. Install the LH timing chain tensioner arm and the LH timing chain tensioner.
1. Install the tensioner arm.
2. Position the tensioner.
3. Install the bolts.
^ Tighten to 25 Nm (18 lb-ft).





44. Install the crankshaft pulley bolt and rotate the crankshaft clockwise 120 degrees until the crankshaft keyway is in the 3 o'clock position.





45. Verify that the RH camshafts are correctly positioned.





46. Install the RH timing chain and chain guide and install the bolts.
^ Tighten to 25 Nm (18 lb-ft).
^ Align the marks on the timing chain with the marks on the camshaft and crankshaft sprockets.





47. Install the RH timing chain tensioner and tensioner arm.
1. Install the tensioner arm.
2. Position the tensioner.
3. Install the bolts.
^ Tighten to 25 Nm (18 lb-ft).





48. Remove the LH and RH timing chain tensioner piston retaining wires.

49. Rotate the crankshaft counterclockwise 120 degrees to TDC.

50. CAUTION: Failure to verify correct timing drive component alignment will result in severe engine damage.

Verify the timing with the following steps.
1. There should be 12 chain links between the camshaft timing marks.
2. There should be 27 chain links between the camshaft and the crankshaft timing marks.
3. There should be 30 chain links between the camshaft and the crankshaft timing marks.