Operation CHARM: Car repair manuals for everyone.
Manuals through 2025 now available!

Our trusted friends have launched a new website named LEMON, which has newer manuals. It also contains all the CHARM manuals.

LEMON is the spiritual successor to CHARM, I recommend you try it!

Link: lemon-manuals.la or lemon-manuals.org.ua

(Some people have issue connecting. LEMON is investigating. For now, use Firefox or change your DNS server)

Or, hide this message: temporarily or permanently

Coolant Line/Hose: Service and Repair

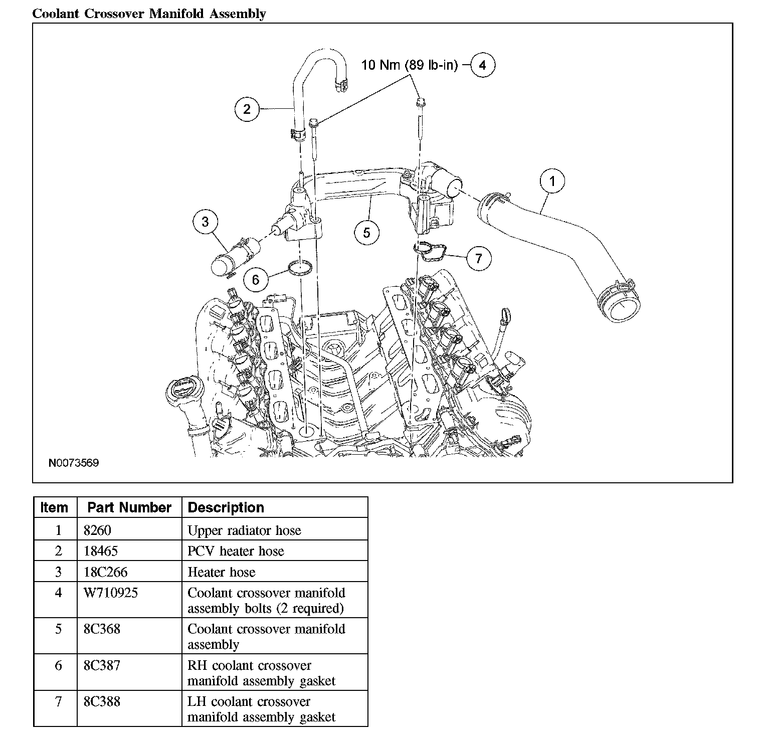
Coolant Crossover Manifold Assembly











Removal and Installation
1. Drain the engine cooling system.
2. Remove the intake manifold.
3. Rotate the accessory drive belt tensioner clockwise and detach the belt from the generator pulley.





4. Disconnect the electrical connector.
5. Loosen the generator nuts.
^ To install, tighten to 25 Nm (18 lb-ft).
6. Remove the generator bracket-to-coolant crossover bolts, and position the generator, bracket and wiring harness aside as an assembly.
^ To install, tighten to 10 Nm (89 lb-in).
7. Disconnect the PCV heater hose from the coolant crossover manifold assembly.
8. Disconnect the heater hose from the coolant crossover manifold assembly.
9. Disconnect the upper radiator hose from the coolant crossover manifold assembly.
10. Remove the bolts, the coolant crossover manifold assembly and the gaskets. Discard the gaskets.
^ To install, tighten to 10 Nm (89 lb-in).
11. To install, reverse the removal procedure.
^ Install new gaskets.