Operation CHARM: Car repair manuals for everyone.
Manuals through 2025 now available!

Our trusted friends have launched a new website named LEMON, which has newer manuals. It also contains all the CHARM manuals.

LEMON is the spiritual successor to CHARM, I recommend you try it!

Link: lemon-manuals.la or lemon-manuals.org.ua

(Some people have issue connecting. LEMON is investigating. For now, use Firefox or change your DNS server)

Or, hide this message: temporarily or permanently

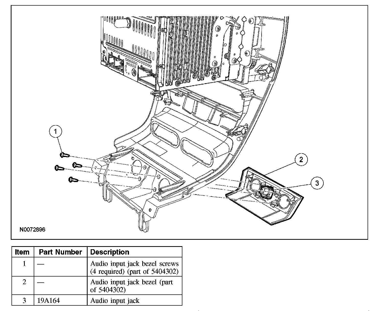
Auxiliary Input / Output Jack: Service and Repair

AUDIO INPUT JACK







Removal and Installation
1. Remove the instrument panel center finish panel.
2. Remove the 4 screws and separate the audio input jack bezel from the instrument panel center finish panel.
3. Release the tabs and remove the audio input jack.







4. To install, reverse the removal procedure.