Operation CHARM: Car repair manuals for everyone.
Manuals through 2025 now available!

Our trusted friends have launched a new website named LEMON, which has newer manuals. It also contains all the CHARM manuals.

LEMON is the spiritual successor to CHARM, I recommend you try it!

Link: lemon-manuals.la or lemon-manuals.org.ua

(Some people have issue connecting. LEMON is investigating. For now, use Firefox or change your DNS server)

Or, hide this message: temporarily or permanently

Part 1

Transaxle Assembly (Steps 1-33)

Special Tool(s)

Special Tool(s) (Part 1):




Special Tool(s) (Part 2):




Special Tool(s) (Part 3):




Special Tool(s) (Part 4):





Material

Material:





Converter Housing with Converter Assembly and Fluid Pump Assembly

Converter Housing with Converter Assembly and Fluid Pump Assembly:





Forward Clutch

Forward Clutch:





Differential Assembly and Final Drive Input

Differential Assembly and Final Drive Input (Part 1):




Differential Assembly and Final Drive Input (Part 2):





Clutches and Planet Gears

Clutches and Planet Gears (Part 1):




Clutches and Planet Gears (Part 2):





Clutches and Band

Clutches and Band (Part 1):




Clutches and Band (Part 2):





Main Control Assembly

Main Control Assembly (Part 1):




Main Control Assembly (Part 2):





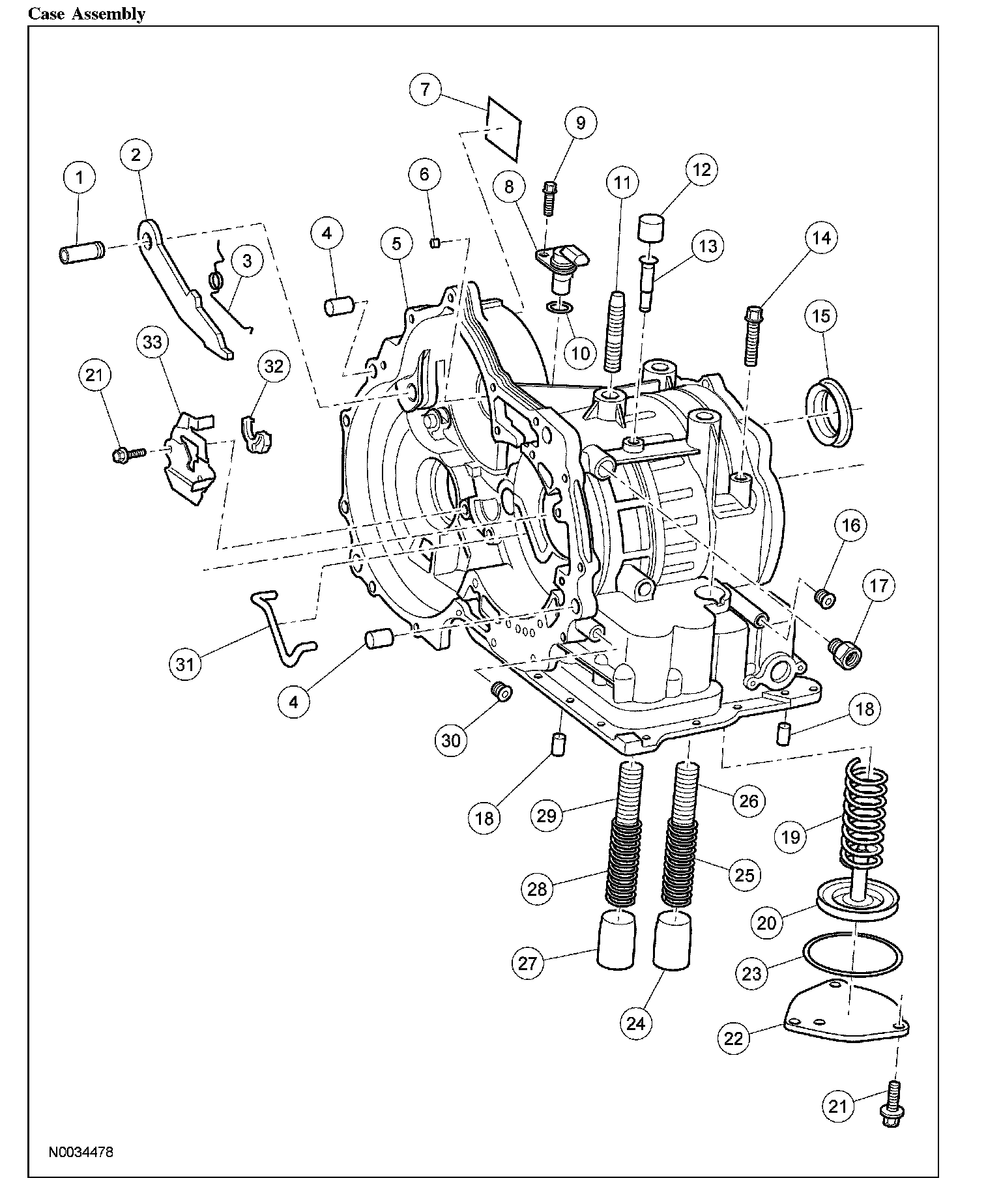
Case Assembly

Case Assembly (Part 1):




Case Assembly (Part 2):





Snap Rings

Snap Rings (Part 1):




Snap Rings (Part 2):





Assembly

1. Using the special tool, install the final drive input gear bearing.
1 Install the final drive input gear bearing.
2 Install the special tool.





2. Using an arbor press and the special tools, seat the final drive input gear bearing.





3. Install a new collapsible spacer.





4. Using the special tool, position the final drive input gear.





5. CAUTION: Hold the final drive input gear while installing the final drive input gear bearing to prevent it from falling out of the transaxle case or damage to the input gear can occur.

Rotate the transaxle 180 degrees.
6. Using the special tools, install the final drive input gear bearing.





7. Rotate the transaxle 180 degrees.
8. Using the special tool, lock the final drive input gear.





9. Rotate the transaxle 180 degrees.

10. NOTE: A high tightening torque specification of 400 Nm (295 ft. lbs.) is necessary to crush the collapsible spacer for correct bearing preload.

NOTE: If the preload is too high, a new collapsible spacer must be installed.

Using the special tools, tighten the nut to achieve the preload specification.





11. Rotate the transaxle 180 degrees.

12. NOTE: Make sure that the final drive rotates.

Unlock the special tool.





13. Rotate the transaxle 180 degrees.

14. CAUTION: Make sure the bearing preload is between 0.4-0.7 Nm (3.5-6.2 inch lbs.) or bearing failure can occur.

NOTE: Rotate the gear 10 times to make sure that the bearings are correctly seated.

Using the special tools, measure the rotating torque.
^ Rotational torque is 0.4 - 0.7 Nm (3.5 - 6.2 inch lbs.).





15. After achieving the correct rotating torque specification, remove the special tools and stake the nut to prevent movement.





16. Rotate the transaxle 180 degrees.
17. Position the transfer shaft gears in the transaxle case.





18. Install the parking pawl return spring.





19. Connect the spring.
1 Install the parking pawl abutment.
2 Install the lever.
3 Install the pin.
4 Connect the spring.





20. Install the parking pawl assembly cover and bolts.
^ Tighten to 13 Nm (10 ft. lbs.).





21. Install the differential case assembly.





22. Position the bearing cups.





23. Install the special tools.





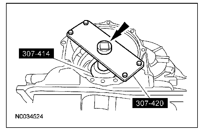
24. CAUTION: Do not use the bolts from special service kit 308-164, they will not work. Use only the bolts from the special service kit 308-161 or damage to the transaxle case threads can occur.

NOTE: The converter housing cover must be installed evenly or an incorrect reading will result.

Using the special tools, assemble the transaxle for end play measurement.
1 Position the converter housing.
2 Install the special tool bolts and seat the case cover flat.
- Tighten to 5 Nm (44 inch lbs.).





25. Remove the converter housing.
1 Remove bolts.
2 Remove the converter housing.





26. Remove the special tools.





27. Remove the bearing cups.





28. NOTE: If the plunger is above the contact surface, the reading will be incorrect.

To determine the correct transfer shaft shim, measure the depth of the plunger on the special tool and select the correct transfer shaft shim.





29. NOTE: If the plunger is above the contact surface, the reading will be incorrect.

To determine the correct differential shaft shim, measure the depth of the plunger on the special tool and select the correct differential shaft shim.





30. Using the special tool, install the correct transfer shaft shim and bearing cup into the converter housing.





31. Using the special tool, install the correct differential shaft shim and differential case bearing cup into the converter housing.





32. Apply a 1 mm (0.04 inch) thick bead of sealer to the case half.





33. Position the converter housing on the transaxle case and install the bolts.
^ Tighten to 22 Nm (16 ft. lbs.).