Operation CHARM: Car repair manuals for everyone.
Manuals through 2025 now available!

Our trusted friends have launched a new website named LEMON, which has newer manuals. It also contains all the CHARM manuals.

LEMON is the spiritual successor to CHARM, I recommend you try it!

Link: lemon-manuals.la or lemon-manuals.org.ua

(Some people have issue connecting. LEMON is investigating. For now, use Firefox or change your DNS server)

Or, hide this message: temporarily or permanently

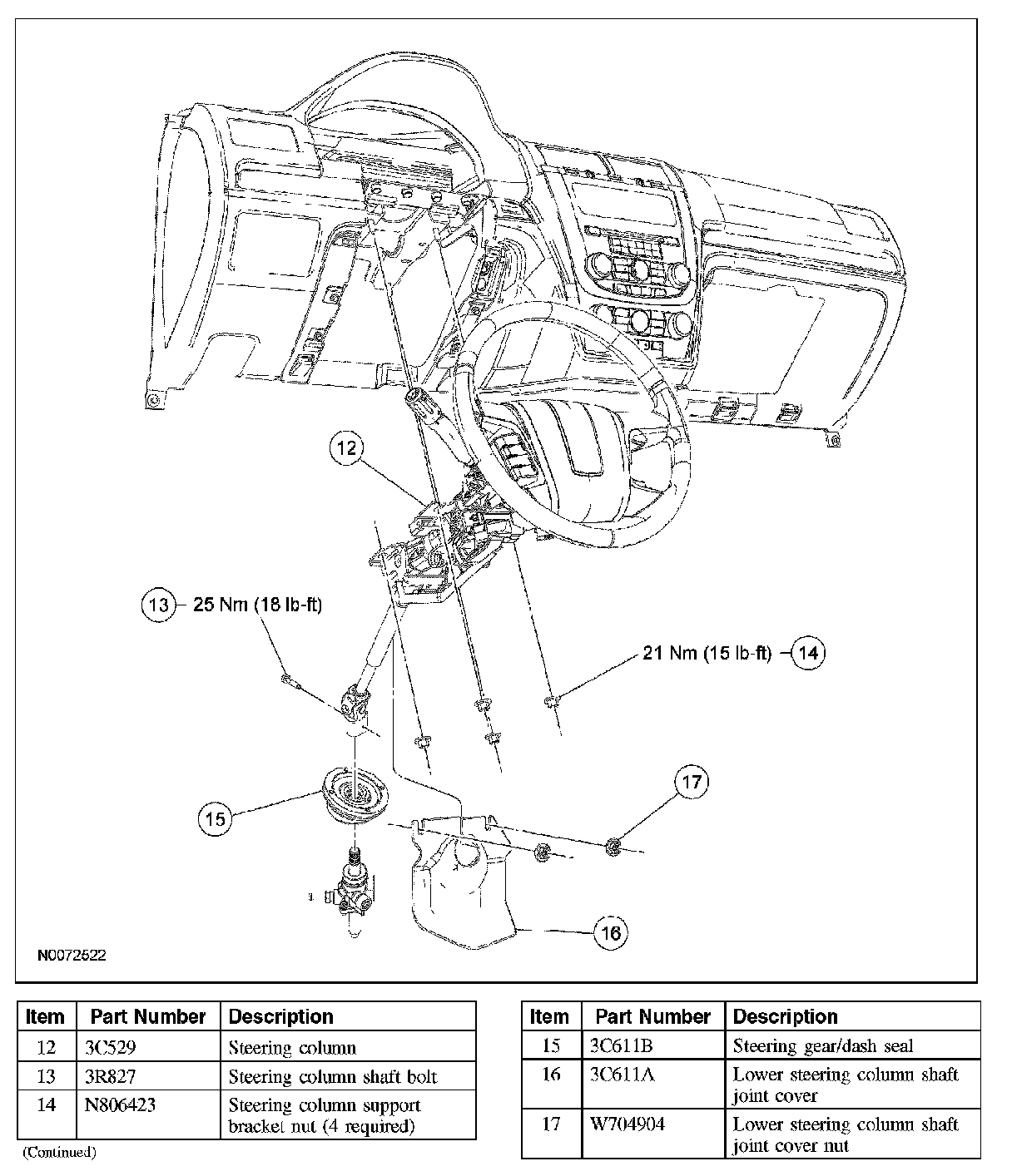
Steering Column

Steering Column

Removal and Installation




















1. Turn the steering wheel to the straight-ahead position and turn the ignition switch to the OFF position.
^ Remove the key.

2. Depower the supplemental restraints system (SRS). For additional information, refer to Air Bag Systems.

3. NOTE: The steering column opening cover is held in by tabs that clip into the instrument panel.

Remove the steering column opening cover by pulling straight outward.
4. Remove the 4 bolts and the steering column opening cover reinforcement.
^ To install, tighten to 3 Nm (27 lb-in).

5. NOTE: Release the upper steering column shroud by pressing inward on the sides and lifting upwards.

Remove the upper steering column shroud.
6. Release the tilt lever, remove the 3 lower steering column shroud screws and the shroud.
7. Disconnect the multi-function switch, ignition switch and clockspring electrical connectors.
8. Disconnect the passive anti-theft system (PATS) electrical connector.
9. Detach the wiring harness retainers and position the wiring harness aside.
10. Remove the 2 lower steering column shaft joint cover bolts and cover.

11. CAUTION: Do not allow the steering column to rotate while the steering column shaft is disconnected, or damage to the clockspring may result. If there is evidence that the steering column has rotated, the clockspring must be removed and recentered. For additional information, refer to Air Bag Systems.

NOTE: Index-mark the steering column shaft position to the steering gear for reference during installation.

Remove the steering column shaft bolt and disconnect the shaft from the steering gear.
^ To install, tighten to 25 Nm (18 lb-ft).





12. Remove the 4 steering column support bracket nuts and the steering column.
^ To install, tighten to 21 Nm (15 lb-ft).

13. To install, reverse the removal procedure.
14. Repower the SRS. For additional information, refer to Air Bag Systems.