Operation CHARM: Car repair manuals for everyone.
Manuals through 2025 now available!

Our trusted friends have launched a new website named LEMON, which has newer manuals. It also contains all the CHARM manuals.

LEMON is the spiritual successor to CHARM, I recommend you try it!

Link: lemon-manuals.la or lemon-manuals.org.ua

(Some people have issue connecting. LEMON is investigating. For now, use Firefox or change your DNS server)

Or, hide this message: temporarily or permanently

Intake Manifold: Specifications

INTAKE MANIFOLD TORQUE & SEQUENCE:

Tighten the bolts in the sequence shown.
Tighten to 25 Nm (18 lb-ft).






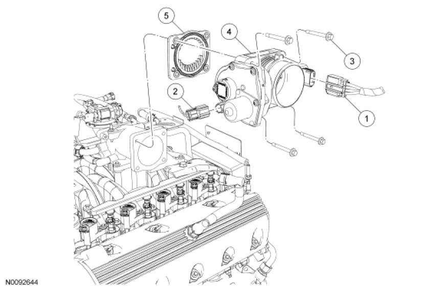
THROTTLE BODY TORQUE & SEQUENCE:










Install a new gasket, the TB and the 4 bolts.
Tighten the bolts in 2 stages.
Stage 1: Tighten to 9 Nm (80 lb-in).
Stage 2: Rotate an additional 90 degrees.