Operation CHARM: Car repair manuals for everyone.
Manuals through 2025 now available!

Our trusted friends have launched a new website named LEMON, which has newer manuals. It also contains all the CHARM manuals.

LEMON is the spiritual successor to CHARM, I recommend you try it!

Link: lemon-manuals.la or lemon-manuals.org.ua

(Some people have issue connecting. LEMON is investigating. For now, use Firefox or change your DNS server)

Or, hide this message: temporarily or permanently

Pinpoint Test C: DTC B1249




Climate Control System

Pinpoint Test C: DTC B1249

Refer to Wiring Diagram Set 55, Automatic Climate Control System for schematic and connector information. Diagrams By Number

Normal Operation

Under normal operation, the temperature blend door actuator motor is supplied voltage or ground on circuit 245 (BN/LG), depending on desired actuator rotation, by the HVAC module. The HVAC module then supplies the appropriate voltage or ground to the other side of the actuator motor on circuit 246 (VT).

The temperature blend door actuator feedback resistor is supplied a ground from the HVAC module by circuit 438 (RD/WH) and a 5-volt reference voltage on circuit 600 (DB). The HVAC module reads the voltage on circuit 437 (YE/LG) to determine the actuator position by the position of the actuator feedback resistor wiper arm.

- DTC B1249 Blend Door Failure - The module senses no change in actuator feedback voltage when the actuator motor has been energized.

This pinpoint test is intended to diagnose the following:
- Wiring, terminals or connectors
- Temperature blend door actuator
- HVAC module
- Stuck or bound linkage or door



PINPOINT TEST C: DTC B1249

-------------------------------------------------
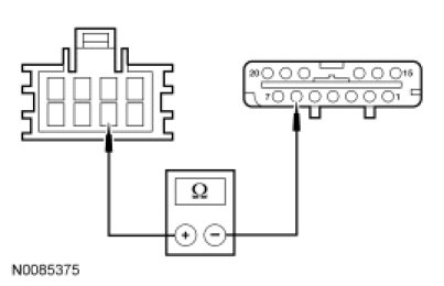
C1 CHECK THE FEEDBACK POTENTIOMETER TOTAL RESISTANCE


- Ignition OFF.
- Disconnect: HVAC Module C228a.
- Disconnect: HVAC Module C228b.
- Measure the resistance between HVAC module C228a-6, circuit 600 (DB), harness side and HVAC module C228b-9, circuit 438 (RD/WH), harness side.




- Is the resistance between 5,000 and 6,000 ohms?

Yes
GO to C2.

No
If the resistance is greater than 6,000 ohms, GO to C4.

If the resistance is less than 5,000 ohms, GO to C5.

-------------------------------------------------
C2 CHECK POTENTIOMETER LOW-SIDE RESISTANCE


- Measure the resistance between HVAC module C228a-18, circuit 437 (YE/LG), harness side and HVAC module C228b-9, circuit 438 (RD/WH), harness side.




- Is the resistance between 250 and 3,000 ohms?

Yes
GO to C3.

No
If the resistance is greater than 3,000 ohms, GO to C6.

If the resistance is less than 250 ohms, GO to C7.

-------------------------------------------------
C3 CHECK POTENTIOMETER HIGH-SIDE RESISTANCE


- Measure the resistance between HVAC module C228a-6, circuit 600 (DB), harness side and HVAC module C228a-18, circuit 437 (YE/LG), harness side.




- Is the resistance between 3,000 and 6,000 ohms?

Yes
GO to C9.

No
If the resistance is greater than 6,000 ohms, INSTALL a new temperature blend door actuator. CLEAR the DTCs. REPEAT the self-test. TEST the system for normal operation. If the resistance is less than 3,000 ohms, GO to C8.

-------------------------------------------------
C4 CHECK CIRCUITS 600 (DB) AND 438 (RD/WH) FOR AN OPEN


NOTE: Due to limited connector accessibility, before carrying out this test step, visually inspect the wiring between the HVAC module and actuator for opens or shorts. If no damage is visually evident, proceed with the test.

- Disconnect: Temperature Blend Door Actuator C289.
- Measure the resistance between HVAC module C228a-6, circuit 600 (DB), harness side and temperature blend door actuator C289-6, circuit 600 (DB), harness side.




- Measure the resistance between HVAC module C228b-9, circuit 438 (RD/WH), harness side and temperature blend door actuator C289-5, circuit 438 (RD/WH), harness side.




- Are the resistances less than 5 ohms?

Yes
INSTALL a new temperature blend door actuator. CLEAR the DTCs. REPEAT the self-test. TEST the system for normal operation.

No
REPAIR the affected circuit for an open. CLEAR the DTCs. REPEAT the self-test. TEST the system for normal operation.

-------------------------------------------------
C5 CHECK CIRCUITS 438 (RD/WH) AND 600 (DB) FOR A SHORT TOGETHER


NOTE: Due to limited connector accessibility, before carrying out this test step, visually inspect the wiring between the HVAC module and actuator for opens or shorts. If no damage is visually evident, proceed with the test.

- Disconnect: Temperature Blend Door Actuator C289.
- Measure the resistance between HVAC module C228b-9, circuit 438 (RD/WH), harness side and HVAC module C228a-6, circuit 600 (DB), harness side.




- Is the resistance greater than 10,000 ohms?

Yes
INSTALL a new temperature blend door actuator. CLEAR the DTCs. REPEAT the self-test. TEST the system for normal operation.

No
REPAIR circuits 438 (RD/WH) for a short to circuit 600 (DB). CLEAR the DTCs. REPEAT the self-test. TEST the system for normal operation.

-------------------------------------------------
C6 CHECK CIRCUIT 437 (YE/LG) FOR AN OPEN


NOTE: Due to limited connector accessibility, before carrying out this test step, visually inspect the wiring between the HVAC module and actuator for opens or shorts. If no damage is visually evident, proceed with the test.

- Disconnect: Temperature Blend Door Actuator C289.
- Measure the resistance between HVAC module C228a-18, circuit 437 (YE/LG), harness side and temperature blend door actuator C289-1, circuit 437 (YE/LG), harness side.




- Is the resistance less than 5 ohms?

Yes
INSTALL a new temperature blend door actuator. CLEAR the DTCs. REPEAT the self-test. TEST the system for normal operation.

No
REPAIR circuit 437 (YE/LG) for an open. CLEAR the DTCs. REPEAT the self-test. TEST the system for normal operation.

-------------------------------------------------
C7 CHECK CIRCUITS 438 (RD/WH) AND 437 (YE/LG) FOR A SHORT TOGETHER


NOTE: Due to limited connector accessibility, before carrying out this test step, visually inspect the wiring between the HVAC module and actuator for opens or shorts. If no damage is visually evident, proceed with the test.

- Disconnect: Temperature Blend Door Actuator C289.
- Measure the resistance between HVAC module C228b-9, circuit 438 (RD/WH), harness side and HVAC module C228a-18, circuit 437 (YE/LG), harness side.




- Is the resistance greater than 10,000 ohms?

Yes
INSTALL a new temperature blend door actuator. CLEAR the DTCs. REPEAT the self-test. TEST the system for normal operation.

No
REPAIR circuits 438 (RD/WH) and 437 (YE/LG) for a short together. CLEAR the DTCs. REPEAT the self-test. TEST the system for normal operation.

-------------------------------------------------
C8 CHECK CIRCUIT 437 (YE/LG) FOR A SHORT TO CIRCUIT 436 (RD/LG) OR 600 (DB)


NOTE: Due to limited connector accessibility, before carrying out this test step, visually inspect the wiring between the HVAC module and actuator for opens or shorts. If no damage is visually evident, proceed with the test.

- Disconnect: Temperature Blend Door Actuator C289.
- Measure the resistance between HVAC module C228a-6, circuit 600 (DB), harness side and HVAC module C228a-18, circuit 437 (YE/LG), harness side.




- Is the resistance greater than 10,000 ohms?

Yes
INSTALL a new temperature blend door actuator. CLEAR the DTCs. REPEAT the self-test. TEST the system for normal operation.

No
REPAIR circuits 437 (YE/LG) for a short to circuit 600 (DB). CLEAR the DTCs. REPEAT the self-test. TEST the system for normal operation.

-------------------------------------------------
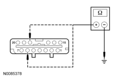
C9 CHECK CIRCUITS 600 (DB) AND 437 (YE/LG) FOR A SHORT TO GROUND


- Measure the resistance between ground and:
- HVAC module C228a-6, circuit 600 (DB), harness side.
- HVAC module C228a-18, circuit 437 (YE/LG), harness side.




- Are the resistances greater than 10,000 ohms?

Yes
GO to C10.

No
REPAIR circuit 600 (DB) or 437 (YE/LG) for a short to ground. CLEAR the DTCs. REPEAT the self-test. TEST the system for normal operation.

-------------------------------------------------
C10 CHECK CIRCUITS 600 (DB), 437 (YE/LG) AND 438 (RD/WH) FOR A SHORT TO VOLTAGE


- Ignition ON.
- Measure the voltage between ground and:
- HVAC module C228a-6, circuit 600 (DB), harness side.
- HVAC module C228a-18, circuit 437 (YE/LG), harness side.
- HVAC module C228b-9, circuit 438 (RD/WH), harness side.




- Is any voltage present?

Yes
REPAIR the affected circuit for a short to voltage. CLEAR the DTCs. REPEAT the self-test. TEST the system for normal operation.

No
INSPECT for a broken door or linkage. If no condition is found, GO to C11.

-------------------------------------------------
C11 CHECK THE BLEND DOOR ACTUATOR OPERATION


NOTE: If a jumper fuse opens while carrying out this test step, repair the circuit(s) for a short.

- Connect a fused jumper wire between HVAC module C228b-13, circuit 245 (BN/LG), harness side and HVAC module C228a-2, circuit 1566 (RD/YE), harness side. Connect a second fused jumper wire between HVAC module C228b-26, circuit 246 (VT), harness side and HVAC module C228a-3, circuit 57 (BK), harness side.




- Measure the resistance between HVAC module C228a-18, circuit 437 (YE/LG), harness side and HVAC module C228b-9, circuit 438 (RD/WH), harness side.




- Connect a fused jumper wire between HVAC module C228b-26, circuit 246 (VT), harness side and HVAC module C228a-2, circuit 1566 (RD/YE), harness side. Connect a second fused jumper wire between HVAC module C228b-13, circuit 245 (BN/LG), harness side and HVAC module C228a-3, circuit 57 (BK), harness side.




- Connect a fused jumper wire between HVAC module C228b-13, circuit 245 (BN/LG), harness side and HVAC module C228a-2, circuit 1566 (RD/YE), harness side. Connect a second fused jumper wire between HVAC module C228b-26, circuit 246 (VT), harness side and HVAC module C228a-3, circuit 57 (BK), harness side.




- Does the resistance increase and decrease when the jumpers are connected?

Yes
INSPECT for binding or broken door and linkage. If no condition is found, GO to C14.

No
GO to C12.

-------------------------------------------------
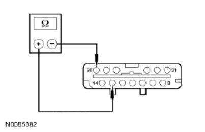
C12 CHECK THE ACTUATOR MOTOR DRIVE CIRCUITS


- Ignition OFF.
- Measure the resistance between HVAC module C228b-13, circuit 245 (BN/LG), harness side and HVAC module C228b-26, circuit 246 (VT), harness side.




- Is the resistance approximately 20-80 ohms?

Yes
INSPECT for binding or broken door and linkage. If no condition is found, INSTALL a new door actuator. CLEAR the DTCs. REPEAT the self-test. TEST the system for normal operation.

No
GO to C13.

-------------------------------------------------
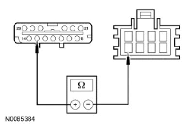
C13 CHECK CIRCUITS 246 (VT) AND 245 (BN/LG) FOR AN OPEN


- Disconnect: Temperature Blend Door Actuator C289.
- Measure the resistance between HVAC module C228b-26, circuit 246 (VT), harness side and temperature blend door actuator C289-7, circuit 246 (VT), harness side.




- Measure the resistance between HVAC module C228b-13, circuit 245 (BN/LG), harness side and temperature blend door actuator C289-8, circuit 245 (BN/LG), harness side.




- Are the resistances less than 5 ohms?

Yes
INSTALL a new temperature blend door actuator. CLEAR the DTCs. REPEAT the self-test. TEST the system for normal operation.

No
REPAIR the affected circuit for an open. CLEAR the DTCs. REPEAT the self-test. TEST the system for normal operation.

-------------------------------------------------
C14 CHECK MODULE CONNECTION


- Carry out the HVAC Module Cold Boot Process. HVAC Module Cold Boot Process
- Carry out the HVAC Module On-Demand Self Test. HVAC Module Self-Test
- Operate the system.
- Does the concern return?

Yes
INSTALL a new HVAC module. TEST the system for normal operation.

No
The system is operating correctly at this time. The concern may have been caused by a loose or corroded connector. CLEAR the DTCs. REPEAT the self-test. TEST the system for normal operation.

-------------------------------------------------