Operation CHARM: Car repair manuals for everyone.
Manuals through 2025 now available!

Our trusted friends have launched a new website named LEMON, which has newer manuals. It also contains all the CHARM manuals.

LEMON is the spiritual successor to CHARM, I recommend you try it!

Link: lemon-manuals.la or lemon-manuals.org.ua

(Some people have issue connecting. LEMON is investigating. For now, use Firefox or change your DNS server)

Or, hide this message: temporarily or permanently

Disassembly




4R70E/4R75E

Transmission









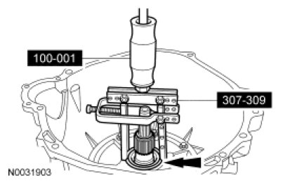
1. Using the Torque Converter Handles, remove the torque converter.





2. Using the Transmission Holding Fixture, mount the transmission to the bench.





3. NOTE: If the transmission fluid pan gasket is not damaged, it may be reused.

Remove the bolts, transmission fluid pan and transmission fluid pan gasket.





4. Clean the transmission fluid pan and pan magnet.





5. NOTICE: If installing a new transmission fluid filter and the grommet remains in the main control bore, carefully use a small screwdriver to remove the grommet. Use care not to damage the main control bore.

NOTE: If transmission is being repaired for a contamination-related failure, use a new transmission fluid filter and seal. The transmission fluid filter may be reused if no excessive contamination is present.

Remove the transmission fluid filter and grommet.





6. Disconnect the transmission internal harness from the solenoids.

1. Disconnect Shift Solenoid A (SSA) and Shift Solenoid B (SSB).

2. Disconnect the Torque Converter Clutch (TCC).

3. Disconnect the Electronic Pressure Control (EPC) solenoid.

4. Disconnect the transmission bulkhead connector.

5. Disconnect the Transmission Fluid Temperature (TFT)





7. Remove the Output Shaft Speed (OSS) sensor and the Turbine Shaft Speed (TSS) sensor.

1. Remove the OSS sensor bolt.

2. Remove the OSS sensor.

3. Remove the TSS sensor bolt.

4. Remove the TSS sensor.





8. Remove the Transmission Range (TR) sensor.

1. Remove the bolts.

2. Remove the TR sensor.





9. Remove the manual control valve detent lever spring.
- Remove the bolt.





10. Remove the bolt and the EPC solenoid bracket.





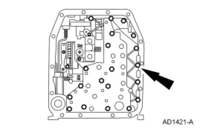
11. Remove the 23 main control valve body bolts and the main control valve body.





12. Remove and discard the pump outlet screen.





13. NOTE: Use a shop cloth to protect the transmission case surface.

Remove the manual control lever shaft retaining pin.





14. Remove the manual control lever shaft inner nut.
- Slide the manual control lever shaft out of the case while removing the inner nut.





15. Remove the manual control lever valve detent lever and the parking lever actuating rod assembly.





16. NOTICE: Use care not to damage the manual control lever shaft bore. If the bore is damaged, the new seal may leak.

Remove the manual control lever shaft seal.





17. Remove the EPC solenoid.





18. Remove the 2-3 accumulator spring retainer.





19. Remove the 2-3 accumulator piston.

1. Remove the 2-3 accumulator spring.

2. Remove the 2-3 accumulator piston.





20. NOTE: If Servo Piston Remover/Installer is not available, extreme care must be taken. Spring pressure will force overdrive servo piston assembly out of case. Case bore damage may result from trying to pry on internal retaining ring.

Using the Servo Piston Remover/Installer, remove the reverse band servo retaining ring.





21. Remove the reverse servo assembly.

1. Remove the reverse band servo cover.

2. Remove the reverse band servo piston and rod.

3. Remove the reverse band servo spring.





22. Using the Servo Piston Remover/Installer, compress the piston spring, then remove the Overdrive (O/D) servo piston retainer.





23. Remove the O/D servo piston.

1. Remove the O/D servo piston.

2. Remove the O/D servo piston return spring.





24. Compress the 1-2 accumulator cover and remove the retaining ring.





25. Remove the 1-2 accumulator upper spring.

1. Remove the 1-2 accumulator spring cover.

2. Remove the inner and outer lower 1-2 accumulator spring.

3. Remove the 1-2 accumulator.

4. Remove the 1-2 accumulator upper spring.





26. Using the Transmission Fluid Seal Remover and Slide Hammer, remove the extension housing seal.





27. NOTE: These bolts have been coated with a sealant. High break torque may be required to remove these bolts.

Remove the extension housing.

1. Remove the 4 bolts and 2 nuts.

2. Remove the extension housing and the extension housing gasket.





28. Remove the parking pawl.

1. Remove the parking pawl shaft.

2. Remove the parking pawl return spring.

3. Remove the parking pawl.





29. Rotate the transmission to the vertical position with the output shaft toward the floor.

30. NOTICE: Extreme care must be taken during transmission internal harness connector removal. Do not use a hammer on the connector body or damage may occur to the connector.

Place a screwdriver on the flat portion of the transmission internal harness connector and push the transmission internal harness connector out through the bottom of the case.





31. Using the Torque Converter Fluid Seal Remover and Slide Hammer, remove the front pump seal.





32. NOTE: These bolts have been coated with sealant. High break torque may be required to remove the bolts.

Remove the front pump support bolts.





33. Using the Transmission Fluid Pump Remover and Slide Hammer, remove the front pump support.





34. Remove and discard the front pump support gasket.

35. NOTE: For assembly, note the location of the check ball and the intermediate clutch piston return spring pack indent during disassembly.

Remove the intermediate clutch piston return spring pack.





36. Remove the intermediate clutch anti-rattle clip, if equipped.





37. NOTICE: Remove the assembly carefully to prevent damage to the overdrive band friction material by the reverse clutch drive lugs.

Remove the following components as an assembly:

- Intermediate clutch pack

- Intermediate One-Way Clutch (OWC)

- Reverse clutch

- Forward clutch assembly





38. Disengage and remove the O/D band.





39. Remove the forward clutch hub and the No. 3 forward clutch hub front bearing.





40. Remove the intermediate stub shaft.





41. Align the reverse sun shell with the O/D band anchor pin for removal.





42. Remove the following components as an assembly:
- Forward clutch sun gear

- No. 5 forward clutch sun gear bearing

- Reverse clutch sun gear

- No. 4 forward clutch hub bearing





43. Remove the center support retaining ring and note location for assembly.





44. Remove the case-to-center support spring.





45. Remove the planetary center support and planetary as an assembly.





46. Remove the reverse clutch band.





47. Remove the retaining ring.





48. Remove the direct clutch pack.





49. Remove the No. 8 bearing.





50. Remove the output shaft and output shaft ring gear assembly.





51. Remove the No. 9 case rear bearing.





52. Inspect and, if necessary, use the Bearing Cup Remover and Slide Hammer to remove the rear case bushing.