Operation CHARM: Car repair manuals for everyone.
Manuals through 2025 now available!

Our trusted friends have launched a new website named LEMON, which has newer manuals. It also contains all the CHARM manuals.

LEMON is the spiritual successor to CHARM, I recommend you try it!

Link: lemon-manuals.la or lemon-manuals.org.ua

(Some people have issue connecting. LEMON is investigating. For now, use Firefox or change your DNS server)

Or, hide this message: temporarily or permanently

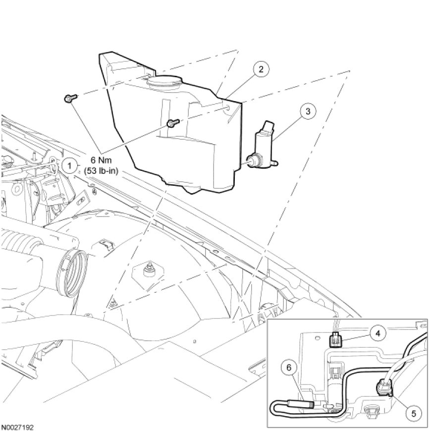
Windshield Washer Pump: Service and Repair




Washer Pump and Reservoir













Removal and Installation

1. Remove the air cleaner assembly.

2. Remove the 2 bolts and position the windshield washer pump and reservoir aside.
- To install, tighten to 6 Nm (53 lb-in).

3. Disconnect the electrical connectors.

4. WARNING: Carefully read cautionary information on product label. For EMERGENCY MEDICAL INFORMATION seek medical advice. For additional information, consult the product Material Safety Data Sheet (MSDS) if available. Failure to follow these instructions may result in serious personal injury.

NOTE: Windshield washer fluid should be collected in a container after the windshield washer hose is disconnected.
Disconnect the windshield washer hose and remove the windshield washer pump and reservoir.

5. Remove the windshield washer pump from the reservoir.

6. NOTICE: Do not operate the windshield washer pump prior to filling the windshield reservoir. Failure to follow this instruction may result in premature pump failure.

To install, reverse the removal procedure.