Operation CHARM: Car repair manuals for everyone.
Manuals through 2025 now available!

Our trusted friends have launched a new website named LEMON, which has newer manuals. It also contains all the CHARM manuals.

LEMON is the spiritual successor to CHARM, I recommend you try it!

Link: lemon-manuals.la or lemon-manuals.org.ua

(Some people have issue connecting. LEMON is investigating. For now, use Firefox or change your DNS server)

Or, hide this message: temporarily or permanently

Engine Emission Control




Engine Emission Control - 4.6L, 5.4L and 6.8L

NOTE: Do not permanently remove or render inoperative any part of the vehicle emission control system including related hardware. Failure to comply may violate applicable state and federal law.

The engine emission control system consists of the following:

- PCV system
- EGR system (4.6L [2V] only)


EGR System

The EGR system:

- returns a small amount of exhaust gas into the engine for recombustion.
- reduces the overall combustion temperature and provides a significant reduction of Nitrogen Oxides (NOX).

The EGR system module:

- is electronically controlled by the PCM.
- is connected to the exhaust manifold by the EGR system module-to-exhaust manifold tube.
- controls recirculated exhaust gas flow to the intake manifold.
- monitors the flow of recirculated exhaust gases through the EGR valve-to-exhaust manifold tube.
- returns a signal to the PCM.

The amount of recirculated exhaust gas depends on:

- engine rpm.
- intake manifold vacuum.
- exhaust back pressure.
- engine coolant temperature.
- throttle position.


PCV System

The PCV system:

- uses intake manifold vacuum to ventilate blow-by fumes from the crankcase.
- returns the fumes to the intake manifold for combustion.

The PCV valve:

- varies the amount of blow-by gases returned to the intake manifold based on available engine vacuum.


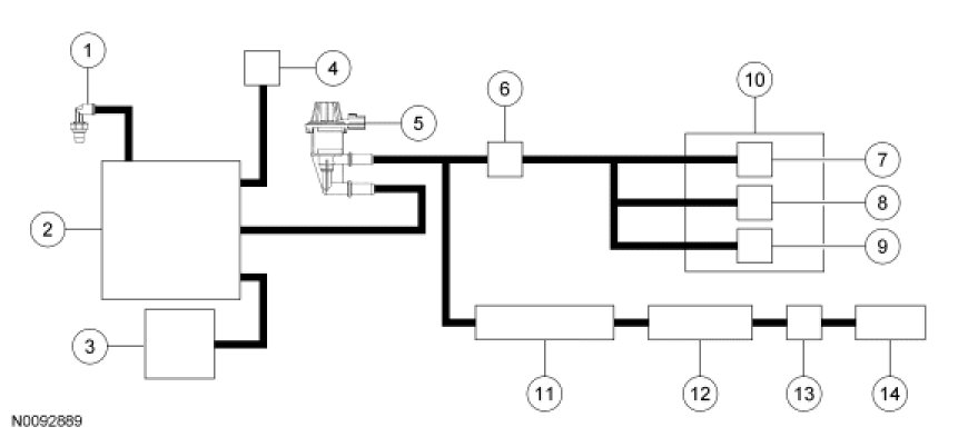
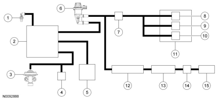
Evaporative Emission (EVAP) Control System Vacuum Routing

4.6L - Midship Fuel Tank










5.4L, 6.8L - Midship Fuel Tank










4.6L - Aft-of-Axle Fuel Tank










5.4L, 6.8L - Aft-of-Axle Fuel Tank