Operation CHARM: Car repair manuals for everyone.
Manuals through 2025 now available!

Our trusted friends have launched a new website named LEMON, which has newer manuals. It also contains all the CHARM manuals.

LEMON is the spiritual successor to CHARM, I recommend you try it!

Link: lemon-manuals.la or lemon-manuals.org.ua

(Some people have issue connecting. LEMON is investigating. For now, use Firefox or change your DNS server)

Or, hide this message: temporarily or permanently

Pinpoint Test A: The Engine Does Not Crank/The Relay Does/Does Not Click




Starting System


Pinpoint Tests


Pinpoint Test A: The Engine Does Not Crank/The Relay Does/Does Not Click

Refer to Wiring Diagram Set 20, Starting System for schematic and connector information. Diagrams By Number

Normal Operation

Under normal operation, the Battery Junction Box (BJB) supplies constant power to the starter motor relay through fuse 13 (30A). When the key is placed in the START position, power is sent to the start diode through circuit CDC35 (BU/WH). Power continues through circuit CE336 (GN/WH) to the PCM and to the starter relay (TorqShift transmission) or the digital Transmission Range (TR) sensor (4R75 transmission). If the TR is in either the PARK or NEUTRAL position, power flows to the starter relay through circuit CET40 (GN/OG).

On vehicles equipped with a TorqShift transmission, the PCM will receive a signal from the transmission that the vehicle is in PARK or NEUTRAL through circuit VET32 (VT).

The PCM then provides ground on circuit CDC12 (YE) to the starter motor relay. The coil of the relay is energized and sends power to the starter motor on circuit CDC25 (BN/GN). The solenoid is grounded at the starter motor. Energizing the starter solenoid will engage the starter drive into the flexplate ring gear and closes the solenoid contacts allowing power directly from the battery through circuit SDC02 (RD) to the starter motor to start the engine.

The PCM will disengage the starter motor based on rpm threshold, a set time has been exceeded or the ignition key has been turned to the OFF position.

This pinpoint test is intended to diagnose the following:
- Battery
- Circuitry
- Fuse(s)
- Ignition switch
- PCM
- Start diode
- Starter motor
- Starter motor relay
- TR sensor



PINPOINT TEST A: THE ENGINE DOES NOT CRANK / THE RELAY DOES/DOES NOT CLICK

-------------------------------------------------
A1 CHECK THE BATTERY


- Check the battery condition and charge. Refer to Battery.
- Is the battery OK?

Yes
GO to A2.

No
CHARGE or INSTALL a new battery as necessary. REFER to Battery. TEST the system for normal operation.

-------------------------------------------------
A2 CHECK THE PCM FOR DTCs


- Check for PCM DTCs.
- Were any PCM DTCs retrieved?

Yes
If PCM DTC P1260 is retrieved, REFER to Antitheft and Alarm Systems. All other PCM DTCs, REFER to Computers and Control Systems Information.

No
GO to A3.

-------------------------------------------------
A3 CHECK THE TR SENSOR PID


- Enter the following diagnostic mode on the scan tool: PCM DataLogger/PID.
- While observing the PCM TR sensor PID, place the vehicle in PARK and NEUTRAL.
- Does the PID match the gear selection?

Yes
GO to A4.

No
GO to Transmission Control Systems. Testing and Inspection

-------------------------------------------------
A4 CHECK THE STARTER MOTOR CONTROL OUTPUT DETECTED (SMC_MON) PID


- Enter the following diagnostic mode on the scan tool: PCM DataLogger/PID.
- Monitor the PCM PID SMC_MON with the ignition switch in the START position.
- Does the PID change from OFF to ON?

Yes
GO to A5.

No
GO to A20.

-------------------------------------------------
A5 CHECK THE BATTERY GROUND CABLE


- Measure the voltage between the positive battery post and the battery ground cable connection at the engine.




- Is the voltage greater than 10 volts?

Yes
GO to A6.

No
INSTALL a new battery ground cable. TEST the system for normal operation.

-------------------------------------------------
A6 CHECK THE STARTER MOTOR GROUND


- Measure the voltage between the positive battery post and the starter motor case.




- Is the voltage greater than 10 volts?

Yes
GO to A7.

No
CLEAN the starter motor mounting flange and make sure the starter motor is correctly mounted. TEST the system for normal operation.

-------------------------------------------------
A7 CHECK THE POWER SUPPLY TO THE STARTER MOTOR


- Measure the voltage between starter motor solenoid terminal C197A-1, circuit 2037 (RD) and ground.




- Is the voltage greater than 10 volts?

Yes
GO to A8.

No
INSTALL a new positive battery cable. TEST the system for normal operation.

-------------------------------------------------
A8 CHECK THE STARTER MOTOR


- Connect one end of a fused jumper wire to starter motor solenoid terminal C197A-1, circuit SDC02 (RD). Momentarily connect the other end of the jumper to starter motor solenoid terminal C197B-1, circuit CDC25 (BN/GN).




- Did the starter motor engage and the engine crank?

Yes
GO to A9.

No
INSTALL a new starter motor. REFER to Starter Motor Service and Repair. TEST the system for normal operation.

-------------------------------------------------
A9 CHECK THE CIRCUIT TO THE STARTER MOTOR


NOTICE: Use the correct probe adapter(s) when making measurements. Failure to use the correct probe adapter(s) may damage the connector.

- Ignition OFF.
- Disconnect: Starter Motor Solenoid C197B-1.
- Disconnect: Starter Motor Relay.
- Measure the resistance between starter motor solenoid terminal C197B-1, circuit CDC25 (BN/GN) and the starter motor relay cavity 5, circuit CDC25 (BN/GN).




- Is the resistance less than 5 ohms?

Yes
GO to A10.

No
REPAIR circuit CDC25 (BN/GN). TEST the system for normal operation.

-------------------------------------------------
A10 CHECK THE BATTERY SUPPLY TO THE STARTER RELAY


NOTICE: Use the correct probe adapter(s) when making measurements. Failure to use the correct probe adapter(s) may damage the connector.

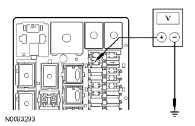
- Measure the voltage at starter motor relay cavity 3 circuit SBB13 (GY/RD).




- Is the voltage reading greater than 10 volts?

Yes
GO to A11.

No
VERIFY the PDB fuse 13 (30A) is OK. If OK, REPAIR circuit SDC02 (RD). If not OK, REFER to the Wiring Diagrams to identify the possible causes of the circuit short.

-------------------------------------------------
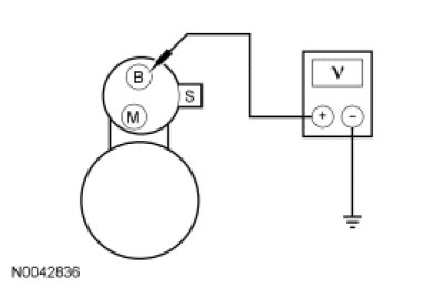
A11 CHECK THE STARTER MOTOR RELAY


- Carry out the Starter Motor Relay Component Test.

- Did the starter motor relay pass the component test?

Yes
Vehicles equipped with a 4R75 transmission, GO to A12. Vehicles equipped with a TorqShift transmission, GO to A16.

No
INSTALL a new starter motor relay. TEST the system for normal operation.

-------------------------------------------------
A12 CHECK CIRCUIT CET40 (GN/OG) FOR VOLTAGE


NOTICE: Use the correct probe adapter(s) when making measurements. Failure to use the correct probe adapter(s) may damage the connector.

- Key in START position.
- Measure the voltage between starter motor relay cavity 1, circuit CET40 (GN/OG) and ground with the ignition switch in the START position.




- Is the voltage greater than 10 volts?

Yes
GO to A20.

No
GO to A13.

-------------------------------------------------
A13 CHECK CIRCUIT CET40 (GN/OG) FOR AN OPEN


NOTICE: Use the correct probe adapter(s) when making measurements. Failure to use the correct probe adapter(s) may damage the connector.

- Disconnect: TR Sensor.
- Measure the resistance between TR sensor C167-10 circuit CET40 (GN/OG) and starter motor relay cavity 1 circuit CET40 (GN/OG).




- Is the resistance less than 5 ohms?

Yes
GO to A14.

No
REPAIR circuit CET 40 (GN/OG). TEST the system for normal operation.

-------------------------------------------------
A14 CHECK CIRCUIT CE336 (GN/WT) FOR VOLTAGE


NOTICE: Use the correct probe adapter(s) when making measurements. Failure to use the correct probe adapter(s) may damage the connector.

- Key in START position.
- Measure the voltage between TR sensor C167-10 circuit CE336 (GN/WH), harness side and ground.




- Is the voltage greater than 10 volts?

Yes
INSTALL a new TR sensor. TEST the system for normal operation.

No
GO to A15.

-------------------------------------------------
A15 CHECK CIRCUIT CE336 (GN/WH) FOR AN OPEN


NOTICE: Use the correct probe adapter(s) when making measurements. Failure to use the correct probe adapter(s) may damage the connector.

- Disconnect: Start Diode.
- Measure the resistance between TR sensor C167-12 circuit CE336 (GN/WH) harness side and start diode cavity 1 circuit CE336 (GN/WH).




- Is the resistance less than 5 ohms?

Yes
GO to A18.

No
REPAIR circuit CE336 (GN/WH). TEST the system for normal operation.

-------------------------------------------------
A16 CHECK CIRCUIT CE336 (GN/WH) FOR VOLTAGE


NOTICE: Use the correct probe adapter(s) when making measurements. Failure to use the correct probe adapter(s) may damage the connector.

- Key in START position.
- Measure the voltage between starter motor relay cavity 1 circuit CE336 (GN/WH) and ground with the key in the START position.




- Is the voltage greater than 10 volts?

Yes
GO to A20.

No
GO to A17.

-------------------------------------------------
A17 CHECK CIRCUIT CE336 (GN/WH) FOR AN OPEN


NOTICE: Use the correct probe adapter(s) when making measurements. Failure to use the correct probe adapter(s) may damage the connector.

- Disconnect: Start Diode.
- Measure the resistance between start motor relay cavity 1 circuit CE336 (GN/WH) and start diode cavity 1 circuit CE336 (GN/WH).




- Is the resistance less than 5 ohms?

Yes
GO to A18.

No
REPAIR circuit CE336 (GN/WH). TEST the system for normal operation.

-------------------------------------------------
A18 CHECK CIRCUIT CDC35 (BU/WH) FOR VOLTAGE


NOTICE: Use the correct probe adapter(s) when making measurements. Failure to use the correct probe adapter(s) may damage the connector.

- Key in START position.
- Measure the voltage between the start diode cavity 2 circuit CDC35 (BU/WH) and ground with the key in the START position.




- Is the reading greater than 10 volts?

Yes
INSTALL a new start diode. CHECK the system for normal operation.

No
GO to A19.

-------------------------------------------------
A19 CHECK THE IGNITION SWITCH


- Carry out the ignition switch component test.

- Did the ignition switch pass the component test?

Yes
REPAIR circuit CDC35 (BU/WH). TEST the system for normal operation.

No
INSTALL a new ignition switch. TEST the system for normal operation.

-------------------------------------------------
A20 CHECK CIRCUIT CDC12 (YE) FOR AN OPEN


NOTICE: Use the correct probe adapter(s) when making measurements. Failure to use the correct probe adapter(s) may damage the connector.

- Disconnect: PCM C175B (4.6L or 5.4L engines) or PCM C1551B (6.8L engines).
- For vehicles equipped with a 4.6L or 5.4L engine, measure the resistance between the starter motor relay cavity 2 circuit CDC12 (YE) and PCM C175B-7, circuit CDC12 (YE).




- For vehicles equipped with a 6.8L engine, measure the resistance between the starter motor relay cavity 2 circuit CDC12 (YE) and PCM C1551B-2, circuit CDC12 (YE).




- Is the resistance reading 5 ohms or less?

Yes
DIAGNOSE the PCM. REFER to Computers and Control Systems Information.

No
REPAIR circuit CDC12 (YE) for an open. TEST the system for normal operation.

-------------------------------------------------