Operation CHARM: Car repair manuals for everyone.
Manuals through 2025 now available!

Our trusted friends have launched a new website named LEMON, which has newer manuals. It also contains all the CHARM manuals.

LEMON is the spiritual successor to CHARM, I recommend you try it!

Link: lemon-manuals.la or lemon-manuals.org.ua

(Some people have issue connecting. LEMON is investigating. For now, use Firefox or change your DNS server)

Or, hide this message: temporarily or permanently

Pinpoint Test A: DTC P0645




Climate Control System


Pinpoint Tests


Pinpoint Test A: DTC P0645

Refer to Wiring Diagram Set 23 for schematic and connector information. Diagrams By Number

Refer to Wiring Diagram Set 24 for schematic and connector information. Diagrams By Number

Refer to Wiring Diagram Set 25 for schematic and connector information. Diagrams By Number

Refer to Wiring Diagram Set 26 for schematic and connector information. Diagrams By Number

Normal Operation

Under normal operation, voltage is provided to the A/C clutch relay coil through circuit CBB77. When A/C is requested, and A/C line pressures allow, a ground is provided to the A/C clutch relay coil from the PCM through circuit CH302 (WH/BN), energizing the A/C clutch relay.

- DTC P0645 - A/C Clutch Relay Control Circuit - The DTC sets when the PCM grounds the relay circuit, excessive current draw is detected on the relay circuit or, with the relay circuit not grounded by the PCM, voltage is not detected on the relay circuit the PCM expects to detect voltage coming through the relay coil to the relay circuit.

This pinpoint test is intended to diagnose the following:
- Wiring, terminals or connectors
- A/C clutch relay
- PCM



PINPOINT TEST A: DTC P0645

-------------------------------------------------
A1 CHECK THE VOLTAGE TO THE A/C CLUTCH RELAY


- Ignition OFF.
- Disconnect: A/C Clutch Relay.
- Ignition ON.
- Measure the voltage between A/C control relay socket, circuit CBB77 (WH) and ground.




- Is the voltage greater than 10 volts?

Yes
CARRY OUT the A/C clutch relay component test.
If the relay tests OK, GO to A2.

No
REPAIR circuit CBB70 (YE/BU) for an open. CLEAR the DTCs. REPEAT the self-test. TEST the system for normal operation.

-------------------------------------------------
A2 CHECK CIRCUIT CH302 (WH/BN) FOR A SHORT TO VOLTAGE


- Ignition OFF.
- Disconnect: For diesel engines, PCM C1381b.
- Disconnect: For 4.6L & 5.4L gasoline engines, PCM C175b.
- Disconnect: For 6.8L gasoline engines, PCM C1551e.
- Ignition ON.

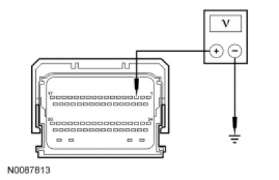
For diesel engines




- For diesel engines: Measure the voltage between ground and PCM C1381b-2, circuit CH302 (WH/BN).

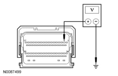
For 4.6L & 5.4L gasoline engines




- For 4.6L & 5.4L gasoline engines: Measure the voltage between ground and PCM C175b-2, circuit CH302 (WH/BN).

For 6.8L gasoline engines




- For 6.8L gasoline engines: Measure the voltage between ground and PCM C1551e-3, circuit CH302 (WH/BN).
- Is any voltage present?

Yes
REPAIR circuit CH302 (WH/BN) for a short to voltage. CLEAR the DTCs. REPEAT the self-test. TEST the system for normal operation.

No
GO to A3.

-------------------------------------------------
A3 CHECK CIRCUIT CH302 (WH/BN) FOR A SHORT TO GROUND


- Ignition OFF.

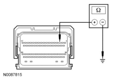
For diesel engines




- For diesel engines: Measure the resistance between ground and PCM C1381b-2, circuit CH302 (WH/BN).

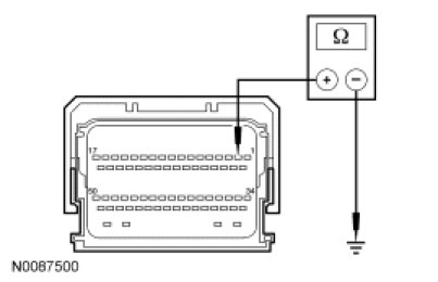
For 4.6L & 5.4L gasoline engines




- For 4.6L & 5.4L gasoline engines: Measure the resistance between ground and PCM C175b-2, circuit CH302 (WH/BN).

For 6.8L gasoline engines




- For 6.8L gasoline engines: Measure the resistance between ground and PCM C1551e-3, circuit CH302 (WH/BN).
- Is the resistance greater than 10,000 ohms?

Yes
GO to A4.

No
REPAIR circuit CH302 (WH/BN) for a short to ground. CLEAR the DTCs. REPEAT the self-test. TEST the system for normal operation.

-------------------------------------------------
A4 CHECK CIRCUIT CH302 (WH/BN) FOR AN OPEN


For diesel engines




- For diesel engines: Measure the resistance between A/C control relay socket, circuit CH302 (WH/BN) and PCM C1381b-2, circuit CH302 (WH/BN).

For 4.6L & 5.4L gasoline engines




- For 4.6L & 5.4L gasoline engines: Measure the resistance between A/C clutch relay socket, circuit CH302 (WH/BN) and PCM C175b-2, circuit CH302 (WH/BN), harness side.

For 6.8L gasoline engines




- For 6.8L gasoline engines: Measure the resistance between A/C control relay socket, circuit CH302 (WH/BN) and PCM C1551e-3, circuit CH302 (WH/BN).
- Is the resistance less than 5 ohms?

Yes
GO to A5.

No
REPAIR circuit CH302 (WH/BN) for an open. CLEAR the DTCs. REPEAT the self-test. TEST the system for normal operation.

-------------------------------------------------
A5 CHECK THE PCM CONNECTION


- Clear the DTCs.
- Disconnect all the PCM connectors.
- Check for:
- corrosion.
- pushed-out pins.
- incorrectly seated connector.
- Connect and correctly seat all the PCM connectors.
- Operate the system.
- Does the concern return?

Yes
INSTALL a new PCM. TEST the system for normal operation.

No
The system is operating correctly at this time. The concern may have been caused by a loose or corroded connector.

-------------------------------------------------