Operation CHARM: Car repair manuals for everyone.
Manuals through 2025 now available!

Our trusted friends have launched a new website named LEMON, which has newer manuals. It also contains all the CHARM manuals.

LEMON is the spiritual successor to CHARM, I recommend you try it!

Link: lemon-manuals.la or lemon-manuals.org.ua

(Some people have issue connecting. LEMON is investigating. For now, use Firefox or change your DNS server)

Or, hide this message: temporarily or permanently

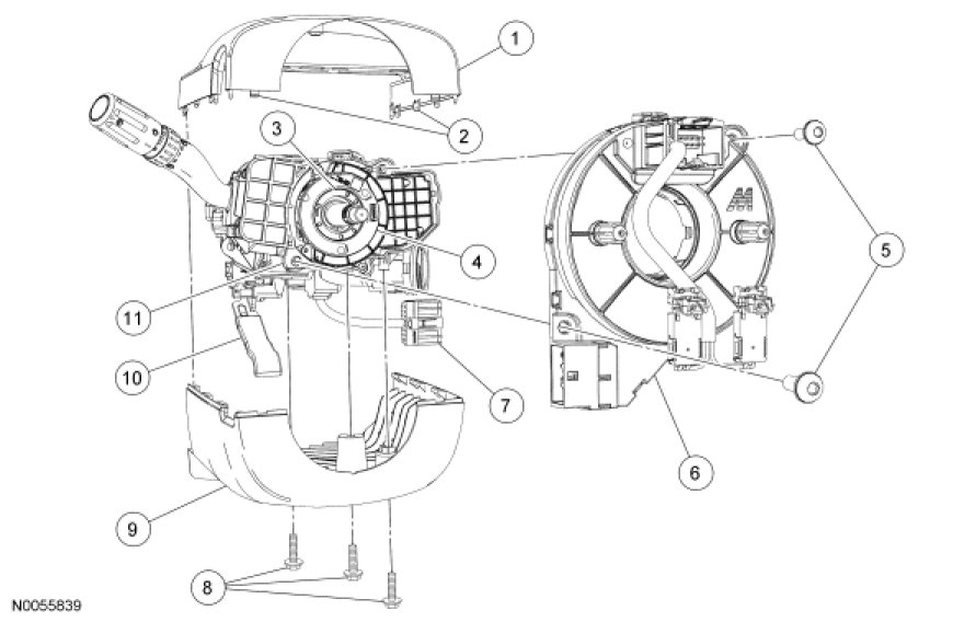
Clockspring Assembly / Spiral Cable: Service and Repair




Clockspring









Removal

NOTE: The air bag warning indicator illuminates when the correct Restraints Control Module (RCM) fuse is removed and the ignition is ON.

NOTE: The Supplemental Restraint System (SRS) must be fully operational and free of faults before releasing the vehicle to the customer.

1. Remove the driver air bag module. For additional information, refer to Driver Air Bag Module Driver Air Bag Module.

2. NOTICE: Vehicles equipped with a steering angle sensor and/or adaptive headlamps, do not allow the clockspring rotor to turn from the straight-ahead position after the steering wheel is removed. Failure to follow this instruction may result in component damage and/or system failure.

NOTE: Make sure the road wheels are in the straight-ahead position.

Remove the steering wheel.

3. Tape the clockspring rotor to the steering column shaft to prevent the clockspring rotor from moving out of center.

4. Release the 2 tabs and position the upper steering column shroud upward.

5. Remove the 3 screws and the lower steering column shroud.

6. Disconnect the clockspring electrical connector.

7. Remove the tape from the clockspring rotor to the steering column shaft. Do not allow the clockspring rotor to move from center after tape is removed.

8. NOTICE: For vehicles equipped a with steering angle sensor and/or adaptive headlamps, do not allow the clockspring rotor to turn from the straight-ahead position after the steering wheel is removed. Failure to follow this instruction may result in component damage and/or system failure.

NOTE: For vehicles equipped a with steering angle sensor and/or adaptive headlamps, after the clockspring has been removed, make sure the arrow on the steering angle sensor ring is lined up with the arrow on the steering angle sensor housing as shown.

Remove the 2 clockspring screws and remove the clockspring.





Installation

Vehicle repairs reusing the same clockspring

1. WARNING: If the clockspring is not correctly centralized, it may fail prematurely. If in doubt, repeat the centralizing procedure. Failure to follow these instructions may increase the risk of serious personal injury or death in a crash.

NOTICE: Make sure the road wheels are in the straight-ahead position. Failure to follow this instruction may result in component damage and/or system failure.

If the vehicle's clockspring has rotated out of center, follow these steps to center the clockspring.

1. Hold the clockspring outer housing stationary.

2. NOTICE: Overturning will destroy the clockspring. The internal ribbon wire acts as the stop and can be broken from its internal connection.

While turning the rotor counterclockwise, carefully feel for the ribbon wire to run out of length and for a slight resistance. Stop turning at this point.

3. Turn the clockspring clockwise (approximately 2.25 turns) until the clockspring rotor wiring and connector are in the 12 o'clock position. Clockspring is now centered.
- Do not allow the rotor to turn from this position.





All vehicles

2. NOTE: Slight rotation of the steering angle sensor ring is allowed to align the 2 arrows.

Make sure the steering angle sensor ring arrow is lined up with the steering angle sensor housing arrow as shown.





3. NOTICE: If the clockspring is left unattended by the technician between centralizing the clockspring and installing it to the multifunction switch housing, the centralizing procedure must be repeated. Failure to follow this instruction may result in component damage and/or system failure.

NOTE: For vehicles equipped with a steering angle sensor and/or adaptive headlamps, slight rotation of the clockspring rotor might be needed to seat the 3 clockspring locator pins into the steering angle sensor and/or adaptive headlamps sensor ring. Very slight rotation is possible on a new clockspring with the sealing key installed.

NOTE: Make sure the clockspring is fully seated into the multifunction switch housing before installing the clockspring screws.

Install the clockspring and the 2 screws.





4. Connect the clockspring electrical connector.

5. Install the lower steering column shroud and the 3 screws.

6. Attach the upper steering column shroud to the lower steering column shroud.

7. NOTICE: If not installing a new clockspring, and the vehicle is left unattended by the technician between the installation of the clockspring to the multifunction switch housing and installing the steering wheel, the centralizing procedure can be repeated at this time with the clockspring being installed in the multifunction switch housing. Failure to follow this instruction may result in component damage and/or system failure.

Install the steering wheel.

- If a new clockspring is being installed, and after the steering wheel installation, remove the clockspring sealing key.

8. Install the driver air bag module. For additional information, refer to Driver Air Bag Module Driver Air Bag Module.