Pinpoint Test AD: DTC B1318 (Front Controls Interface Module (FCIM))
Information and Entertainment System
Pinpoint Tests
Pinpoint Test AD: DTC B1318 (Front Controls Interface Module (FCIM))
Normal Operation
- DTC B1318 (Battery Voltage Low) - set by the Front Controls Interface Module (FCIM) when the supply voltage falls below 10 volts for at least 10 seconds during normal operation.
This pinpoint test is intended to diagnose the following:
- Wiring, terminals or connectors
- High circuit resistance
- FCIM
PINPOINT TEST AD: DTC B1318 (FCIM)
NOTE: Failure to disconnect the battery when instructed will result in false resistance readings. Refer to Battery.
-------------------------------------------------
AD1 RECHECK THE FCIM DTCs
- Ignition ON.
- Clear the FCIM DTCs.
- Wait at least 15 seconds.
- Repeat the FCIM self-test.
- Is DTC B1318 still present?
Yes
GO to AD2.
No
The system is operating correctly at this time. The DTC may have been set due to a previous low battery voltage condition.
-------------------------------------------------
AD2 CHECK FOR CHARGING SYSTEM DTCs IN THE PCM
- Retrieve the continuous DTCs from all modules.
- Is DTC P0620, P0622, P0625 or P065B set in the PCM?
Yes
REFER to Charging System.
No
GO to AD3.
-------------------------------------------------
AD3 CHECK THE BATTERY CONDITION AND STATE OF CHARGE
- Check the battery condition and verify that the battery is fully charged. Refer to Battery.
- Is the battery OK and fully charged?
Yes
GO to AD4.
No
REFER to Battery.
-------------------------------------------------
AD4 CHECK THE FCIM VOLTAGE SUPPLY
- Ignition OFF.
- Measure and record the voltage at the battery.
- Disconnect: FCIM C2402.
- Ignition ON.
- Measure the voltage between the FCIM C2402-1, circuit SBP14 (BN/RD), harness side and ground.
- Is the voltage at the FCIM within 0.2 volt of the recorded battery voltage?
Yes
GO to AD5.
No
REPAIR the circuit for high resistance. CLEAR the DTCs. REPEAT the self-test.
-------------------------------------------------
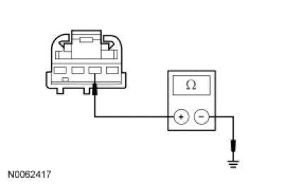
AD5 CHECK THE FCIM GROUND CIRCUIT
- Ignition OFF.
- Disconnect: Negative Battery Cable.
- Measure the resistance between the FCIM C2402-2, circuit GD115 (BK/GY), harness side and ground.
- Is the resistance less than 5 ohms?
Yes
GO to AD6.
No
REPAIR the circuit for high resistance. CLEAR the DTCs. REPEAT the self-test.
-------------------------------------------------
AD6 CHECK FOR CORRECT FCIM OPERATION
- Ignition OFF.
- Connect: Negative Battery Cable.
- Disconnect the FCIM connector.
- Check for:
- corrosion
- damaged pins
- pushed-out pins
- Connect the FCIM connector and make sure it seats correctly.
- Operate the system and determine if the concern is still present.
- Is the concern still present?
Yes
INSTALL a new FCIM. REFER to Front Controls Interface Module (FCIM) Front Controls Interface Module (FCIM). TEST the system for normal operation.
No
The system is operating correctly at this time. The concern may have been caused by a loose or corroded connector.
-------------------------------------------------