Operation CHARM: Car repair manuals for everyone.
Manuals through 2025 now available!

Our trusted friends have launched a new website named LEMON, which has newer manuals. It also contains all the CHARM manuals.

LEMON is the spiritual successor to CHARM, I recommend you try it!

Link: lemon-manuals.la or lemon-manuals.org.ua

(Some people have issue connecting. LEMON is investigating. For now, use Firefox or change your DNS server)

Or, hide this message: temporarily or permanently

Pinpoint Test G: The Liftgate Latch Release Is Inoperative/Does Not Operate Correctly




Locks, Latches and Entry Systems







Pinpoint Tests

Pinpoint Test G: The Liftgate Latch Release Is Inoperative/Does Not Operate Correctly

Refer to Wiring Diagram Set 117 (Escape/Mariner, Escape Hybrid/Mariner Hybrid), Remote Keyless Entry and Alarm for schematic and connector information. Diagrams By Number

Normal Operation

When the Smart Junction Box (SJB) receives an open command from the liftgate release switch or the Remote Keyless Entry (RKE) transmitter, the SJB supplies voltage to the liftgate release relay on the control circuit CPL79 (BN/VT). The liftgate release relay is located in the Battery Junction Box (BJB) and receives voltage from the BJB fuse 7 (10A) and ground through circuit GD120 (BK/GN). When voltage is supplied on the control circuit, the relay closes and supplies voltage to circuit CPL10 (GN/WH) which energizes the liftgate latch, releasing the liftgate. The liftgate latch is grounded through circuit GD182 (BK/GY).

The SJB does not release the liftgate latch from the exterior switch unless the doors have been unlocked electronically.

The liftgate release switch signal circuit CPL45 (BN) and the ground circuit GD149 (BK/GY), both change to CPL45 (LG) in the liftgate applique jumper harness.

- DTC B2666 (Liftgate Release Switch Circuit Failure) - a continuous and on-demand DTC that sets when the SJB detects a short to ground on the liftgate release switch input circuit. This DTC may also set if the liftgate release switch is pressed for longer than 2 minutes.
- DTC B273A (Liftgate Release Output Circuit Shorted to Ground) - a continuous DTC that sets when the SJB detects a short to ground on the liftgate release relay control circuit.
- DTC B273B (Liftgate Release Output Circuit Open or Shorted to Battery Voltage) - a continuous and on-demand DTC that sets when the SJB detects an open or short to voltage on the liftgate release relay control circuit.

This pinpoint test is intended to diagnose the following:

- Wiring, terminals or connectors
- Liftgate latch release switch
- Liftgate latch
- Liftgate relay
- SJB



PINPOINT TEST G: THE LIFTGATE LATCH RELEASE IS INOPERATIVE/DOES NOT OPERATE CORRECTLY

NOTICE: Use the correct probe adapter(s) when making measurements. Failure to use the correct probe adapter(s) may damage the connector.

NOTE: Failure to disconnect the battery when instructed will result in false resistance readings. Refer to Battery.

-------------------------------------------------
G1 CHECK THE DOOR LOCK OPERATION


- Lock and unlock the doors using the door lock control switch.
- Do the door locks operate correctly?

Yes
GO to G2.

No
Go To Pinpoint Test A. Pinpoint Test A: All Door Locks Are Inoperative

-------------------------------------------------
G2 ACTIVE COMMAND THE LIFTGATE TO RELEASE


- Ignition ON.
- Enter the following diagnostic mode on the scan tool: SJB DataLogger.
- Select the SJB PID (LIFTGATE_R) and active command the liftgate release relay ON.
- Does the liftgate release?

Yes
GO to G3.

No
GO to G9.

-------------------------------------------------
G3 CHECK THE RECORDED SJB DTCs FROM THE SELF-TEST


- Check the recorded results from the SJB self-test.
- Is DTC B2666 present?

Yes
GO to G4.

No
GO to G6.

-------------------------------------------------
G4 CHECK THE LIFTGATE RELEASE SWITCH


- Disconnect: Liftgate Release Switch C456.
- Clear the DTCs and carry out the SJB self-test.
- Is DTC B2666 still present?

Yes
GO to G5.

No
INSTALL a new liftgate release switch. REFER to Liftgate Release Switch Liftgate Release Switch. TEST the system for normal operation.

-------------------------------------------------
G5 CHECK THE SIGNAL CIRCUIT CPL45 (LG) FOR A SHORT TO GROUND


- Ignition OFF.
- Disconnect: SJB C2280c.
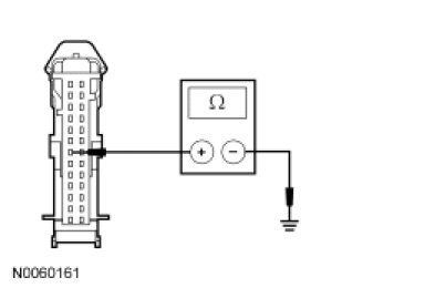
- Measure the resistance between the liftgate latch release switch C456-2, circuit CPL45 (LG), harness side and ground.




- Is the resistance greater than 10,000 ohms?

Yes
GO to G19.

No
REPAIR the circuit. CLEAR the DTCs. REPEAT the self-test.

-------------------------------------------------
G6 CHECK THE LIFTGATE RELEASE SWITCH


- Disconnect: Liftgate Release Switch C456.
- Unlock the doors with the door lock control switch.
- Connect a fused jumper wire between the liftgate release switch C456-2, circuit CPL45 (LG), harness side and the liftgate release switch C456-1, circuit CPL45 (LG), harness side.




- Does the liftgate latch release?

Yes
INSTALL a new liftgate release switch. REFER to Liftgate Release Switch Liftgate Release Switch. TEST the system for normal operation.

No
GO to G7.

-------------------------------------------------
G7 CHECK THE GROUND CIRCUIT CPL45 (LG) FOR AN OPEN


- Ignition OFF.
- Disconnect: Negative Battery Cable.
- Measure the resistance between the liftgate release switch C456-1, circuit CPL45 (LG), harness side and ground.




- Is the resistance less than 5 ohms?

Yes
GO to G8.

No
REPAIR the circuit. TEST the system for normal operation.

-------------------------------------------------
G8 CHECK CIRCUIT CPL45 (BN) FOR AN OPEN


- Disconnect: SJB C2280c.
- Connect a fused jumper wire between the liftgate release switch C456-2, circuit CPL45 (LG), harness side and the liftgate release switch C456-1, circuit CPL45 (LG), harness side.




- Measure the resistance between the SJB C2280c-7, circuit CPL45 (BN), harness side and ground.




- Is the resistance less than 5 ohms?

Yes
GO to G19.

No
REPAIR the circuit. TEST the system for normal operation.

-------------------------------------------------
G9 CHECK THE LIFTGATE RELEASE RELAY


- Install a known good relay in the liftgate release relay location.
- Carry out the SJB self-test and clear the DTCs (required to enable the liftgate release output driver if DTC B106E is present).
- Enter the following diagnostic mode on the scan tool: SJB DataLogger.
- Select the SJB PID (LIFTGATE_R) and active command the liftgate release relay ON.
- Does the liftgate release?

Yes
REMOVE the known good relay. INSTALL a new liftgate release relay. TEST the system for normal operation.

No
REMOVE the known good relay. GO to G10.

-------------------------------------------------
G10 CHECK FOR VOLTAGE TO THE LIFTGATE RELEASE RELAY


- Ignition OFF.
- Measure the voltage between the liftgate release relay pin 3, circuit SBB07 (WH/RD), BJB face side and ground.




- Is the voltage greater than 10 volts?

Yes
GO to G11.

No
VERIFY the BJB fuse 7 (10A) is OK. If OK, REPAIR circuit SBB07 (WH/RD) for an open. TEST the system for normal operation. If not OK, REFER to the Wiring Diagrams to identify the possible causes of the circuit short.

-------------------------------------------------
G11 BYPASS THE LIFTGATE RELEASE RELAY


- Momentarily connect a fused jumper wire between the liftgate release relay pin 3, circuit SBB07 (WH/RD), BJB face side and the liftgate release relay pin 5, circuit CPL10 (GN/WH), BJB face side.




- Does the liftgate release?

Yes
REMOVE the jumper wire. GO to G15.

No
REMOVE the jumper wire. GO to G12.

-------------------------------------------------
G12 CHECK CIRCUIT CPL10 (GN/WH) FOR A SHORT TO VOLTAGE


- Disconnect: Liftgate Latch C457.
- Ignition ON.
- Measure the voltage between the liftgate latch C457-2, circuit CPL10 (GN/WH), harness side and ground.




- Is any voltage present?

Yes
REPAIR circuit CPL10 (GN/WH) for a short to voltage. TEST the system for normal operation.

No
GO to G13.

-------------------------------------------------
G13 CHECK FOR VOLTAGE TO THE LIFTGATE LATCH


- Connect a fused jumper wire between the liftgate release relay pin 3, circuit SBB07 (WH/RD), BJB face side and the liftgate release relay pin 5, circuit CPL10 (GN/WH), BJB face side.




- Measure the voltage between the liftgate latch C457-2, circuit CPL10 (GN/WH), harness side and ground.




- Is the voltage greater than 10 volts?

Yes
LEAVE the jumper wire connected. GO to G14.

No
REPAIR circuit CPL10 (GN/WH) for an open. TEST the system for normal operation.

-------------------------------------------------
G14 CHECK THE LIFTGATE LATCH GROUND FOR AN OPEN


- Measure the voltage between the liftgate latch C457-2, circuit CPL10 (GN/WH), harness side and the liftgate latch C457-1, circuit GD182 (BK/GY), harness side.




- Is the voltage greater than 10 volts?

Yes
INSTALL a new liftgate latch. REFER to Liftgate Latch [1][2]Liftgate Latch. TEST the system for normal operation.

No
REPAIR circuit GD182 (BK/GY) for an open. TEST the system for normal operation.

-------------------------------------------------
G15 CHECK FOR GROUND TO THE LIFTGATE RELEASE RELAY


- Measure the voltage between the liftgate release relay pin 3, circuit SBB07 (WH/RD), BJB face side and the liftgate release relay pin 1, circuit GD120 (BK/GN), BJB face side.




- Is the voltage greater than 10 volts?

Yes
GO to G16.

No
REPAIR circuit GD120 (BK/GN) for an open. CLEAR the DTCs. REPEAT the self-test.

-------------------------------------------------
G16 CHECK CIRCUIT CPL79 (BN/VT) FOR VOLTAGE


- Ignition ON.
- Measure the voltage between the liftgate release relay pin 2, circuit CPL79 (BN/VT), BJB face side and ground.




- Is any voltage present?

Yes
GO to G17.

No
GO to G18.

-------------------------------------------------
G17 CHECK CIRCUIT CPL79 (BN/VT) FOR A SHORT TO VOLTAGE


- Ignition OFF.
- Disconnect: SJB C2280d.
- Ignition ON.
- Measure the voltage between the liftgate release relay pin 2, circuit CPL79 (BN/VT), BJB face side and ground.




- Is any voltage present?

Yes
REPAIR the circuit. CLEAR the DTCs. REPEAT the self-test.

No
GO to G19.

-------------------------------------------------
G18 CHECK CIRCUIT CPL79 (BN/VT) FOR AN OPEN OR SHORT TO GROUND


- Ignition OFF.
- Disconnect: SJB C2280d.
- Measure the resistance between the liftgate release relay pin 2, circuit CPL79 (BN/VT), BJB face side and the SJB C2280d-15, circuit CPL79 (BN/VT), harness side; and the liftgate release relay pin 2, circuit CPL79 (BN/VT), BJB face side and ground.




- Is the resistance less than 5 ohms between the relay and the SJB, and greater than 10,000 ohms between the relay and ground?

Yes
GO to G19.

No
REPAIR the circuit. CLEAR the DTCs. REPEAT the self-test.

-------------------------------------------------
G19 CHECK FOR CORRECT SJB OPERATION


- Disconnect all the SJB connectors.
- Check for:
- corrosion
- damaged pins
- pushed-out pins
- Connect all the SJB connectors and make sure they seat correctly.
- Operate the system and verify the concern is still present.
- Is the concern still present?

Yes
INSTALL a new SJB.

No
The system is operating correctly at this time. The concern may have been caused by a loose or corroded connector.

-------------------------------------------------