Operation CHARM: Car repair manuals for everyone.
Manuals through 2025 now available!

Our trusted friends have launched a new website named LEMON, which has newer manuals. It also contains all the CHARM manuals.

LEMON is the spiritual successor to CHARM, I recommend you try it!

Link: lemon-manuals.la or lemon-manuals.org.ua

(Some people have issue connecting. LEMON is investigating. For now, use Firefox or change your DNS server)

Or, hide this message: temporarily or permanently

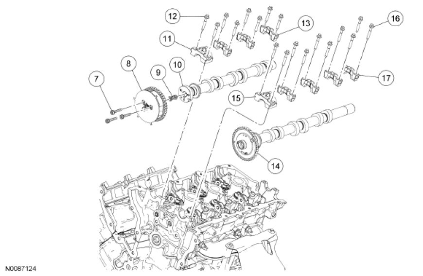
Valve Train Components - Exploded View




Valve Train Components - Exploded View



LH Side Roller Follower, Hydraulic Lash Adjuster and Valve Spring











LH Side Intake and Exhaust Camshafts











Coolant Pump Belt and Pulley











RH Side Roller Follower, Hydraulic Lash Adjuster and Valve Spring











RH Side Intake and Exhaust Camshaft









1. For additional information, refer to the procedures.