Operation CHARM: Car repair manuals for everyone.
Manuals through 2025 now available!

Our trusted friends have launched a new website named LEMON, which has newer manuals. It also contains all the CHARM manuals.

LEMON is the spiritual successor to CHARM, I recommend you try it!

Link: lemon-manuals.la or lemon-manuals.org.ua

(Some people have issue connecting. LEMON is investigating. For now, use Firefox or change your DNS server)

Or, hide this message: temporarily or permanently

Pinpoint Test A: The PCM Does Not Respond To The Scan Tool




Communications Network

Pinpoint Tests

Pinpoint Test A: The PCM Does Not Respond To The Scan Tool

Refer to Wiring Diagram Set 14 (Escape/Mariner, Escape Hybrid/Mariner Hybrid), Module Communications Network for schematic and connector information. Diagrams By Number

Refer to Wiring Diagram Set 23 (Escape/Mariner, Escape Hybrid/Mariner Hybrid), Electronic Engine Controls - 2.5L for schematic and connector information. Diagrams By Number

Refer to Wiring Diagram Set 24 (Escape/Mariner, Escape Hybrid/Mariner Hybrid), Electronic Engine Controls - 3.0L for schematic and connector information. Diagrams By Number

Normal Operation

The PCM communicates with the scan tool through the High Speed Controller Area Network (HS-CAN). Circuits VDB04 (WH/BU) (HS-CAN +) and VDB05 (WH) (HS-CAN -) provide the network connection to the PCM. Voltage for the PCM is provided by circuit CBB28 (GY/VT) or SBB05 (GY/RD). Circuit GD122 (BK) provides ground.

This pinpoint test is intended to diagnose the following:

- Fuse
- Wiring, terminals or connectors
- ABS module
- Accessory Protocol Interface Module (APIM)
- 4X4 control module (if equipped)
- IC
- PCM
- RCM
- PSCM
- OCSM
- TCM (Hybrid only)
- BCM (Hybrid only)



PINPOINT TEST A: THE PCM DOES NOT RESPOND TO THE SCAN TOOL

NOTICE: Use the correct probe adapter(s) when making measurements. Failure to use the correct probe adapter(s) may damage the connector.

NOTE: Failure to disconnect the battery when instructed will result in false resistance readings. Refer to Battery.

-------------------------------------------------
A1 VERIFY WHETHER OTHER HS-CAN MODULES PASS THE NETWORK TEST


- Ignition ON.
- Enter the following diagnostic mode on the scan tool: Network Test.
- In the left hand pane of the IDS network test display screen, verify whether any HS-CAN modules passed the network test.
- Is the text "pass" or a DTC listed next to any of the following modules (if equipped): 4x4 control module, ABS module, Accessory Protocol Interface Module (APIM), Battery Control Module (BCM), Instrument Cluster (IC), Occupant Classification System Module (OCSM), Power Steering Control Module (PSCM), Restraints Control Module (RCM), Transmission Control Module (TCM) or PCM?

Yes
If "pass" or a DTC was listed next to the PCM, a network fault is not currently present. Go To Pinpoint Test R to diagnose an intermittent HS-CAN fault condition. Pinpoint Test R: Intermittent No High Speed Controller Area Network (HS-CAN) Communication, Communication Can Be Intermittently

If "pass" or a DTC was listed next to one or more modules other than the PCM, GO to A2.

No
No modules are currently communicating on the HS-CAN. Go To Pinpoint Test s to diagnose no HS-CAN communication. Pinpoint Test S: No High Speed Controller Area Network (HS-CAN) Communication, All Modules Are Not Responding

-------------------------------------------------
A2 VERIFY COMPUTERS AND CONTROL SYSTEMS INFORMATION PINPOINT TEST QA HAS BEEN CARRIED OUT


- Verify that pinpoint test QA has been carried out.
- Has pinpoint test QA been carried out?

Yes
GO to A3.

No
REFER to Computers and Control Systems Information, Pinpoint Tests, pinpoint test QA to diagnose no communication with the PCM.

-------------------------------------------------
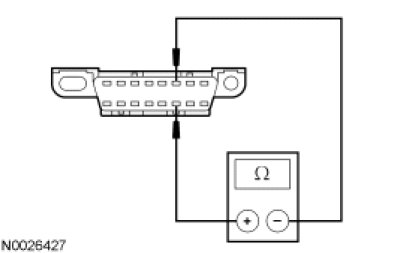
A3 CHECK THE HS-CAN TERMINATION RESISTANCE


- Measure the resistance between the DLC C251-6, circuit VDB04 (WH/BU), harness side and the DLC C251-14, circuit VDB05 (WH), harness side.




- Is the resistance between 54 and 66 ohms?

Yes
CONNECT the negative battery cable. GO to A5.

No
GO to A4.

-------------------------------------------------
A4 CHECK THE CAN CIRCUITS BETWEEN THE PCM AND THE DLC FOR AN OPEN


- Measure the resistance between the PCM C175b-59, circuit VDB04 (WH/BU), harness side and the DLC C251-6, circuit VDB04 (WH/BU), harness side.




- Measure the resistance between the PCM C175b-58, circuit VDB05 (WH), harness side and the DLC C251-14, circuit VDB05 (WH), harness side.




- Are the resistances less than 5 ohms?

Yes
CONNECT the negative battery cable. GO to A5.

No
REPAIR the circuit in question. CONNECT the negative battery cable. CLEAR the DTCs. REPEAT the network test with the scan tool.

-------------------------------------------------
A5 CHECK FOR CORRECT PCM OPERATION


- Disconnect all the PCM connectors.
- Check for:
- corrosion
- damaged pins
- pushed-out pins
- Connect all the PCM connectors and make sure they seat correctly.
- Operate the system and verify the concern is still present.
- Is the concern still present?

Yes
INSTALL a new PCM. CONNECT all modules. CONNECT the negative battery cable. CLEAR the DTCs. REPEAT the network test with the scan tool.

No
The system is operating correctly at this time. The concern may have been caused by a loose or corroded connector. CONNECT all modules. CLEAR the DTCs. REPEAT the network test with the scan tool.

-------------------------------------------------