Operation CHARM: Car repair manuals for everyone.
Manuals through 2025 now available!

Our trusted friends have launched a new website named LEMON, which has newer manuals. It also contains all the CHARM manuals.

LEMON is the spiritual successor to CHARM, I recommend you try it!

Link: lemon-manuals.la or lemon-manuals.org.ua

(Some people have issue connecting. LEMON is investigating. For now, use Firefox or change your DNS server)

Or, hide this message: temporarily or permanently

Pinpoint Test V: No Power To The Scan Tool




Communications Network

Pinpoint Tests

Pinpoint Test V: No Power To The Scan Tool

Refer to Wiring Diagram Set 14 (Escape/Mariner, Escape Hybrid/Mariner Hybrid), Module Communications Network for schematic and connector information. Diagrams By Number

Normal Operation

The scan tool is connected to the Data Link Connector (DLC) to communicate with the High Speed Controller Area Network (HS-CAN), Medium Speed Controller Area Network (MS-CAN), and ISO 9141 communications network. Voltage for the scan tool is provided by circuit SBP20 (GN/RD). Ground is provided by circuits GD112 (BK/GN) and GD114 (BK/BU).

This pinpoint test is intended to diagnose the following:

- Fuse
- Wiring, terminals or connectors
- DLC



PINPOINT TEST V: NO POWER TO THE SCAN TOOL

NOTE: Most faults are due to connector and/or wiring concerns. Carry out a thorough inspection and verification before proceeding with the Pinpoint Test. Inspection and Verification

NOTE: Failure to disconnect the battery when instructed will result in false resistance readings. Refer to Battery.

-------------------------------------------------
V1 CHECK DLC PINS FOR DAMAGE


- Disconnect the scan tool cable from the DLC.
- Inspect the DLC pins 4, 5 and 16 for damage.




- Are the DLC pins 4, 5 and 16 OK?

Yes
GO to V2.

No
REPAIR the DLC as necessary. REPEAT the network test with the scan tool.

-------------------------------------------------
V2 CHECK THE DLC VOLTAGE SUPPLY CIRCUIT FOR AN OPEN


- Measure the voltage between the DLC C251-16, circuit SBP20 (GN/RD), harness side and ground.




- Is the voltage greater than 10 volts?

Yes
GO to V3.

No
VERIFY the Smart Junction Box (SJB) fuse 20 (15A) is OK. If OK, REPAIR the circuit. If not OK, REFER to the Wiring Diagrams to identify the possible causes of the circuit short. REPEAT the network test with the scan tool.

-------------------------------------------------
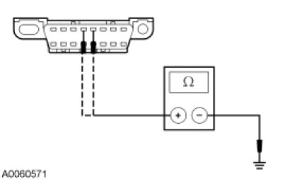
V3 CHECK THE DLC GROUND CIRCUITS FOR AN OPEN


- Disconnect: Negative Battery Cable.
- Measure the resistance between the DLC C251-4, circuit GD112 (BK/GN), harness side and ground; and between the DLC C251-5, circuit GD114 (BK/BU), harness side and ground.




- Are the resistances less than 5 ohms?

Yes
REPAIR the scan tool. CONNECT the negative battery cable. REPEAT the network test with the scan tool.

No
REPAIR the circuit in question. CONNECT the negative battery cable. REPEAT the network test with the scan tool.

-------------------------------------------------