Operation CHARM: Car repair manuals for everyone.
Manuals through 2025 now available!

Our trusted friends have launched a new website named LEMON, which has newer manuals. It also contains all the CHARM manuals.

LEMON is the spiritual successor to CHARM, I recommend you try it!

Link: lemon-manuals.la or lemon-manuals.org.ua

(Some people have issue connecting. LEMON is investigating. For now, use Firefox or change your DNS server)

Or, hide this message: temporarily or permanently

Pinpoint Test A: The Engine Does Not Crank




Starting System

Pinpoint Tests


Pinpoint Test A: The Engine Does Not Crank

Refer to Wiring Diagram Set 20 (Escape/Mariner, Escape Hybrid/Mariner Hybrid), Starting System for schematic and connector information. Diagrams By Number

Normal Operation

Under normal operation, the Battery Junction Box (BJB) supplies constant power to the starter motor relay on circuit SBB11 (BU/RD) through fuse 11 (30A). On vehicles with automatic transaxles, when the key is placed in the START position with the vehicle in PARK or NEUTRAL, the Transmission Range (TR) sensor sends a signal to the PCM and provides ground to the starter motor relay. On vehicles with manual transaxles, when the key is placed in the START position with the clutch pedal depressed, the clutch cutoff switch sends a signal to the PCM and provides ground to the starter motor relay. This allows power to be supplied from the starter motor relay contacts which then flows through circuit CDC25 (BN/GN) to the starter solenoid. The solenoid is grounded at the starter motor. Energizing the starter solenoid will engage the starter drive into the ring gear and closes the solenoid contacts, allowing power directly from the battery through circuit SDC02 (RD) to the starter motor to start the engine.

This pinpoint test is intended to diagnose the following:
- Battery
- Anti-theft system
- Starter relay
- Ignition switch
- Circuitry
- TR sensor (automatic transaxle)
- Clutch cutoff switch (manual transaxle)
- PCM
- Start diode



PINPOINT TEST A: THE ENGINE DOES NOT CRANK

-------------------------------------------------
A1 CHECK THE BATTERY


- Check the battery condition and state of charge. Refer to Diagnosis and Testing in Battery. Testing and Inspection
- Is the battery OK?

Yes
GO to A2.

No
CHARGE or INSTALL a new battery as necessary. TEST the system for normal operation.

-------------------------------------------------
A2 CHECK FOR PCM DTCs


- Using the DTCs retrieved in Inspection and Verification, check for PCM DTCs.
- Were any PCM DTCs retrieved?

Yes
If PCM DTC P1260 is retrieved, REFER to Antitheft and Alarm Systems. All other PCM DTCs, REFER to Computers and Control Systems Information.

No
For automatic transmission, GO to A3. For manual transmission, GO to A4.

-------------------------------------------------
A3 CHECK THE PCM AUTOMATIC TR SENSOR PID


- Connect the scan tool.
- Ignition ON.
- Enter the following diagnostic mode on the scan tool: DataLogger - PCM.
- While observing the TR sensor PID, place the vehicle in PARK and NEUTRAL.
- Does the PID match the gear selection?

Yes
GO to A5.

No
GO to the appropriate automatic transmission system to diagnose the TR sensor.

-------------------------------------------------
A4 CHECK THE PCM CLUTCH PEDAL AT OR NEAR BOTTOM OF TRAVEL (CPP_ BOT) PID


- Connect the scan tool.
- Ignition ON.
- Enter the following diagnostic mode on the scan tool: DataLogger - PCM.
- While observing the CPP_BOT PID, fully disengage the clutch.
- Does the PID change from NO to YES?

Yes
GO to A5.

No
GO to A25.

-------------------------------------------------
A5 CHECK THE STARTER MOTOR CONTROL OUTPUT DETECTED (SMC_MON) PID


- Connect the scan tool.
- Ignition ON.
- Enter the following diagnostic mode on the scan tool: DataLogger - PCM.
- NOTE: For manual transaxle, fully disengage the clutch.
- Monitor the PID SMC_MON PID with the ignition switch in the START position.
- Does the PID change from OFF to ON?

Yes
GO to A6.

No
GO to A13.

-------------------------------------------------
A6 CHECK THE STARTER MOTOR RELAY ENABLE (STRT_RLY) PID


- Connect the scan tool.
- Ignition ON.
- Enter the following diagnostic mode on the scan tool: DataLogger - PCM.
- NOTE: For manual transaxle, fully disengage the clutch.
- Monitor the PID STRT_RLY PID with the ignition switch in the START position.
- Does the PID change from DISABLED to ENABLED?

Yes
GO to A7.

No
GO to A22.

-------------------------------------------------
A7 CHECK FOR VOLTAGE TO THE STARTER MOTOR RELAY


NOTICE: Use the correct probe adapter(s) when making measurements. Failure to use the correct probe adapter(s) may damage the connector.

- Ignition OFF.
- Disconnect: Starter Motor Relay.
- Measure the voltage between BJB starter motor relay pin 3, circuit SBB11 (BN/RD) and ground.




- Is the voltage greater than 10 volts?

Yes
GO to A8.

No
VERIFY BJB fuse 11 (30A) is OK. If OK, REPAIR the circuit SBB11 (BN/RD). TEST the system for normal operation. If not OK, REFER to the Wiring Diagrams to identify the possible causes of the circuit short.

-------------------------------------------------
A8 CHECK THE BATTERY GROUND CABLE


- Measure the voltage between the positive battery post and the battery ground cable connection at the engine.




- Is the voltage greater than 10 volts?

Yes
GO to A9.

No
INSTALL a new battery ground cable. TEST the system for normal operation.

-------------------------------------------------
A9 CHECK STARTER MOTOR GROUND


- Measure the voltage between the positive battery post and the starter motor case.




- Is the voltage greater than 10 volts?

Yes
GO to A10.

No
CLEAN the starter motor mounting flange and make sure the starter motor is correctly mounted. TEST the system for normal operation.

-------------------------------------------------
A10 CHECK THE POWER SUPPLY TO THE STARTER MOTOR


- Measure the voltage between starter motor C197A, circuit SDC02 (RD) and ground.




- Is the voltage greater than 10 volts?

Yes
GO to A11.

No
INSTALL a new positive battery cable. TEST the system for normal operation.

-------------------------------------------------
A11 CHECK THE STARTER MOTOR B-PIN


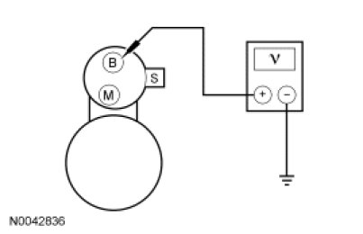
- Connect one end of a fused jumper wire to starter motor C197A, circuit SDC02 (RD). Momentarily connect the other end of the jumper to starter motor C197B, circuit CDC25 (BN/GN).




- Did the starter motor engage and the engine crank?

Yes
GO to A12.

No
INSTALL a new starter motor. REFER to Starter Motor - 2.5L Service and Repair or Starter Motor - 3.0L Service and Repair. TEST the system for normal operation.

-------------------------------------------------
A12 CHECK THE CIRCUIT TO THE STARTER MOTOR


NOTICE: Use the correct probe adapter(s) when making measurements. Failure to use the correct probe adapter(s) may damage the connector.

- Ignition OFF.
- Disconnect: Starter Motor Solenoid C197B.
- Disconnect: Starter Motor Relay.
- Measure the resistance between starter motor C197-B, circuit CDC25 (BN/GN) and BJB starter relay pin 5, circuit CDC25 (BN/GN).




- Is the resistance less than 5 ohms?

Yes
INSTALL a new starter motor relay. TEST the system for normal operation.

No
REPAIR the circuit CDC25 (BN/GN). TEST the system for normal operation.

-------------------------------------------------
A13 CHECK FOR VOLTAGE TO THE STARTER MOTOR RELAY


NOTICE: Use the correct probe adapter(s) when making measurements. Failure to use the correct probe adapter(s) may damage the connector.

- Ignition OFF.
- Disconnect: Starter Motor Relay.
- Measure the voltage between BJB starter motor relay pin 3, circuit SBB11 (BN/RD) and ground.




- Is the voltage greater than 10 volts?

Yes
GO to A14.

No
VERIFY BJB fuse 11 (30 A) is OK. If OK, REPAIR the circuit SBB11 (BN/RD). TEST the system for normal operation. If not OK, REFER to the Wiring Diagrams to identify the possible causes of the circuit short.

-------------------------------------------------
A14 CHECK THE STARTER MOTOR RELAY


- Carry out the Starter Motor Relay Component Test.

- Did the starter motor relay pass the component test?

Yes
GO to A15.

No
INSTALL a new starter motor relay. TEST the system for normal operation.

-------------------------------------------------
A15 CHECK THE START DIODE


- Disconnect: Start Diode.
- Check the start diode for an open or shorted condition.




- Is the start diode OK?

Yes
GO to A16.

No
INSTALL a new start diode. TEST the system for normal operation.

-------------------------------------------------
A16 CHECK CIRCUIT CDC54 (WH/GN) FOR VOLTAGE


NOTE: For manual transaxle, fully disengage the clutch.

- Connect: Start Diode.
- Measure the voltage between BJB starter motor relay pin 2, circuit CDC54 (WH/GN) and ground with the ignition switch in the START position.




- Is the voltage greater than 10 volts?

Yes
GO to A19.

No
GO to A17.

-------------------------------------------------
A17 CHECK CIRCUIT SBP27 (BU/RD) FOR VOLTAGE


- Disconnect: Ignition Switch C250.
- Measure the voltage between ignition switch C250-4, circuit SBP27 (BU/RD), harness side and ground.




- Is the voltage greater than 10 volts?

Yes
GO to A18.

No
VERIFY Smart Junction Box (SJB) fuse 27 (20 A) is OK. If OK, REPAIR circuit SBP27 (BU/RD). TEST the system for normal operation. If not OK, REFER to the Wiring Diagrams to identify the possible causes of the circuit short.

-------------------------------------------------
A18 CHECK THE IGNITION SWITCH


- Carry out the Ignition Switch Component Test.

- Did the ignition switch pass the component test?

Yes
REPAIR circuit CDC35 (BU/WH). TEST the system for normal operation.

No
INSTALL a new ignition switch. TEST the system for normal operation.

-------------------------------------------------
A19 CHECK CIRCUIT CDC54 (WH/GN) FOR AN OPEN


- Disconnect: Start Diode.
- Disconnect: PCM C175B.
- Measure the resistance between the BJB start diode cell, circuit CDC54 (WH/GN), harness side and PCM C175B-37, circuit CDC54 (WH/GN), harness side.




- Is the resistance less than 5 ohms?

Yes
GO to A20.

No
REPAIR circuit CDC54 (WH/GN). TEST the system for normal operation.

-------------------------------------------------
A20 CHECK THE START SIGNAL TO THE STARTER MOTOR RELAY


- Connect: Start Diode.
- Disconnect: Starter Motor Relay.
- Measure the resistance between the BJB starter motor relay pin 2, circuit CDC54 (WH/GN), harness side and C175B-37, circuit CDC54 (WH/GN), harness side.




- Is the resistance less than 5 ohms?

Yes
GO to A21.

No
REPAIR circuit CDC54 (WH/GN). TEST the system for normal operation.

-------------------------------------------------
A21 CHECK CIRCUIT CDC35 (BU/WH) FOR AN OPEN


- Connect: Starter Motor Relay.
- Measure the resistance between the BJB start diode cell, circuit CDC35 (BU/WH), harness side and PCM C175B-16, circuit CDC35 (BU/WH), harness side.




- Is the resistance less than 5 ohms?

Yes
INSTALL a new PCM. TEST the system for normal operation.

No
REPAIR circuit CDC35 (BU/WH). TEST the system for normal operation.

-------------------------------------------------
A22 CHECK FOR VOLTAGE TO THE STARTER MOTOR RELAY


NOTICE: Use the correct probe adapter(s) when making measurements. Failure to use the correct probe adapter(s) may damage the connector.

- Ignition OFF.
- Disconnect: Starter Motor Relay.
- Measure the voltage between BJB starter motor relay pin 3, circuit SBB11 (BN/RD) and ground.




- Is the voltage greater than 10 volts?

Yes
GO to A23.

No
VERIFY BJB fuse 11 (30 A) is OK. If OK, REPAIR the circuit SBB11 (BN/RD). TEST the system for normal operation. If not OK, REFER to the Wiring Diagrams to identify the possible causes of the circuit short.

-------------------------------------------------
A23 CHECK THE STARTER MOTOR RELAY


- Carry out the Starter Motor Relay Component Test.

- Did the starter motor relay pass the component test?

Yes
GO to A24.

No
INSTALL a new starter motor relay. TEST the system for normal operation.

-------------------------------------------------
A24 CHECK CIRCUIT CDC12 (YE) FOR AN OPEN


- Ignition OFF.
- Disconnect: PCM C175B.
- Disconnect: Starter Motor Relay.
- Measure the resistance between the BJB starter motor relay pin 1, circuit CDC12 (YE), harness side and PCM C175B-7, circuit CDC12 (YE), harness side.




- Is the resistance less than 5 ohms?

Yes
INSTALL a new PCM. TEST the system for normal operation.

No
REPAIR circuit CDC12 (YE). TEST the system for normal operation.

-------------------------------------------------
A25 CHECK CIRCUIT GD120 (BK/GN) FOR AN OPEN


- Ignition OFF.
- Disconnect: Clutch Cutoff Switch C2072.
- Measure the resistance between the clutch cutoff switch C2072-1, circuit GD120 (BK/GN), harness side and ground.




- Is the resistance less than 5 ohms?

Yes
GO to A26.

No
REPAIR circuit GD120 (BK/GN). TEST the system for normal operation.

-------------------------------------------------
A26 CHECK CIRCUIT CE903 (BU/OG) FOR AN OPEN


- Ignition OFF.
- Disconnect: PCM C175T.
- Measure the resistance between the clutch cutoff switch C2072-2, circuit CE903 (BU/OG), harness side and PCM C175T-26, circuit CE903 (BU/OG), harness side.




- Is the resistance less than 5 ohms?

Yes
GO to A27.

No
REPAIR circuit CE903 (BU/OG). TEST the system for normal operation.

-------------------------------------------------
A27 CHECK CLUTCH CUTOFF SWITCH FOR AN OPEN


- Measure the resistance between the clutch cutoff switch C2072-2 and C2072-1, component side.




- Is the resistance less than 5 ohms?

Yes
INSTALL a new PCM. TEST the system for normal operation.

No
REPLACE the clutch cutoff switch. TEST the system for normal operation.

-------------------------------------------------