Operation CHARM: Car repair manuals for everyone.
Manuals through 2025 now available!

Our trusted friends have launched a new website named LEMON, which has newer manuals. It also contains all the CHARM manuals.

LEMON is the spiritual successor to CHARM, I recommend you try it!

Link: lemon-manuals.la or lemon-manuals.org.ua

(Some people have issue connecting. LEMON is investigating. For now, use Firefox or change your DNS server)

Or, hide this message: temporarily or permanently

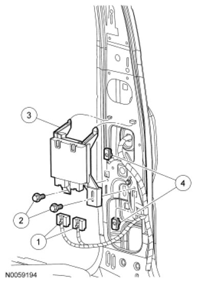
Auxiliary Step / Running Board Module: Service and Repair




Power Running Board (PRB) Module









Removal and Installation

1. Remove the LH B-pillar trim panel.

2. Disconnect the Power Running Board (PRB) module electrical connectors.

3. Remove the 2 bolts and the PRB module assembly.

4. To install, reverse the removal procedure.