Operation CHARM: Car repair manuals for everyone.
Manuals through 2025 now available!

Our trusted friends have launched a new website named LEMON, which has newer manuals. It also contains all the CHARM manuals.

LEMON is the spiritual successor to CHARM, I recommend you try it!

Link: lemon-manuals.la or lemon-manuals.org.ua

(Some people have issue connecting. LEMON is investigating. For now, use Firefox or change your DNS server)

Or, hide this message: temporarily or permanently

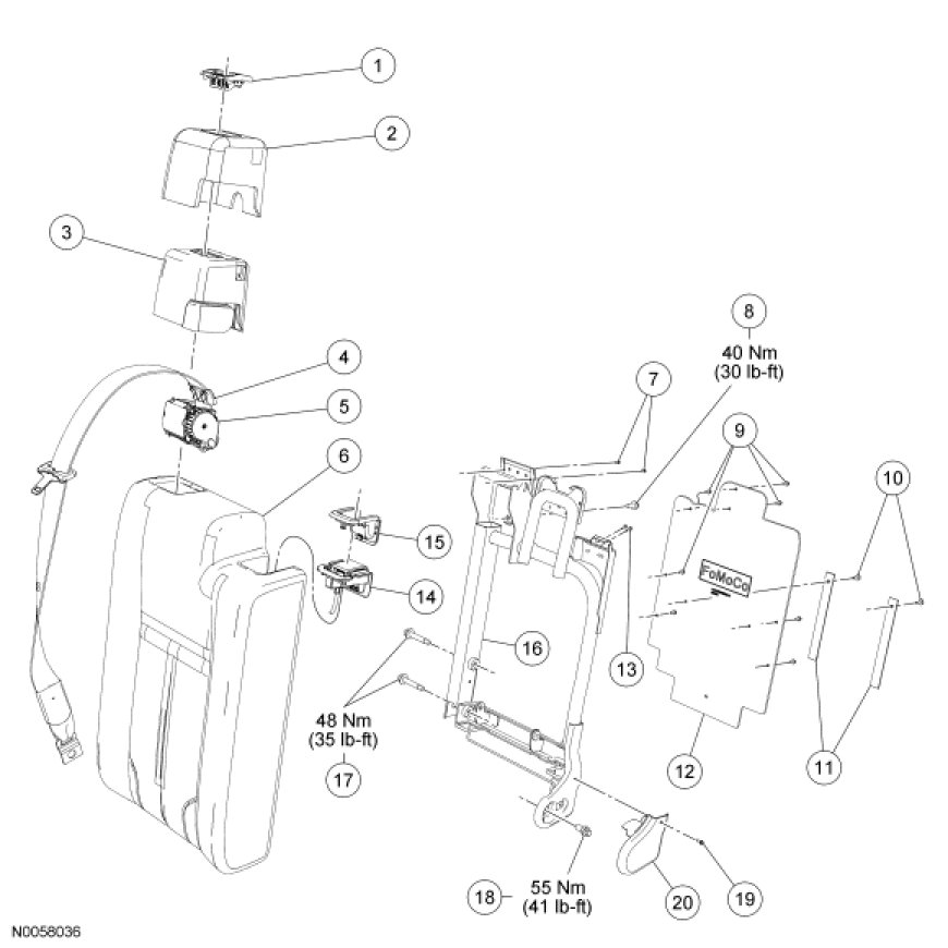
Seat - Exploded View, Second Row




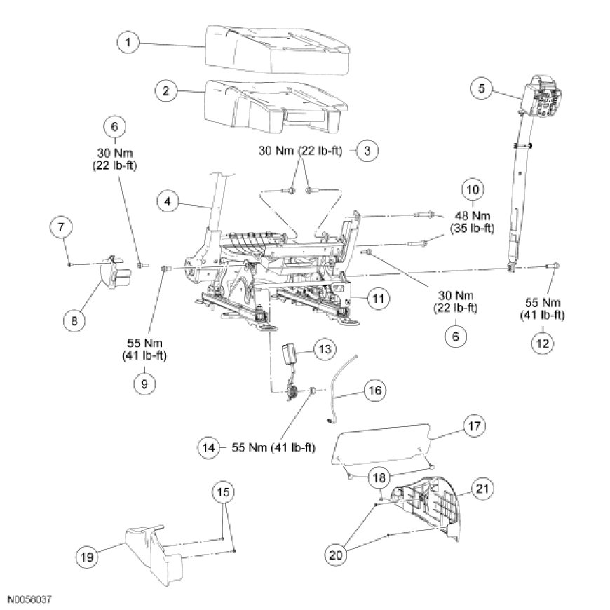
Seat - Exploded View, Second Row

Seat Backrest - 20 Percent










Seat Cushion - 20 Percent










Seat Backrest - 40 Percent

NOTE: LH seat shown, RH similar.











Seat Cushion - 40 Percent Seat

NOTE: LH seat shown, RH seat similar.










1. For additional information, refer to the procedures.