Operation CHARM: Car repair manuals for everyone.
Manuals through 2025 now available!

Our trusted friends have launched a new website named LEMON, which has newer manuals. It also contains all the CHARM manuals.

LEMON is the spiritual successor to CHARM, I recommend you try it!

Link: lemon-manuals.la or lemon-manuals.org.ua

(Some people have issue connecting. LEMON is investigating. For now, use Firefox or change your DNS server)

Or, hide this message: temporarily or permanently

Pinpoint Test X: No High Speed Controller Area Network (HS-CAN) Communication, All Modules Are Not Responding




Communications Network

Pinpoint Tests

Pinpoint Test X: No High Speed Controller Area Network (HS-CAN) Communication, All Modules Are Not Responding

Normal Operation

The High Speed Controller Area Network (HS-CAN) uses an unshielded twisted pair cable. Circuits VDB04 (WH/BU) and VDB05 (WH) provide the network connection to all modules on the HS-CAN.

This pinpoint test is intended to diagnose the following:

- Wiring, terminals or connectors
- Data Link Connector (DLC)
- 4X4 control module (if equipped)
- ABS module
- Accessory Protocol Interface Module (APIM)
- Instrument Cluster (IC)
- PCM
- Restraints Control Module (RCM)
- Transmission Control Module (TCM)
- Vehicle Dynamics Module (VDM) (if equipped)



PINPOINT TEST X: NO HS-CAN COMMUNICATION, ALL MODULES ARE NOT RESPONDING

NOTICE: Use the correct probe adapter(s) when making measurements. Failure to use the correct probe adapter(s) may damage the connector.

NOTE: Most faults are due to connector and/or wiring concerns. Carry out a thorough inspection and verification before proceeding with the pinpoint test. Inspection and Verification

NOTE: Failure to disconnect the battery when instructed will result in false resistance readings. Refer to Battery.

-------------------------------------------------
X1 CHECK THE DLC PINS FOR DAMAGE


- Ignition OFF.
- Disconnect the scan tool cable from the Data Link Connector (DLC).
- Inspect DLC pins 6 and 14 for damage.




- Are DLC pins 6 and 14 OK?

Yes
GO to X2.

No
REPAIR the DLC as necessary. CLEAR the DTCs. REPEAT the network test with the scan tool.

-------------------------------------------------
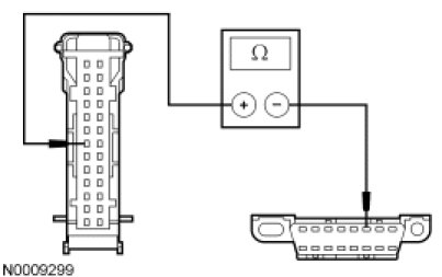
X2 CHECK THE HS-CAN TERMINATION RESISTANCE


- Ignition OFF.
- Disconnect: Negative Battery Cable.
- Measure the resistance between the DLC C251-6, circuit VDB04 (WH/BU), harness side and the DLC C251-14, circuit VDB05 (WH), harness side.




- Is the resistance between 54 and 66 ohms?

Yes
GO to X3.

No
GO to X5.

-------------------------------------------------
X3 CHECK THE HS-CAN (+) AND HS-CAN (-) CIRCUITS FOR A SHORT TO GROUND


- Measure the resistance between the DLC C251-6, circuit VDB04 (WH/BU), harness side and ground; and between the DLC C251-14, circuit VDB05 (WH), harness side and ground.




- Are the resistances greater than 1,000 ohms?

Yes
GO to X4.

No
GO to X19.

-------------------------------------------------
X4 CHECK THE HS-CAN (+) AND HS-CAN (-) CIRCUITS FOR A SHORT TO VOLTAGE


- Connect: Negative Battery Cable.
- Ignition ON.
- Measure the voltage between the DLC C251-6, circuit VDB04 (WH/BU), harness side and ground; and between the DLC C251-14, circuit VDB05 (WH), harness side and ground.




- Is the voltage greater than 6 volts?

Yes
REPAIR the circuit. CLEAR the DTCs. REPEAT the network test with the scan tool.

No
The CAN has tested within specifications. VERIFY the scan tool operation on a substitute vehicle, and REPEAT the network test on the suspect vehicle.

-------------------------------------------------
X5 CHECK THE HS-CAN TERMINATION RESISTOR


- Measure the resistance between the DLC C251-6, circuit VDB04 (WH/BU), harness side and the DLC C251-14, circuit VDB05 (WH), harness side.




- Is the resistance between 108 and 132 ohms?

Yes
GO to X6.

No
GO to X9.

-------------------------------------------------
X6 CHECK THE HS-CAN TERMINATION RESISTOR WITH THE PCM DISCONNECTED


- Disconnect: PCM C175b.
- Measure the resistance between the DLC C251-6, circuit VDB04 (WH/BU), harness side and the DLC C251-14, circuit VDB05 (WH), harness side.




- Is the resistance between 108 and 132 ohms?

Yes
GO to X7.

No
GO to X8.

-------------------------------------------------
X7 CHECK THE HS-CAN CIRCUITS BETWEEN THE PCM AND THE DLC FOR AN OPEN


- Measure the resistance between the PCM C175b-59, circuit VDB04 (WH/BU), harness side and the DLC C251-6, circuit VDB04 (WH/BU), harness side.




- Measure the resistance between the PCM C175b-43, circuit VDB05 (WH), harness side and the DLC C251-14, circuit VDB05 (WH), harness side.




- Are the resistances less than 5 ohms?

Yes
CONNECT the negative battery cable. GO to X27.

No
REPAIR the circuit in question. CONNECT the negative battery cable. CLEAR the DTCs. REPEAT the network test with the scan tool.

-------------------------------------------------
X8 CHECK THE HS-CAN CIRCUITS BETWEEN THE IC AND THE DLC FOR AN OPEN


- Measure the resistance between the IC C220-7, circuit VDB04 (WH/BU), harness side and the Data Link Connector (DLC) C251-6, circuit VDB04 (WH/BU), harness side.




- Measure the resistance between the IC C220-8, circuit VDB05 (WH), harness side and the DLC C251-14, circuit VDB05 (WH), harness side.




- Are the resistances less than 5 ohms?

Yes
CONNECT the negative battery cable. GO to X33.

No
REPAIR the circuit in question. CONNECT the negative battery cable. CLEAR the DTCs. REPEAT the network test with the scan tool.

-------------------------------------------------
X9 CHECK THE HS-CAN (+) AND HS-CAN (-) CIRCUITS FOR A SHORT TOGETHER


- Measure the resistance between the DLC C251-6, circuit VDB04 (WH/BU), harness side and the DLC C251-14, circuit VDB05 (WH), harness side.




- Is the resistance less than 5 ohms?

Yes
GO to X11.

No
GO to X10.

-------------------------------------------------
X10 CHECK THE HS-CAN CIRCUITS BETWEEN THE PCM AND THE DLC FOR AN OPEN


- Disconnect: PCM C175b.
- Measure the resistance between the PCM C175b-59, circuit VDB04 (WH/BU), harness side and the DLC C251-6, circuit VDB04 (WH/BU), harness side.




- Measure the resistance between the PCM C175b-43, circuit VDB05 (WH), harness side and the DLC C251-14, circuit VDB05 (WH), harness side.




- Are the resistances less than 5 ohms?

Yes
The Controller Area Network (CAN) has tested within specifications. CONNECT the negative battery cable. VERIFY the scan tool operation on a substitute vehicle, and REPEAT the network test on the suspect vehicle.

No
REPAIR the circuit in question. CONNECT the negative battery cable. CLEAR the DTCs. REPEAT the network test with the scan tool.

-------------------------------------------------
X11 CHECK THE HS-CAN (+) AND HS-CAN (-) CIRCUITS FOR A SHORT TOGETHER WITH THE PCM DISCONNECTED


- Disconnect: PCM C175b.
- Measure the resistance between the DLC C251-6, circuit VDB04 (WH/BU), harness side and the DLC C251-14, circuit VDB05 (WH), harness side.




- Is the resistance less than 5 ohms?

Yes
If the vehicle is equipped with a Vehicle Dynamics Module (VDM), GO to X12.

If the vehicle is not equipped with a VDM, GO to X13.

No
CONNECT the negative battery cable. GO to X27.

-------------------------------------------------
X12 CHECK THE HS-CAN (+) AND HS-CAN (-) CIRCUITS FOR A SHORT TOGETHER WITH THE VDM DISCONNECTED


- Disconnect: VDM C2131a.
- Measure the resistance between the DLC C251-6, circuit VDB04 (WH/BU), harness side and the DLC C251-14, circuit VDB05 (WH), harness side.




- Is the resistance less than 5 ohms?

Yes
GO to X13.

No
CONNECT the negative battery cable. GO to X28.

-------------------------------------------------
X13 CHECK THE HS-CAN (+) AND HS-CAN (-) CIRCUITS FOR A SHORT TOGETHER WITH THE ABS MODULE DISCONNECTED


- Disconnect: ABS Module C135.
- Measure the resistance between the DLC C251-6, circuit VDB04 (WH/BU), harness side and the DLC C251-14, circuit VDB05 (WH), harness side.




- Is the resistance less than 5 ohms?

Yes
If the vehicle is equipped with a 4X4 control module, GO to X14.

If the vehicle is not equipped with a 4X4 control module, GO to X15.

No
CONNECT the negative battery cable. GO to X29.

-------------------------------------------------
X14 CHECK THE HS-CAN (+) AND HS-CAN (-) CIRCUITS FOR A SHORT TOGETHER WITH THE 4X4 CONTROL MODULE DISCONNECTED


- Disconnect: 4X4 Control Module C281a.
- Measure the resistance between the DLC C251-6, circuit VDB04 (WH/BU), harness side and the DLC C251-14, circuit VDB05 (WH), harness side.




- Is the resistance less than 5 ohms?

Yes
GO to X15.

No
CONNECT the negative battery cable. GO to X30.

-------------------------------------------------
X15 CHECK THE HS-CAN (+) AND HS-CAN (-) CIRCUITS FOR A SHORT TOGETHER WITH THE RCM DISCONNECTED


- Disconnect: RCM C310b.
- Measure the resistance between the DLC C251-6, circuit VDB04 (WH/BU), harness side and the DLC C251-14, circuit VDB05 (WH), harness side.




- Is the resistance less than 5 ohms?

Yes
If the vehicle is equipped with an Accessory Protocol Interface Module (APIM), GO to X16.

If the vehicle is not equipped with an APIM, GO to X17.

No
CONNECT the negative battery cable. GO to X31.

-------------------------------------------------
X16 CHECK THE HS-CAN (+) AND HS-CAN (-) CIRCUITS FOR A SHORT TOGETHER WITH THE APIM DISCONNECTED


- Disconnect: APIM C3342.
- Measure the resistance between the DLC C251-6, circuit VDB04 (WH/BU), harness side and the DLC C251-14, circuit VDB05 (WH), harness side.




- Is the resistance less than 5 ohms?

Yes
GO to X17.

No
CONNECT the negative battery cable. GO to X32.

-------------------------------------------------
X17 CHECK THE HS-CAN (+) AND HS-CAN (-) CIRCUITS FOR A SHORT TOGETHER WITH THE IC DISCONNECTED


- Disconnect: IC C220.
- Measure the resistance between the DLC C251-6, circuit VDB04 (WH/BU), harness side and the DLC C251-14, circuit VDB05 (WH), harness side.




- Is the resistance less than 5 ohms?

Yes
If the vehicle is equipped with a Transmission Control Module (TCM), GO to X18.

If the vehicle is not equipped with a TCM, REPAIR the circuit. CONNECT all modules. CONNECT the negative battery cable. CLEAR the DTCs. REPEAT the network test with the scan tool.

No
CONNECT the negative battery cable. GO to X33.

-------------------------------------------------
X18 CHECK THE HS-CAN (+) AND HS-CAN (-) CIRCUITS FOR A SHORT TOGETHER WITH THE TCM DISCONNECTED


- Disconnect: TCM C1548.
- Measure the resistance between the DLC C251-6, circuit VDB04 (WH/BU), harness side and the DLC C251-14, circuit VDB05 (WH), harness side.




- Is the resistance less than 5 ohms?

Yes
REPAIR the circuit. CONNECT all modules. CONNECT the negative battery cable. CLEAR the DTCs. REPEAT the network test with the scan tool.

No
CONNECT the negative battery cable. GO to X34.

-------------------------------------------------
X19 CHECK THE HS-CAN (+) AND HS-CAN (-) CIRCUITS FOR A SHORT TO GROUND WITH THE PCM DISCONNECTED


- Disconnect: PCM C175b.
- Measure the resistance between the DLC C251-6, circuit VDB04 (WH/BU), harness side and ground; and between the DLC C251-14, circuit VDB05 (WH), harness side and ground.




- Is the resistance less than 5 ohms?

Yes
CONNECT the negative battery cable. GO to X27.

No
If the vehicle is equipped with a Vehicle Dynamics Module (VDM), GO to X20.

If the vehicle is not equipped with a VDM, GO to X21.

-------------------------------------------------
X20 CHECK THE HS-CAN (+) AND HS-CAN (-) CIRCUITS FOR A SHORT TO GROUND WITH THE VDM DISCONNECTED


- Disconnect: VDM C2131a.
- Measure the resistance between the DLC C251-6, circuit VDB04 (WH/BU), harness side and ground; and between the DLC C251-14, circuit VDB05 (WH), harness side and ground.




- Is the resistance less than 5 ohms?

Yes
CONNECT the negative battery cable. GO to X28.

No
GO to X21.

-------------------------------------------------
X21 CHECK THE HS-CAN (+) AND HS-CAN (-) CIRCUITS FOR A SHORT TO GROUND WITH THE ABS MODULE DISCONNECTED


- Disconnect: ABS Module C135.
- Measure the resistance between the DLC C251-6, circuit VDB04 (WH/BU), harness side and ground; and between the DLC C251-14, circuit VDB05 (WH), harness side and ground.




- Is the resistance less than 5 ohms?

Yes
CONNECT the negative battery cable. GO to X29.

No
If the vehicle is equipped with a 4X4 control module, GO to X22.

If the vehicle is not equipped with a 4X4 control module, GO to X23.

-------------------------------------------------
X22 CHECK THE HS-CAN (+) AND HS-CAN (-) CIRCUITS FOR A SHORT TO GROUND WITH THE 4X4 CONTROL MODULE DISCONNECTED


- Disconnect: 4X4 Control Module C281a.
- Measure the resistance between the DLC C251-6, circuit VDB04 (WH/BU), harness side and ground; and between the DLC C251-14, circuit VDB05 (WH), harness side and ground.




- Is the resistance less than 5 ohms?

Yes
CONNECT the negative battery cable. GO to X30.

No
GO to X23.

-------------------------------------------------
X23 CHECK THE HS-CAN (+) AND HS-CAN (-) CIRCUITS FOR A SHORT TO GROUND WITH THE RCM DISCONNECTED


- Disconnect: RCM C310b.
- Measure the resistance between the DLC C251-6, circuit VDB04 (WH/BU), harness side and ground; and between the DLC C251-14, circuit VDB05 (WH), harness side and ground.




- Is the resistance less than 5 ohms?

Yes
CONNECT the negative battery cable. GO to X31.

No
If the vehicle is equipped with an Accessory Protocol Interface Module (APIM), GO to X24.

If the vehicle is not equipped with an APIM, GO to X25.

-------------------------------------------------
X24 CHECK THE HS-CAN (+) AND HS-CAN (-) CIRCUITS FOR A SHORT TO GROUND WITH THE APIM DISCONNECTED


- Disconnect: APIM C3342.
- Measure the resistance between the DLC C251-6, circuit VDB04 (WH/BU), harness side and ground; and between the DLC C251-14, circuit VDB05 (WH), harness side and ground.




- Is the resistance less than 5 ohms?

Yes
CONNECT the negative battery cable. GO to X32.

No
GO to X25.

-------------------------------------------------
X25 CHECK THE HS-CAN (+) AND HS-CAN (-) CIRCUITS FOR A SHORT TO GROUND WITH THE IC DISCONNECTED


- Disconnect: IC C220.
- Measure the resistance between the DLC C251-6, circuit VDB04 (WH/BU), harness side and ground; and between the DLC C251-14, circuit VDB05 (WH), harness side and ground.




- Is the resistance less than 5 ohms?

Yes
CONNECT the negative battery cable. GO to X33.

No
If the vehicle is equipped with a Transmission Control Module (TCM), GO to X26.

If the vehicle is not equipped with a TCM, REPAIR the circuit. CONNECT all modules. CONNECT the negative battery cable. CLEAR the DTCs. REPEAT the network test with the scan tool.

-------------------------------------------------
X26 CHECK THE HS-CAN (+) AND HS-CAN (-) CIRCUITS FOR A SHORT TO GROUND WITH THE TCM DISCONNECTED


- Disconnect: TCM C1548.
- Measure the resistance between the DLC C251-6, circuit VDB04 (WH/BU), harness side and ground; and between the DLC C251-14, circuit VDB05 (WH), harness side and ground.




- Is the resistance less than 5 ohms?

Yes
CONNECT the negative battery cable. GO to X34.

No
REPAIR the circuit. CONNECT all modules. CONNECT the negative battery cable. CLEAR the DTCs. REPEAT the network test with the scan tool.

-------------------------------------------------
X27 CHECK FOR CORRECT PCM OPERATION


- Disconnect all the PCM connectors.
- Check for:
- corrosion
- damaged pins
- pushed-out pins
- Connect all the PCM connectors and make sure they seat correctly.
- Operate the system and verify the concern is still present.
- Is the concern still present?

Yes
INSTALL a new PCM. CONNECT all modules. CLEAR the DTCs. REPEAT the network test with the scan tool.

No
The system is operating correctly at this time. The concern may have been caused by a loose or corroded connector. CONNECT all modules. CLEAR the DTCs. REPEAT the network test with the scan tool.

-------------------------------------------------
X28 CHECK FOR CORRECT VDM OPERATION


- Disconnect all the VDM connectors.
- Check for:
- corrosion
- damaged pins
- pushed-out pins
- Connect all the VDM connectors and make sure they seat correctly.
- Operate the system and verify the concern is still present.
- Is the concern still present?

Yes
INSTALL a new VDM. CONNECT all modules. CLEAR the DTCs. REPEAT the network test with the scan tool.

No
The system is operating correctly at this time. The concern may have been caused by a loose or corroded connector. CONNECT all modules. CLEAR the DTCs. REPEAT the network test with the scan tool.

-------------------------------------------------
X29 CHECK FOR CORRECT ABS MODULE OPERATION


- Disconnect the ABS module connector.
- Check for:
- corrosion
- damaged pins
- pushed-out pins
- Connect the ABS module connector and make sure it seats correctly.
- Operate the system and verify the concern is still present.
- Is the concern still present?

Yes
INSTALL a new ABS module. CONNECT all modules. CLEAR the DTCs. REPEAT the network test with the scan tool.

No
The system is operating correctly at this time. The concern may have been caused by a loose or corroded connector. CONNECT all modules. CLEAR the DTCs. REPEAT the network test with the scan tool.

-------------------------------------------------
X30 CHECK FOR CORRECT 4X4 CONTROL MODULE OPERATION


- Disconnect all 4X4 control module connectors.
- Check for:
- corrosion
- damaged pins
- pushed-out pins
- Connect all 4X4 control module connectors and make sure they seat correctly.
- Operate the system and verify the concern is still present.
- Is the concern still present?

Yes
INSTALL a new 4X4 control module. CONNECT all modules. CLEAR the DTCs. REPEAT the network test with the scan tool.

No
The system is operating correctly at this time. The concern may have been caused by a loose or corroded connector. CONNECT all modules. CLEAR the DTCs. REPEAT the network test with the scan tool.

-------------------------------------------------
X31 CHECK FOR CORRECT RCM OPERATION


- Disconnect all the RCM connectors.
- Check for:
- corrosion
- damaged pins
- pushed-out pins
- Connect all the RCM connectors and make sure they seat correctly.
- Operate the system and verify the concern is still present.
- Is the concern still present?

Yes
INSTALL a new RCM. CONNECT all modules. CLEAR the DTCs. REPEAT the network test with the scan tool.

No
The system is operating correctly at this time. The concern may have been caused by a loose or corroded connector. CONNECT all modules. CLEAR the DTCs. REPEAT the network test with the scan tool.

-------------------------------------------------
X32 CHECK FOR CORRECT APIM OPERATION


- Disconnect the APIM connector.
- Check for:
- corrosion
- damaged pins
- pushed-out pins
- Connect the APIM connector and make sure it seats correctly.
- Verify the concern is still present.
- Is the concern still present?

Yes
INSTALL a new APIM. CONNECT all modules. CLEAR the DTCs. REPEAT the network test with the scan tool.

No
The system is operating correctly at this time. CONNECT all modules. The concern may have been caused by a loose or corroded connector. REPEAT the network test with the scan tool.

-------------------------------------------------
X33 CHECK FOR CORRECT IC OPERATION


- Disconnect the IC connector.
- Check for:
- corrosion
- damaged pins
- pushed-out pins
- Connect the IC connector and make sure it seats correctly.
- Verify the concern is still present.
- Is the concern still present?

Yes
INSTALL a new IC. CONNECT all modules. CLEAR the DTCs. REPEAT the network test with the scan tool.

No
The system is operating correctly at this time. The concern may have been caused by a loose or corroded connector. CONNECT all modules. CLEAR the DTCs. REPEAT the network test with the scan tool.

-------------------------------------------------
X34 CHECK FOR CORRECT TCM OPERATION


- Disconnect the TCM connector.
- Check for:
- corrosion
- damaged pins
- pushed-out pins
- Connect the TCM connector and make sure it seats correctly.
- Operate the system and verify the concern is still present.
- Is the concern still present?

Yes
INSTALL a new TCM. CONNECT all modules. CLEAR the DTCs. REPEAT the network test with the scan tool.

No
The system is operating correctly at this time. The concern may have been caused by a loose or corroded connector. CONNECT all modules. CLEAR the DTCs. REPEAT the network test with the scan tool.

-------------------------------------------------