Operation CHARM: Car repair manuals for everyone.
Manuals through 2025 now available!

Our trusted friends have launched a new website named LEMON, which has newer manuals. It also contains all the CHARM manuals.

LEMON is the spiritual successor to CHARM, I recommend you try it!

Link: lemon-manuals.la or lemon-manuals.org.ua

(Some people have issue connecting. LEMON is investigating. For now, use Firefox or change your DNS server)

Or, hide this message: temporarily or permanently

Ignition Switch: Service and Repair




Ignition Switch

Power Tilt Column










Manual Tilt Column









All vehicles

1. Depower the Supplemental Restraint System (SRS). For additional information, refer to Air Bag Systems.

2. Remove the steering column shroud.

Vehicles with manual tilt

3. Position the steering column in the full down position.

4. Remove the steering wheel.

All vehicles

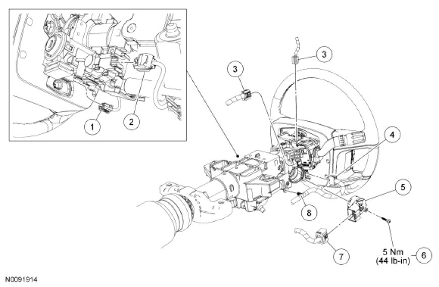
5. Detach the wiring harness retainer from the steering column.

6. Disconnect the following electrical connectors.
- Multifunction switch (2)

- Clockspring

- Passive Anti-Theft System (PATS) connector

- Key release interlock actuator (if equipped)

7. Disconnect the ignition switch electrical connector.

Vehicles with manual tilt

8. Remove the 3 bolts and the multifunction switch carrier.

All vehicles

9. Remove the screw and the ignition switch.
- To install, tighten to 5 Nm (44 lb-in).

10. NOTICE: Make sure the electrical wiring harness is routed correctly and secured to the steering column or damage to the wires and/or connectors may occur.

To install, reverse the removal procedure.

11. Repower the SRS. For additional information, refer to Air Bag Systems.