Operation CHARM: Car repair manuals for everyone.
Manuals through 2025 now available!

Our trusted friends have launched a new website named LEMON, which has newer manuals. It also contains all the CHARM manuals.

LEMON is the spiritual successor to CHARM, I recommend you try it!

Link: lemon-manuals.la or lemon-manuals.org.ua

(Some people have issue connecting. LEMON is investigating. For now, use Firefox or change your DNS server)

Or, hide this message: temporarily or permanently

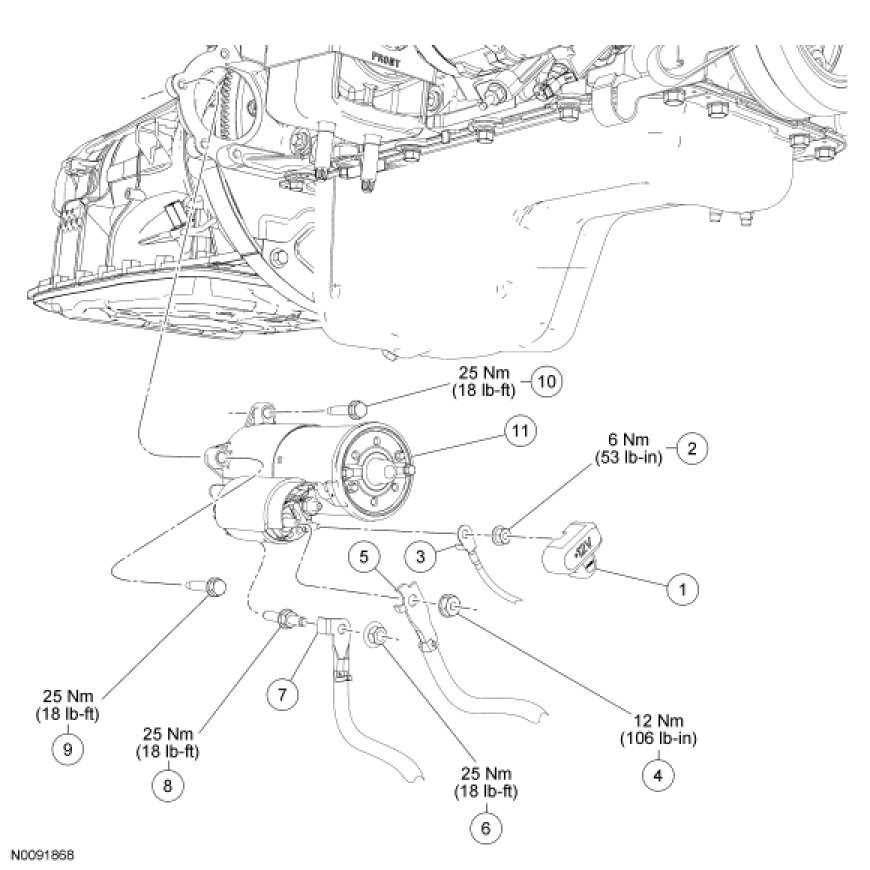
Starter Motor: Service and Repair




Starter Motor









Removal

WARNING: Always disconnect the battery ground cable at the battery before disconnecting the starter motor battery terminal lead. If a tool is shorted at the starter motor battery terminal, the tool can quickly heat enough to cause a skin burn. Failure to follow this instruction may result in serious personal injury.

1. With the vehicle in NEUTRAL, position it on a hoist.

2. Disconnect the battery ground cable.

3. Remove the starter terminal cover and remove the nut and the solenoid S-terminal electrical connection.

4. Remove the nut and the solenoid B-terminal electrical connection.

5. Remove the nut and the starter battery ground cable from the stud.

6. Remove the 2 bolts, the stud bolt and the starter motor.

Installation

1. Position the starter and install the 2 bolts and the stud bolt in 3 stages.
- Stage 1: Install the 2 starter bolts and the stud bolt finger-tight.

- Stage 2: Tighten the upper bolt to 25 Nm (18 lb-ft).

- Stage 3: Tighten the lower bolt and stud bolt to 25 Nm (18 lb-ft).

2. Position the starter battery ground cable onto the stud and install the nut.
- Tighten to 25 Nm (18 lb-ft).

3. Connect the solenoid B-terminal electrical connection and install the nut.
- Tighten to 12 Nm (106 lb-in).

4. Connect the solenoid S-terminal electrical connection and install the nut and the starter terminal cover.
- Tighten to 6 Nm (53 lb-in).

5. Connect the battery ground cable.