Operation CHARM: Car repair manuals for everyone.
Manuals through 2025 now available!

Our trusted friends have launched a new website named LEMON, which has newer manuals. It also contains all the CHARM manuals.

LEMON is the spiritual successor to CHARM, I recommend you try it!

Link: lemon-manuals.la or lemon-manuals.org.ua

(Some people have issue connecting. LEMON is investigating. For now, use Firefox or change your DNS server)

Or, hide this message: temporarily or permanently

Automatic Transmission/Transaxle: Adjustments




Selector Lever Cable Adjustment

1. With the vehicle in NEUTRAL, position the vehicle on a hoist.

2. Place the selector lever in the DRIVE position.

3. If equipped, remove the heat shield.





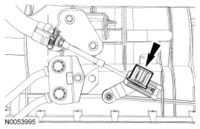
4. NOTICE: To prevent selector lever cable damage, do not apply force to the selector lever cable between the manual control lever and the selector lever cable bracket.

Disconnect the selector lever cable from the manual control lever.





5. NOTE: Make sure the cable moves freely.

Unlock the lock tab on the selector lever cable.





6. Place the manual control lever in the DRIVE position.
- Place the manual control lever in the 1st gear position.

- Move the manual control lever 3 detents to the DRIVE position.





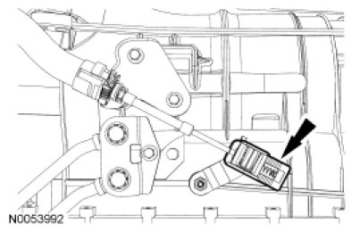
7. NOTE: When installing the selector lever cable end, make sure that the selector lever cable end is correctly installed onto the manual control lever ball stud. Pull back on the selector lever cable to make sure that the selector cable end is correctly installed onto the manual control lever ball stud.

NOTE: Apply pressure to the selector lever cable end while connecting it to the manual control lever to make sure the selector lever has not moved out of the DRIVE position.

Connect the selector lever cable to the manual control lever ball stud.

- Listen for the audible click.

- Pull back on the selector lever cable to make sure that the selector lever cable is correctly installed.





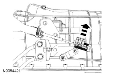
8. Lock the selector lever cable lock tab.





9. NOTE: Install a new heat shield if it is loose on the cable.

If equipped, install the heat shield.





10. Carefully move the manual control lever from detent to detent and compare with transmission settings. Verify that the vehicle will start in PARK or NEUTRAL and backup lamps illuminate in REVERSE. If not, Steps 1 through 9 must be repeated.
- Readjust if necessary.