Operation CHARM: Car repair manuals for everyone.
Manuals through 2025 now available!

Our trusted friends have launched a new website named LEMON, which has newer manuals. It also contains all the CHARM manuals.

LEMON is the spiritual successor to CHARM, I recommend you try it!

Link: lemon-manuals.la or lemon-manuals.org.ua

(Some people have issue connecting. LEMON is investigating. For now, use Firefox or change your DNS server)

Or, hide this message: temporarily or permanently

Pinpoint Test I: The Defrost System Is Inoperative




Glass, Frames and Mechanisms

Pinpoint Tests

Pinpoint Test I: The Defrost System is Inoperative

Refer to Wiring Diagram Set 56, Heated Window for schematic and connector information. Diagrams By Number

Normal Operation

With the engine running, the HVAC module activates the rear window defrost relay by grounding the relay coil through circuit CH122 (WH/OG). When the defrost relay is activated, power is supplied from the relay to the rear window defrost grid through circuit CRD06 (BN/YE) and also to the LH/RH exterior rear view mirror heaters through circuit CBB23 (BN/YE). Ground is supplied to the rear window defrost grid and exterior mirror heaters through circuit GD150 (BK/WH).

This pinpoint test is intended to diagnose the following:
- Fuse(s)
- Rear window defrost relay
- Wiring, terminals or connectors
- HVAC module
- Open or short in rear window defrost grid



PINPOINT TEST I: THE DEFROST SYSTEM IS INOPERATIVE

-------------------------------------------------
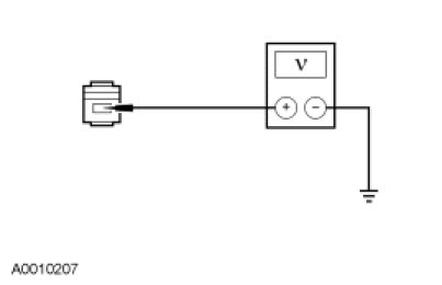
I1 CHECK THE REAR WINDOW DEFROST GRID VOLTAGE


- Disconnect: Rear Window Defrost Grid Power C402A.
- Start the engine.
- Activate the rear defrost switch and measure the voltage between rear window defrost grid power C402A, circuit CRD06 (BN/YE) and ground.




- Is the voltage greater than 10 volts?

Yes
GO to I2.

No
GO to I3.

-------------------------------------------------
I2 CHECK THE REAR WINDOW DEFROST GRID GROUND


- Ignition OFF.
- Disconnect: Rear Window Defrost Grid Ground C402B.
- Measure the resistance between rear window defrost grid ground C402B, circuit GD150 (BK/WH) and ground.




- Is the resistance less than 5 ohms?

Yes
CARRY OUT the Grid Wire Test. REPAIR the rear window defrost grid or INSTALL a new liftgate glass. REFER to Window Grid Wire Repair Window Grid Wire Repair. TEST the system for normal operation. Component Tests and General Diagnostics

No
REPAIR the circuit. TEST the system for normal operation.

-------------------------------------------------
I3 CHECK THE POWER TO THE RELAY


- Ignition OFF.
- Disconnect: Rear Window Defrost Relay.
- Ignition ON.
- Measure the voltage between rear window defrost relay socket pin 1, circuit SBB52 (GN/WH), harness side and pin 3, circuit SBB51 (BU/RD), harness side and ground.




- Is the voltage greater than 10 volts?

Yes
GO to I4.

No
VERIFY Battery Junction Box (BJB) fuse 51 (40A) and fuse 52 (10A) are OK. If OK, REPAIR the circuit. TEST the system for normal operation.

If not OK, REFER to the Wiring Diagrams to identify the possible causes of the circuit short. REPAIR the circuit. TEST the system for normal operation.

-------------------------------------------------
I4 CHECK THE HVAC MODULE OUTPUT


- Start the engine.
- Activate the rear defrost switch and measure the resistance between rear window defrost relay socket pin 2, circuit CH122 (WH/OG), harness side and ground.




- Is the resistance less than 60 ohms?

Yes
INSTALL a new rear window defrost relay. TEST the system for normal operation.

No
GO to I5.

-------------------------------------------------
I5 CHECK CIRCUIT CH122 (WH/OG) FOR AN OPEN


- Ignition OFF.
- Disconnect: HVAC Module - Electronic Automatic Temperature Control (EATC) C228B or HVAC Module - Electronic Manual Temperature Control (EMTC) C2357B.
- Measure the resistance between rear window defrost relay socket pin 2, circuit CH122 (WH/OG), harness side and C228B-23 (HVAC module - EATC) or C2357B-23 (HVAC module - EMTC) circuit CH122 (WH/OG), harness side.




- Is the resistance less than 5 ohms?

Yes
GO to I6.

No
REPAIR the circuit. TEST the system for normal operation.

-------------------------------------------------
I6 CHECK FOR CORRECT HVAC MODULE


- Disconnect all HVAC module connectors.
- Check for:
- corrosion.
- pushed-out pins.
- Connect all HVAC module connectors and make sure they seat correctly.
- Operate the system and verify the concern is still present.
- Is the concern still present?

Yes
INSTALL a new HVAC module. TEST the system for normal operation.

No
The system is operating correctly at this time. Concern may have been caused by a loose or corroded connector. TEST the system for normal operation.

-------------------------------------------------