Operation CHARM: Car repair manuals for everyone.
Manuals through 2025 now available!

Our trusted friends have launched a new website named LEMON, which has newer manuals. It also contains all the CHARM manuals.

LEMON is the spiritual successor to CHARM, I recommend you try it!

Link: lemon-manuals.la or lemon-manuals.org.ua

(Some people have issue connecting. LEMON is investigating. For now, use Firefox or change your DNS server)

Or, hide this message: temporarily or permanently

Pinpoint Test V: The Auxiliary Temperature Control Is Inoperative/Does Not Operate Correctly Using The Front/Rear Auxiliary Cli




Climate Control System

Pinpoint Tests

Pinpoint Test V: The Auxiliary Temperature Control is Inoperative/Does Not Operate Correctly Using the Front/Rear Auxiliary Climate Controls

Refer to Wiring Diagram Set 52, Auxiliary Climate Control for schematic and connector information. Diagrams By Number

Refer to Wiring Diagram Set 54, Manual Climate Control System for schematic and connector information. Diagrams By Number

Refer to Wiring Diagram Set 55, Automatic Climate Control System for schematic and connector information. Diagrams By Number

Normal Operation

Under normal operation, to rotate the auxiliary temperature blend door actuator, the HVAC module supplies voltage and ground to the auxiliary temperature blend door actuators through the door actuator motor circuits. To reverse the auxiliary temperature blend door actuator rotation, the HVAC module reverses the voltage and ground circuits.

The auxiliary temperature blend door actuator feedback resistor is supplied a ground from the HVAC module and a 5-volt reference voltage on the auxiliary temperature blend door actuator reference circuits. The HVAC module reads the voltage on the auxiliary temperature blend door actuator feedback circuits to determine the auxiliary temperature blend door actuator position by the position of the actuator feedback resistor wiper arm.

The rear auxiliary control is supplied a 5-volt reference and ground from the HVAC module. When the rear mode/temperature control is adjusted, the HVAC module reads the voltage on the rear mode/temperature control feedback circuits to determine the requested temperature setting.

During an actuator calibration cycle, the HVAC module drives the auxiliary temperature blend door until the door reaches both internal stops in the HVAC case. If the auxiliary temperature blend door is temporarily obstructed or binding during a calibration cycle, the HVAC module may interpret this as the actual end of travel for the door. When this condition occurs and the HVAC module commands the actuator to its end of travel, the airflow may not be from the expected outlets.

- DTC B2916 (Rear Blend Door Circuit Failure) - The module senses an open/short in the feedback circuit or no change in actuator feedback voltage when the actuator motor has been energized.

This pinpoint test is intended to diagnose the following:
- Wiring, terminals or connectors
- Auxiliary temperature blend door actuator
- HVAC module
- Stuck or bound linkage or door



PINPOINT TEST V: THE AUXILIARY TEMPERATURE CONTROL IS INOPERATIVE/DOES NOT OPERATE CORRECTLY USING THE FRONT/REAR AUXILIARY CLIMATE CONTROLS

-------------------------------------------------
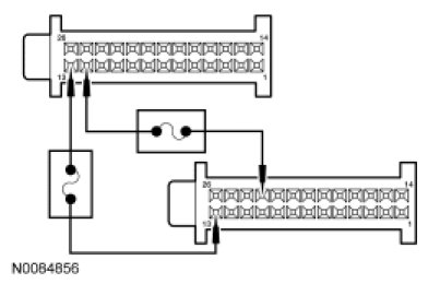
V1 CHECK THE FEEDBACK POTENTIOMETER TOTAL RESISTANCE


- Disconnect: HVAC Module - Dual Automatic Temperature Control (DATC) C228A or HVAC Module - Electronic Manual Temperature Control (EMTC) C2357A.
- Disconnect: HVAC Module - DATC C228B or HVAC Module - EMTC C2357B.
- Measure the resistance between:
- (For EMTC systems) HVAC module - EMTC C2357A-11, circuit LH111 (BN/WH), harness side and HVAC module - EMTC C2357A-10, circuit RH111 (GY/BU), harness side.
- (For DATC systems) HVAC module - DATC C228A-11, circuit LH111 (BN/WH), harness side and HVAC module - DATC C228A-10, circuit RH111 (GY/BU), harness side.




- Is the resistance greater than 500 ohms?

Yes
GO to V2.

No
CARRY OUT the Auxiliary Temperature Door Actuator component test. If a new actuator is installed, CONNECT the actuator electrical connector before the HVAC module connector(s). This will allow the new actuator to be calibrated when the HVAC module is reconnected. If the actuator tests OK, REPAIR circuits LH111 (BN/WH) and RH111 (GY/BU) for a short together. CLEAR the DTCs. REPEAT the self-test. TEST the system for normal operation. Auxiliary Temperature Door Actuator

-------------------------------------------------
V2 CHECK THE POTENTIOMETER LOW- AND HIGH-SIDE RESISTANCE


- Measure the low-side resistance between:
- (For EMTC systems) HVAC module - EMTC C2357A-10, circuit RH111 (GY/BU), harness side and HVAC module - EMTC C2357B-18, circuit VH439 (GY/VT), harness side.
- (For DATC systems) HVAC module - DATC C228A-10, circuit RH111 (GY/BU), harness side and HVAC module - DATC C228B-18, circuit VH439 (GY/VT), harness side.




- Measure the high-side resistance between:
- (For EMTC systems) HVAC module - EMTC C2357A-11, circuit LH111 (BN/WH), harness side or HVAC module - EMTC C2357B-18, circuit VH439 (GY/VT), harness side.
- (For DATC systems) HVAC module - DATC C228A-11, circuit LH111 (BN/WH), harness side and HVAC module - DATC C228B-18, circuit VH439 (GY/VT), harness side.




- Is the resistance between 250 and 10,250 ohms?

Yes
GO to V3.

No
CARRY OUT the Auxiliary Temperature Door Actuator component test. If a new actuator is installed, CONNECT the actuator electrical connector before the HVAC module connector(s). This will allow the new actuator to be calibrated when the HVAC module is reconnected. If the actuator tests OK and: Auxiliary Temperature Door Actuator

If the low-side resistance only is greater than 10,250 ohms, REPAIR circuit RH111 (GY/BU) for an open. CLEAR the DTCs. REPEAT the self-test. TEST the system for normal operation.

If the low-side resistance only is less than 250 ohms, REPAIR circuits VH439 (GY/VT) and RH111 (GY/BU) for a short together. CLEAR the DTCs. REPEAT the self-test. TEST the system for normal operation.

If the high-side resistance only is greater than 10,250 ohms, REPAIR circuit LH111 (BN/WH) for an open. CLEAR the DTCs. REPEAT the self-test. TEST the system for normal operation.

If thehigh-side resistance only is less than 250 ohms, REPAIR circuits VH439 (GY/VT) and LH111 (BN/WH) for a short together. CLEAR the DTCs. REPEAT the self-test. TEST the system for normal operation.

If both thehigh-side and low-side resistance is greater than 10,250 ohms, REPAIR circuit VH439 (GY/VT) for an open. CLEAR the DTCs. REPEAT the self-test. TEST the system for normal operation.

-------------------------------------------------
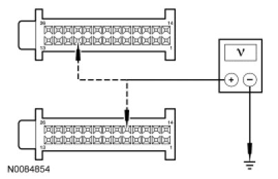
V3 CHECK CIRCUITS RH111 (GY/BU) AND VH439 (GY/VT) FOR A SHORT TO POWER


- Ignition ON.
- Measure the voltage between ground and the following:
- HVAC module - DATC C228A-10 or HVAC module - EMTC C2357A-10, circuit RH111 (GY/BU), harness side.
- HVAC module - DATC C228B-18 or HVAC module - EMTC C2357B-18, circuit VH439 (GY/VT), harness side.




- Are any voltages present?

Yes
REPAIR circuit RH111 (GY/BU) or VH439 (GY/VT) for a short to power. CLEAR the DTCs. REPEAT the self-test. TEST the system for normal operation.

No
GO to V4.

-------------------------------------------------
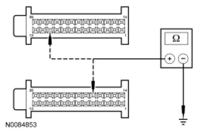
V4 CHECK CIRCUITS LH111 (BN/WH) AND VH439 (GY/VT) FOR A SHORT TO GROUND


- Ignition OFF.
- Measure the resistance between ground and the following:
- HVAC module - DATC C228A-11 or HVAC module - EMTC C2357A-11, circuit LH111 (BN/WH), harness side.
- HVAC module - DATC C228B-18 or HVAC module - EMTC C2357B-18, circuit VH439 (GY/VT), harness side.




- Are the resistances greater than 10,000 ohms?

Yes
For EMTC systems, GO to V5.

For DATC systems, GO to V6.

No
REPAIR circuit LH111 (BN/WH) or VH439 (GY/VT) for a short to ground. CLEAR the DTCs. REPEAT the self-test. TEST the system for normal operation.

-------------------------------------------------
V5 CHECK THE DOOR ACTUATOR OPERATION


NOTE: If a jumper fuse opens while carrying out this test step, repair the circuit(s) for a short.

- With the fused jumper connections made as directed below, measure the resistance between HVAC module - EMTC C2357A-10, circuit RH111 (GY/BU), harness side and HVAC module - EMTC C2357B-18, circuit VH439 (GY/VT), harness side.




- Connect a fused jumper wire between:
- HVAC module - EMTC C2357A-13, circuit SBP15 (WH/RD), harness side and HVAC module - EMTC C2357B-13, circuit CH233 (VT/BN), harness side.
- HVAC module - EMTC C2357A-23, circuit GD133 (BK), harness side and HVAC module - EMTC C2357B-12, circuit CH234 (YE/GN), harness side.




- Remove the fused jumpers.
- Connect a fused jumper wire between:
- HVAC module - EMTC C2357A-23, circuit GD133 (BK), harness side and HVAC module - EMTC C2357B-13, circuit CH233 (VT/BN), harness side.
- HVAC module - EMTC C2357A-13, circuit SBP15 (WH/RD), harness side and HVAC module - EMTC C2357B-12, circuit CH234 (YE/GN), harness side.




- Does the resistance smoothly increase and/or decrease when the jumpers are connected?

Yes
INSPECT for broken door and linkage. REPAIR as necessary. If no condition is found, GO to V8.

No
GO to V7.

-------------------------------------------------
V6 CHECK THE DOOR ACTUATOR OPERATION


NOTE: If a jumper fuse opens while carrying out this test step, repair the circuit(s) for a short.

- With the fused jumper connections made as directed below, measure the resistance between HVAC module - DATC C228A-10, circuit RH111 (GY/BU), harness side and HVAC module - DATC C228B-18, circuit VH439 (GY/VT), harness side.




- Connect a fused jumper wire between:
- HVAC module - DATC C228A-13, circuit SBP15 (WH/RD), harness side and HVAC module - DATC C228B-13, circuit CH233 (VT/BN), harness side.
- HVAC module - DATC C228A-23, circuit GD133 (BK), harness side and HVAC module - DATC C228B-12, circuit CH234 (YE/GN), harness side.




- Remove the fused jumpers.
- Connect a fused jumper wire between:
- HVAC module - DATC C228A-23, circuit GD133 (BK), harness side and HVAC module - DATC C228B-13, circuit CH233 (VT/BN), harness side.
- HVAC module - DATC C228A-13, circuit SBP15 (WH/RD), harness side and HVAC module - DATC C228B-12, circuit CH234 (YE/GN), harness side.




- Does the resistance smoothly increase and/or decrease when the jumpers are connected?

Yes
INSPECT for broken door and linkage. REPAIR as necessary. If no condition is found, GO to V8.

No
GO to V7.

-------------------------------------------------
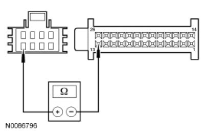
V7 CHECK THE ACTUATOR MOTOR DRIVE CIRCUITS FOR AN OPEN


NOTE: Access to the connector in the following step is difficult. Before performing this step, visually inspect the actuator and its harness for obvious damage. If no damage is evident, proceed with the test.

- Disconnect: Auxiliary Temperature Door Actuator C3004 (Expedition/Navigator) or C4341 (Expedition EL/Navigator L).

For Expedition/Navigator only




- For Expedition/Navigator only, measure the resistance between:
- (For EMTC systems) HVAC module - EMTC C2357B-13, circuit CH233 (VT/BN), harness side and auxiliary temperature door actuator C3004-8, circuit CH233 (VT/BN), harness side.
- (For DATC systems) HVAC module - DATC C228B-13, circuit CH233 (VT/BN), harness side and auxiliary temperature door actuator C3004-8, circuit CH233 (VT/BN), harness side.

For Expedition/Navigator only




- For Expedition/Navigator only, measure the resistance between:
- (For EMTC systems) HVAC module - EMTC C2357B-12, circuit CH234 (YE/GN), harness side and auxiliary temperature door actuator C3004-7, circuit CH234 (YE/GN), harness side.
- (For DATC systems) HVAC module - DATC C228B-12, circuit CH234 (YE/GN), harness side and auxiliary temperature door actuator C3004-7, circuit CH234 (YE/GN), harness side.

For Expedition EL/Navigator L only




- For Expedition EL/Navigator L only, measure the resistance between:
- (For EMTC systems) HVAC module - EMTC C2357B-13, circuit CH233 (VT/BN), harness side and auxiliary temperature door actuator C4341-6, circuit CH233 (VT/BN), harness side.
- (For DATC systems) HVAC module - DATC C228B-13, circuit CH233 (VT/BN), harness side and auxiliary temperature door actuator C4341-6, circuit CH233 (VT/BN), harness side.

For Expedition EL/Navigator L only




- For Expedition EL/Navigator L only, measure the resistance between:
- (For EMTC systems) HVAC module - EMTC C2357B-12, circuit CH234 (YE/GN), harness side and auxiliary temperature door actuator C4341-1, circuit CH234 (YE/GN), harness side.
- (For DATC systems) HVAC module - DATC C228B-12, circuit CH234 (YE/GN), harness side and auxiliary temperature door actuator C4341-1, circuit CH234 (YE/GN), harness side.
- Are the resistances less than 5 ohms?

Yes
INSPECT for binding or broken linkage. REPAIR as necessary. If no condition is found, INSTALL a new door actuator. TEST the system for normal operation.

No
REPAIR circuit CH233 (VT/BN) or CH234 (YE/GN) for an open. CLEAR the DTCs. REPEAT the self-test. TEST the system for normal operation.

-------------------------------------------------
V8 CHECK THE HVAC MODULE CONNECTION


- Inspect the HVAC module connectors for:
- corrosion.
- pushed-out terminals.
- damaged terminals.
- Connect and correctly seat all the HVAC module connectors.
- Clear the DTCs.
- Operate the system and verify the concern is still present.
- Is the concern still present?

Yes
INSTALL a new HVAC module. TEST the system for normal operation.

No
The system is operating correctly at this time. The concern may have been caused by a loose or corroded connector. CLEAR the DTCs. REPEAT the self-test. TEST the system for normal operation.

-------------------------------------------------