Operation CHARM: Car repair manuals for everyone.
Manuals through 2025 now available!

Our trusted friends have launched a new website named LEMON, which has newer manuals. It also contains all the CHARM manuals.

LEMON is the spiritual successor to CHARM, I recommend you try it!

Link: lemon-manuals.la or lemon-manuals.org.ua

(Some people have issue connecting. LEMON is investigating. For now, use Firefox or change your DNS server)

Or, hide this message: temporarily or permanently

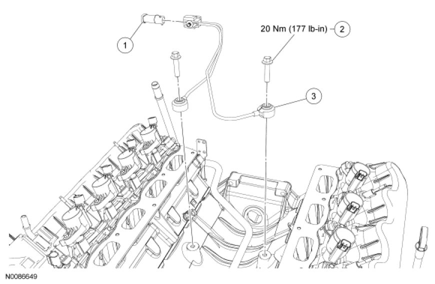
Knock Sensor: Service and Repair




Knock Sensor (KS) - 4.6L (3V)









Removal and Installation

1. Remove the intake manifold.

2. Disconnect the Knock Sensor (KS) electrical connector.

3. Remove the bolts and the KS.
- To install, tighten to 20 Nm (177 lb-in).

4. To install, reverse the removal procedure.