Information Bus: Description and Operation
Communications Network
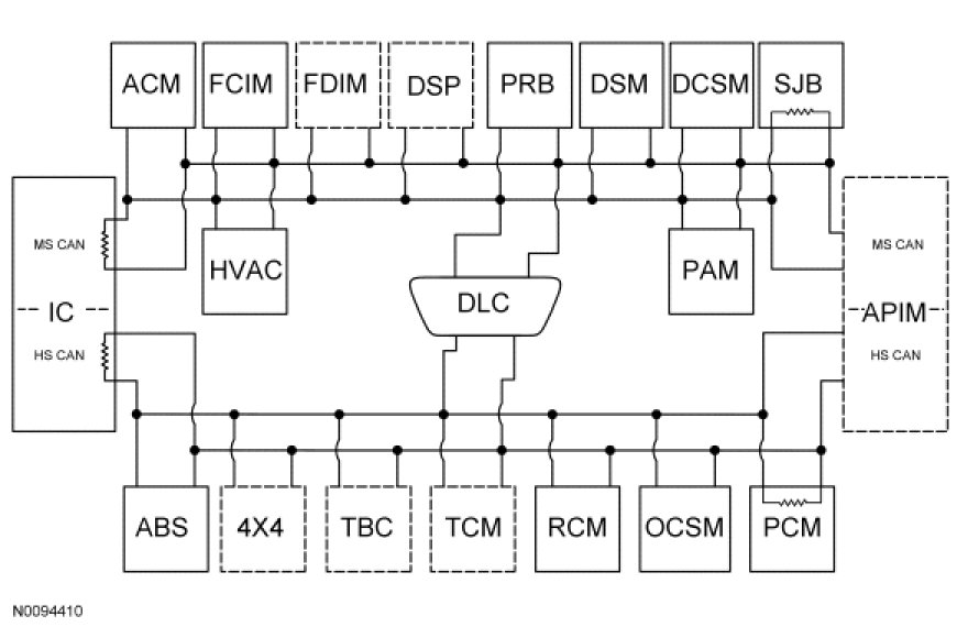
NOTE: The Smart Junction Box (SJB) is also known as the Generic Electronic Module (GEM).
Multiplexing is a method of sending 2 or more signals simultaneously over a single circuit. Multiplexing is used to allow 2 or more electronic modules (nodes) to communicate simultaneously over a twisted-wire pair [data (+) and data (-)] network. The information or messages that can be communicated on these wires consists of commands, status or data. The advantage of using multiplexing is to reduce the weight of the vehicle by reducing the number of redundant components and electrical wiring.
The vehicle has 2 module communication networks which are connected to the Data Link Connector (DLC), located under the driver side instrument panel:
- High Speed Controller Area Network (HS-CAN)
- Medium Speed Controller Area Network (MS-CAN)
The HS-CAN and MS-CAN are defined by various ISO documents:
- ISO 11898 specifies the electrical, mechanical, and procedural interface for Controller Area Network (CAN) serial communication technology.
- ISO 15765 specifies network-layer protocol and timing parameters for CAN-based systems.
- ISO 14229 specifies a common set of unified diagnostics and changes the way PIDs, DTCs and active commands are processed and displayed on the scan tool.
Network Topology
Network Termination And Gateway Function
The CAN uses 120 ohm resistors across the data (+) and data (-) at each end of the network main circuit branch, or "backbone", to improve communication reliability. Typically, the 2 termination resistors are located inside modules referred to as "termination modules". With 2 termination modules on each network, the 120 ohm resistors are arranged in a parallel circuit configuration which makes the total network impedance, or total resistance, 60 ohms.
Network termination improves bus message reliability by:
- stabilizing bus voltage.
- eliminating electrical interference.
The Instrument Cluster (IC) is the gateway module, translating messages on the HS-CAN to MS-CAN and vice versa. This function allows a message to be distributed throughout both networks.