Operation CHARM: Car repair manuals for everyone.
Manuals through 2025 now available!

Our trusted friends have launched a new website named LEMON, which has newer manuals. It also contains all the CHARM manuals.

LEMON is the spiritual successor to CHARM, I recommend you try it!

Link: lemon-manuals.la or lemon-manuals.org.ua

(Some people have issue connecting. LEMON is investigating. For now, use Firefox or change your DNS server)

Or, hide this message: temporarily or permanently

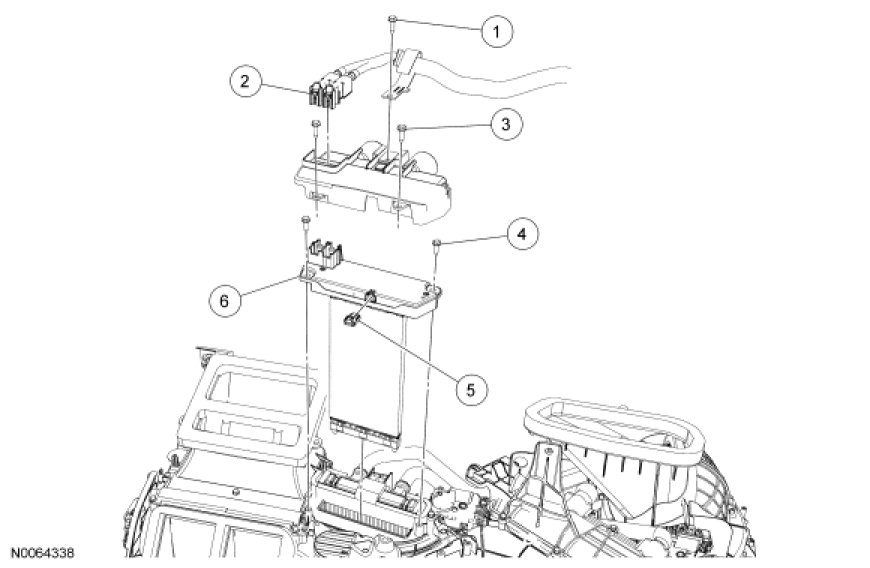
Auxiliary Cabin Heater Control Module: Service and Repair




Auxiliary Heater Control Module (AHCM)









Removal and Installation

1. Remove the instrument panel.

2. Remove the electric heater battery cable bracket screw.

3. Disconnect the 2 electric heater battery cable connectors.

4. Remove the 2 heater core cover screws and the heater core cover.

5. Remove the 2 Auxiliary Heater Control Module (AHCM) screws.

6. Disconnect the AHCM electrical connector.

7. Remove the AHCM.

8. To install, reverse the removal procedure.