Operation CHARM: Car repair manuals for everyone.
Manuals through 2025 now available!

Our trusted friends have launched a new website named LEMON, which has newer manuals. It also contains all the CHARM manuals.

LEMON is the spiritual successor to CHARM, I recommend you try it!

Link: lemon-manuals.la or lemon-manuals.org.ua

(Some people have issue connecting. LEMON is investigating. For now, use Firefox or change your DNS server)

Or, hide this message: temporarily or permanently

Pinpoint Test T: No High Speed Controller Area Network (HS-CAN) Communication, All Modules Are Not Responding




Communications Network

Pinpoint Tests

Pinpoint Test T: No High Speed Controller Area Network (HS-CAN) Communication, All Modules Are Not Responding

Refer to Wiring Diagram Set 14, Module Communications Network for schematic and connector information. Diagrams By Number

Refer to Wiring Diagram Set 24, Electronic Engine Controls - 5.4L for schematic and connector information. Diagrams By Number

Refer to Wiring Diagram Set 25, Electronic Engine Controls - 6.8L for schematic and connector information. Diagrams By Number

Refer to Wiring Diagram Set 26, Electronic Engine Controls - 6.4L Diesel for schematic and connector information. Diagrams By Number

Normal Operation

The High Speed Controller Area Network (HS-CAN) uses an unshielded twisted pair cable circuits VDB04 (WH/BU) and VDB05 (WH).

This pinpoint test is intended to diagnose the following:

- Fuse
- Wiring, terminals or connectors
- ABS module
- Instrument Cluster (IC)
- Accessory Protocol Interface Module (APIM)
- PCM
- Restraints Control Module (RCM)
- Auxiliary Heater Control Module (AHCM) (diesel engine only, if equipped)
- Trailer Brake Control (TBC) module (if equipped)
- Transmission Control Module (TCM) (diesel engine only, if equipped)
- Electronic Variable Response Turbocharger (EVRT) actuator (diesel engine only)



PINPOINT TEST T: NO HS-CAN COMMUNICATION, ALL MODULES ARE NOT RESPONDING

NOTICE: Use the correct probe adapter(s) when making measurements. Failure to use the correct probe adapter(s) may damage the connector.

NOTE: Most faults are due to connector and/or wiring concerns. Carry out a thorough inspection and verification before proceeding with the pinpoint test. Inspection and Verification

NOTE: Failure to disconnect the battery when instructed will result in false resistance readings.

-------------------------------------------------
T1 CHECK THE DLC PINS FOR DAMAGE


- Ignition OFF.
- Disconnect the scan tool cable from the Data Link Connector (DLC).
- Inspect DLC pins 6 and 14 for damage.




- Are DLC pins 6 and 14 OK?

Yes
GO to T2.

No
REPAIR the DLC as necessary. CLEAR the DTCs. REPEAT the network test with the scan tool.

-------------------------------------------------
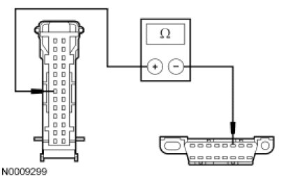
T2 CHECK THE HS-CAN TERMINATION RESISTANCE


- Ignition OFF.
- Disconnect: Negative Battery Cable.
- Measure the resistance between the DLC C251-6, circuit VDB04 (WH/BU), harness side and the DLC C251-14, circuit VDB05 (WH), harness side.




- Is the resistance between 54 and 66 ohms?

Yes
GO to T3.

No
GO to T5.

-------------------------------------------------
T3 CHECK THE HS-CAN (+) AND HS-CAN (-) CIRCUITS FOR A SHORT TO GROUND


- Measure the resistance between the DLC C251-6, circuit VDB04 (WH/BU), harness side and ground; and between the DLC C251-14, circuit VDB05 (WH), harness side and ground.




- Are the resistances greater than 1,000 ohms?

Yes
CONNECT the negative battery cable. GO to T4.

No
GO to T21.

-------------------------------------------------
T4 CHECK THE HS-CAN (+) AND HS-CAN (-) CIRCUITS FOR A SHORT TO VOLTAGE


- Ignition ON.
- Measure the voltage between the DLC C251-6, circuit VDB04 (WH/BU), harness side and ground; and between the DLC C251-14, circuit VDB05 (WH), harness side and ground.




- Is the voltage greater than 6 volts?

Yes
REPAIR the circuit. CLEAR the DTCs. REPEAT the network test with the scan tool.

No
The HS-CAN has tested within specifications. Go To Pinpoint Test S to test for an intermittent network fault condition. Pinpoint Test S: Intermittent No High Speed Controller Area Network (HS-CAN) Communication, One Or More Modules Are Not Respond

-------------------------------------------------
T5 CHECK THE HS-CAN TERMINATION RESISTOR


- Measure the resistance between the DLC C251-6, circuit VDB04 (WH/BU), harness side and the DLC C251-14, circuit VDB05 (WH), harness side.




- Is the resistance between 108 and 132 ohms?

Yes
GO to T6.

No
GO to T9.

-------------------------------------------------
T6 CHECK THE HS-CAN TERMINATION RESISTOR WITH THE PCM DISCONNECTED


- Disconnect: PCM C175b (Gasoline Engine) or C1232b (Diesel Engine).
- Measure the resistance between the DLC C251-6, circuit VDB04 (WH/BU), harness side and the DLC C251-14, circuit VDB05 (WH), harness side.




- Is the resistance between 108 and 132 ohms?

Yes
GO to T7.

No
GO to T8.

-------------------------------------------------
T7 CHECK THE HS-CAN CIRCUITS BETWEEN THE PCM AND THE DLC FOR AN OPEN


- For gasoline engines, measure the resistance between the PCM C175b-11, circuit VDB04 (WH/BU), harness side and the DLC C251-6, circuit VDB04 (WH/BU), harness side.




- For gasoline engines, measure the resistance between the PCM C175b-23, circuit VDB05 (WH), harness side and the DLC C251-14, circuit VDB05 (WH), harness side.




- For diesel engines, measure the resistance between the PCM C1232b-34, circuit VDB04 (WH/BU), harness side and the DLC C251-6, circuit VDB04 (WH/BU), harness side.




- For diesel engines, measure the resistance between the PCM C1232b-47, circuit VDB05 (WH), harness side and the DLC C251-14, circuit VDB05 (WH), harness side.




- Are the resistances less than 5 ohms?

Yes
GO to T31.

No
REPAIR the circuit in question. CLEAR the DTCs. REPEAT the network test with the scan tool.

-------------------------------------------------
T8 CHECK THE HS-CAN CIRCUITS BETWEEN THE IC AND THE DLC FOR AN OPEN


- Disconnect: IC C220.
- Measure the resistance between the IC C220-7, circuit VDB04 (WH/BU), harness side and the DLC C251-6, circuit VDB04 (WH/BU), harness side.




- Measure the resistance between the IC C220-6, circuit VDB05 (WH), harness side and the DLC C251-14, circuit VDB05 (WH), harness side.




- Are the resistances less than 5 ohms?

Yes
GO to T36.

No
REPAIR the circuit in question. CLEAR the DTCs. REPEAT the network test with the scan tool.

-------------------------------------------------
T9 CHECK THE HS-CAN (+) AND HS-CAN (-) CIRCUITS FOR A SHORT TOGETHER


- Measure the resistance between the DLC C251-6, circuit VDB04 (WH/BU), harness side and the DLC C251-14, circuit VDB05 (WH), harness side.




- Is the resistance less than 5 ohms?

Yes
GO to T11.

No
GO to T10.

-------------------------------------------------
T10 CHECK THE HS-CAN CIRCUITS FOR AN OPEN AT THE DLC


- Measure the resistance between the DLC C251-6, circuit VDB04 (WH/BU), harness side and the DLC C251-14, circuit VDB05 (WH), harness side.




- Is the resistance greater than 10,000 ohms?

Yes
REPAIR the DLC or REPAIR the circuit in question. CONNECT the negative battery cable. CLEAR the DTCs. REPEAT the network test with the scan tool.

No
A capacitor internal to a module may still be draining causing irregular resistance readings. WAIT 5 minutes. REPEAT the pinpoint test.

-------------------------------------------------
T11 CHECK THE HS-CAN (+) AND HS-CAN (-) CIRCUITS FOR A SHORT TOGETHER WITH THE PCM DISCONNECTED


- Disconnect: PCM C175b (Gasoline Engine) or C1232b (Diesel Engine).
- Measure the resistance between the DLC C251-6, circuit VDB04 (WH/BU), harness side and the DLC C251-14, circuit VDB05 (WH), harness side.




- Is the resistance less than 5 ohms?

Yes
GO to T12.

No
CONNECT the negative battery cable. GO to T31.

-------------------------------------------------
T12 CHECK THE HS-CAN (+) AND HS-CAN (-) CIRCUITS FOR A SHORT TOGETHER WITH THE ABS MODULE DISCONNECTED


- Disconnect: ABS Module C135.
- Measure the resistance between the DLC C251-6, circuit VDB04 (WH/BU), harness side and the DLC C251-14, circuit VDB05 (WH), harness side.




- Is the resistance less than 5 ohms?

Yes
If the vehicle is equipped with a TBC module, GO to T13.

If the vehicle is not equipped with a TBC module, GO to T14.

No
CONNECT all modules. CONNECT the negative battery cable. GO to T32.

-------------------------------------------------
T13 CHECK THE HS-CAN (+) AND HS-CAN (-) CIRCUITS FOR A SHORT TOGETHER WITH THE TBC MODULE DISCONNECTED


- Disconnect: TBC Module C2142.
- Measure the resistance between the DLC C251-6, circuit VDB04 (WH/BU), harness side and the DLC C251-14, circuit VDB05 (WH), harness side.




- Is the resistance less than 5 ohms?

Yes
GO to T14.

No
CONNECT all modules. CONNECT the negative battery cable. GO to T33.

-------------------------------------------------
T14 CHECK THE HS-CAN (+) AND HS-CAN (-) CIRCUITS FOR A SHORT TOGETHER WITH THE RCM DISCONNECTED


- Disconnect: RCM C310b.
- Measure the resistance between the DLC C251-6, circuit VDB04 (WH/BU), harness side and the DLC C251-14, circuit VDB05 (WH), harness side.




- Is the resistance less than 5 ohms?

Yes
If the vehicle is equipped with an APIM, GO to T15.

If the vehicle is not equipped with an APIM, GO to T16.

No
CONNECT all modules. CONNECT the negative battery cable. GO to T34.

-------------------------------------------------
T15 CHECK THE HS-CAN (+) AND HS-CAN (-) CIRCUITS FOR A SHORT TOGETHER WITH THE APIM DISCONNECTED


- Disconnect: APIM C3342.
- Measure the resistance between the DLC C251-6, circuit VDB04 (WH/BU), harness side and the DLC C251-14, circuit VDB05 (WH), harness side.




- Is the resistance less than 5 ohms?

Yes
GO to T16.

No
CONNECT all modules. CONNECT the negative battery cable. GO to T35.

-------------------------------------------------
T16 CHECK THE HS-CAN (+) AND HS-CAN (-) CIRCUITS FOR A SHORT TOGETHER WITH THE IC DISCONNECTED


- Disconnect: IC C220.
- Measure the resistance between the DLC C251-6, circuit VDB04 (WH/BU), harness side and the DLC C251-14, circuit VDB05 (WH), harness side.




- Is the resistance less than 5 ohms?

Yes
If the vehicle is equipped with a diesel engine, GO to T17.

If the vehicle is not equipped with a diesel engine, REPAIR the circuits. CONNECT all modules. CLEAR the DTCs. REPEAT the network test with the scan tool.

No
CONNECT all modules. CONNECT the negative battery cable. GO to T36.

-------------------------------------------------
T17 CHECK THE HS-CAN (+) AND HS-CAN (-) CIRCUITS FOR A SHORT TOGETHER WITH THE EVRT ACTUATOR DISCONNECTED


- Disconnect: EVRT Actuator C1390.
- Measure the resistance between the DLC C251-6, circuit VDB04 (WH/BU), harness side and the DLC C251-14, circuit VDB05 (WH), harness side.




- Is the resistance less than 5 ohms?

Yes
If the vehicle is equipped with a TCM, GO to T18.

If the vehicle is not equipped with a TCM, GO to T19.

No
CONNECT all modules. CONNECT the negative battery cable. GO to T37.

-------------------------------------------------
T18 CHECK THE HS-CAN (+) AND HS-CAN (-) CIRCUITS FOR A SHORT TOGETHER WITH THE TCM DISCONNECTED


- Disconnect: TCM C1750.
- Measure the resistance between the DLC C251-6, circuit VDB04 (WH/BU), harness side and the DLC C251-14, circuit VDB05 (WH), harness side.




- Is the resistance less than 5 ohms?

Yes
GO to T19.

No
CONNECT all modules. CONNECT the negative battery cable. GO to T38.

-------------------------------------------------
T19 VERIFY VEHICLE OPTION CONTENT - AHCM


- Verify vehicle option content.
- Is the vehicle equipped with an AHCM?

Yes
GO to T20.

No
REPAIR the circuits. CONNECT all modules. CONNECT the negative battery cable. CLEAR the DTCs. REPEAT the network test with the scan tool.

-------------------------------------------------
T20 CHECK THE HS-CAN (+) AND HS-CAN (-) CIRCUITS FOR A SHORT TOGETHER WITH THE AHCM DISCONNECTED


- Disconnect: AHCM C2463c.
- Measure the resistance between the DLC C251-6, circuit VDB04 (WH/BU), harness side and the DLC C251-14, circuit VDB05 (WH), harness side.




- Is the resistance less than 5 ohms?

Yes
REPAIR the circuits. CONNECT all modules. CONNECT the negative battery cable. CLEAR the DTCs. REPEAT the network test with the scan tool.

No
CONNECT all modules. CONNECT the negative battery cable. GO to T39.

-------------------------------------------------
T21 CHECK THE HS-CAN (+) AND HS-CAN (-) CIRCUITS FOR A SHORT TO GROUND WITH THE PCM DISCONNECTED


- Disconnect: PCM C175b (Gasoline Engine) or C1232b (Diesel Engine).
- Measure the resistance between the DLC C251-6, circuit VDB04 (WH/BU), harness side and ground; and between the DLC C251-14, circuit VDB05 (WH), harness side and ground.




- Are the resistances greater than 5,000 ohms?

Yes
CONNECT the negative battery cable. GO to T31.

No
GO to T22.

-------------------------------------------------
T22 CHECK THE HS-CAN (+) AND HS-CAN (-) CIRCUITS FOR A SHORT TO GROUND WITH THE ABS MODULE DISCONNECTED


- Disconnect: ABS Module C135.
- Measure the resistance between the DLC C251-6, circuit VDB04 (WH/BU), harness side and ground; and between the DLC C251-14, circuit VDB05 (WH), harness side and ground.




- Are the resistances greater than 5,000 ohms?

Yes
CONNECT all modules. CONNECT the negative battery cable. GO to T32.

No
If the vehicle is equipped with a TBC module, GO to T23.

If the vehicle is not equipped with a TBC module, GO to T24.

-------------------------------------------------
T23 CHECK THE HS-CAN (+) AND HS-CAN (-) CIRCUITS FOR A SHORT TO GROUND WITH THE TBC MODULE DISCONNECTED


- Disconnect: TBC Module C2142.
- Measure the resistance between the DLC C251-6, circuit VDB04 (WH/BU), harness side and ground; and between the DLC C251-14, circuit VDB05 (WH), harness side and ground.




- Are the resistances greater than 5,000 ohms?

Yes
CONNECT all modules. CONNECT the negative battery cable. GO to T33.

No
GO to T24.

-------------------------------------------------
T24 CHECK THE HS-CAN (+) AND HS-CAN (-) CIRCUITS FOR A SHORT TO GROUND WITH THE RCM DISCONNECTED


- Disconnect: RCM C310b.
- Measure the resistance between the DLC C251-6, circuit VDB04 (WH/BU), harness side and ground; and between the DLC C251-14, circuit VDB05 (WH), harness side and ground.




- Are the resistances greater than 5,000 ohms?

Yes
CONNECT all modules. CONNECT the negative battery cable. GO to T34.

No
If the vehicle is equipped with an APIM, GO to T25.

If the vehicle is not equipped with an APIM, GO to T26.

-------------------------------------------------
T25 CHECK THE HS-CAN (+) AND HS-CAN (-) CIRCUITS FOR A SHORT TO GROUND WITH THE APIM DISCONNECTED


- Disconnect: APIM C3342.
- Measure the resistance between the DLC C251-6, circuit VDB04 (WH/BU), harness side and ground; and between the DLC C251-14, circuit VDB05 (WH), harness side and ground.




- Are the resistances greater than 5,000 ohms?

Yes
CONNECT all modules. CONNECT the negative battery cable. GO to T35.

No
GO to T26.

-------------------------------------------------
T26 CHECK THE HS-CAN (+) AND HS-CAN (-) CIRCUITS FOR A SHORT TO GROUND WITH THE IC DISCONNECTED


- Disconnect: IC C220.
- Measure the resistance between the DLC C251-6, circuit VDB04 (WH/BU), harness side and ground; and between the DLC C251-14, circuit VDB05 (WH), harness side and ground.




- Are the resistances greater than 5,000 ohms?

Yes
CONNECT all modules. CONNECT the negative battery cable. GO to T36.

No
If the vehicle is equipped with a diesel engine, GO to T27.

If the vehicle is not equipped with a diesel engine, REPAIR the circuits. CONNECT all modules. CLEAR the DTCs. REPEAT the network test with the scan tool.

-------------------------------------------------
T27 CHECK THE HS-CAN (+) AND HS-CAN (-) CIRCUITS FOR A SHORT TO GROUND WITH THE EVRT ACTUATOR DISCONNECTED


- Disconnect: EVRT Actuator C1390.
- Measure the resistance between the DLC C251-6, circuit VDB04 (WH/BU), harness side and ground; and between the DLC C251-14, circuit VDB05 (WH), harness side and ground.




- Are the resistances greater than 5,000 ohms?

Yes
CONNECT all modules. CONNECT the negative battery cable. GO to T37.

No
If the vehicle is equipped with a TCM, GO to T28.

If the vehicle is not equipped with a TCM, GO to T29.

-------------------------------------------------
T28 CHECK THE HS-CAN (+) AND HS-CAN (-) CIRCUITS FOR A SHORT TO GROUND WITH THE TCM DISCONNECTED


- Disconnect: TCM C1750.
- Measure the resistance between the DLC C251-6, circuit VDB04 (WH/BU), harness side and ground; and between the DLC C251-14, circuit VDB05 (WH), harness side and ground.




- Are the resistances greater than 5,000 ohms?

Yes
CONNECT all modules. CONNECT the negative battery cable. GO to T38.

No
GO to T29.

-------------------------------------------------
T29 VERIFY VEHICLE OPTION CONTENT - AHCM


- Verify vehicle option content.
- Is the vehicle equipped with an AHCM?

Yes
GO to T30.

No
REPAIR the circuits. CONNECT all modules. CONNECT the negative battery cable. CLEAR the DTCs. REPEAT the network test with the scan tool.

-------------------------------------------------
T30 CHECK THE HS-CAN (+) AND HS-CAN (-) CIRCUITS FOR A SHORT TO GROUND WITH THE AHCM DISCONNECTED


- Disconnect: AHCM C2463c.
- Measure the resistance between the DLC C251-6, circuit VDB04 (WH/BU), harness side and ground; and between the DLC C251-14, circuit VDB05 (WH), harness side and ground.




- Are the resistances greater than 5,000 ohms?

Yes
CONNECT all modules. CONNECT the negative battery cable. GO to T39.

No
REPAIR the circuits. CONNECT all modules. CONNECT the negative battery cable. CLEAR the DTCs. REPEAT the network test with the scan tool.

-------------------------------------------------
T31 CHECK FOR CORRECT PCM OPERATION


- Disconnect all the PCM connectors.
- Check for:
- corrosion
- damaged pins
- pushed-out pins
- Connect all the PCM connectors and make sure they seat correctly.
- Operate the system and verify the concern is still present.
- Is the concern still present?

Yes
INSTALL a new PCM. CLEAR the DTCs. REPEAT the network test with the scan tool.

No
The system is operating correctly at this time. The concern may have been caused by a loose or corroded connector. CLEAR the DTCs. REPEAT the network test with the scan tool.

-------------------------------------------------
T32 CHECK FOR CORRECT ABS MODULE OPERATION


- Disconnect the ABS module connector.
- Check for:
- corrosion
- damaged pins
- pushed-out pins
- Connect the ABS module connector and make sure it seats correctly.
- Operate the system and verify the concern is still present.
- Is the concern still present?

Yes
INSTALL a new ABS module. CLEAR the DTCs. REPEAT the network test with the scan tool.

No
The system is operating correctly at this time. The concern may have been caused by a loose or corroded connector. CLEAR the DTCs. REPEAT the network test with the scan tool.

-------------------------------------------------
T33 CHECK FOR CORRECT TBC MODULE OPERATION


- Disconnect the TBC module connector.
- Check for:
- corrosion
- damaged pins
- pushed-out pins
- Connect the TBC module connector and make sure it seats correctly.
- Operate the system and verify the concern is still present.
- Is the concern still present?

Yes
INSTALL a new TBC module. CLEAR the DTCs. REPEAT the network test with the scan tool.

No
The system is operating correctly at this time. The concern may have been caused by a loose or corroded connector. CLEAR the DTCs. REPEAT the network test with the scan tool.

-------------------------------------------------
T34 CHECK FOR CORRECT RCM OPERATION


- Disconnect all the RCM connectors.
- Check for:
- corrosion
- damaged pins
- pushed-out pins
- Connect all the RCM connectors and make sure they seat correctly.
- Verify the concern is still present.
- Is the concern still present?

Yes
INSTALL a new RCM. CLEAR the DTCs. REPEAT the network test with the scan tool.

No
The system is operating correctly at this time. The concern may have been caused by a loose or corroded connector. CLEAR the DTCs. REPEAT the network test with the scan tool.

-------------------------------------------------
T35 CHECK FOR CORRECT APIM OPERATION


- Disconnect the APIM connector.
- Check for:
- corrosion
- damaged pins
- pushed-out pins
- Connect the APIM connector and make sure it seats correctly.
- Verify the concern is still present.
- Is the concern still present?

Yes
INSTALL a new APIM. CLEAR the DTCs. REPEAT the network test with the scan tool.

No
The system is operating correctly at this time. The concern may have been caused by a loose or corroded connector. CLEAR the DTCs. REPEAT the network test with the scan tool.

-------------------------------------------------
T36 CHECK FOR CORRECT IC OPERATION


- Disconnect the IC connector.
- Check for:
- corrosion
- damaged pins
- pushed-out pins
- Connect the IC connector and make sure it seats correctly.
- Operate the system and verify the concern is still present.
- Is the concern still present?

Yes
INSTALL a new IC. CLEAR the DTCs. REPEAT the network test with the scan tool.

No
The system is operating correctly at this time. The concern may have been caused by a loose or corroded connector. CLEAR the DTCs. REPEAT the network test with the scan tool.

-------------------------------------------------
T37 CHECK FOR CORRECT EVRT ACTUATOR OPERATION


- Disconnect the EVRT actuator connector.
- Check for:
- corrosion
- damaged pins
- pushed-out pins
- Connect the EVRT actuator and make sure it seats correctly.
- Operate the system and verify the concern is still present.
- Is the concern still present?

Yes
INSTALL a new EVRT actuator. CLEAR the DTCs. REPEAT the network test with the scan tool.

No
The system is operating correctly at this time. The concern may have been caused by a loose or corroded connector. CLEAR the DTCs. REPEAT the network test with the scan tool.

-------------------------------------------------
T38 CHECK FOR CORRECT TCM OPERATION


- Disconnect the TCM connector.
- Check for:
- corrosion
- damaged pins
- pushed-out pins
- Connect the TCM and make sure it seats correctly.
- Operate the system and verify the concern is still present.
- Is the concern still present?

Yes
INSTALL a new TCM. CLEAR the DTCs. REPEAT the network test with the scan tool.

No
The system is operating correctly at this time. The concern may have been caused by a loose or corroded connector. CLEAR the DTCs. REPEAT the network test with the scan tool.

-------------------------------------------------
T39 CHECK FOR CORRECT AHCM OPERATION


- Disconnect all the AHCM connectors.
- Check for:
- corrosion
- damaged pins
- pushed-out pins
- Connect all the AHCM connectors and make sure they seat correctly.
- Operate the system and verify the concern is still present.
- Is the concern still present?

Yes
INSTALL a new AHCM. CLEAR the DTCs. REPEAT the network test with the scan tool.

No
The system is operating correctly at this time. The concern may have been caused by a loose or corroded connector. CLEAR the DTCs. REPEAT the network test with the scan tool.

-------------------------------------------------