Operation CHARM: Car repair manuals for everyone.
Manuals through 2025 now available!

Our trusted friends have launched a new website named LEMON, which has newer manuals. It also contains all the CHARM manuals.

LEMON is the spiritual successor to CHARM, I recommend you try it!

Link: lemon-manuals.la or lemon-manuals.org.ua

(Some people have issue connecting. LEMON is investigating. For now, use Firefox or change your DNS server)

Or, hide this message: temporarily or permanently

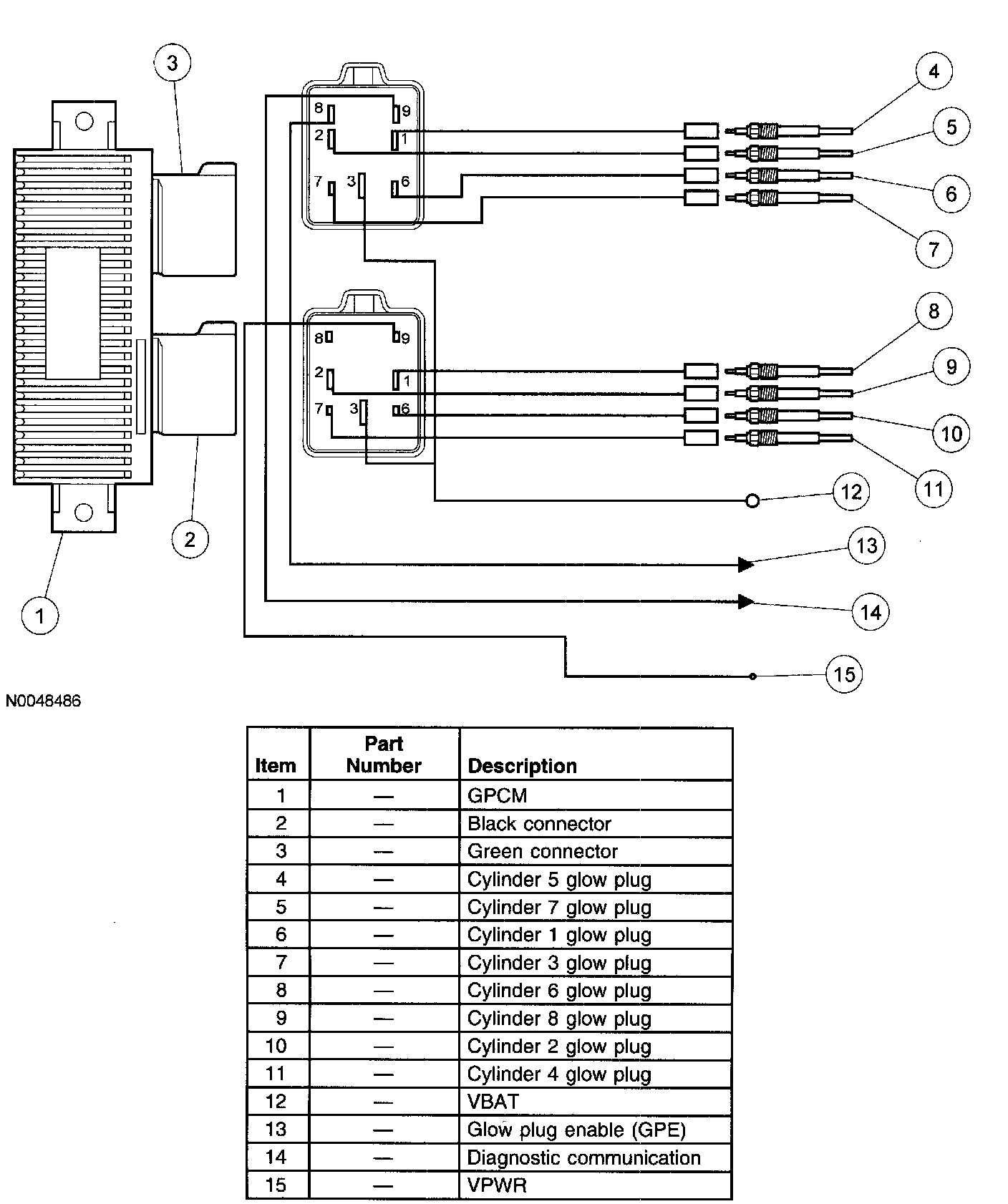
3. Glow Plug System Operation

3. GLOW PLUG SYSTEM OPERATION

NOTE: The wait to start indicator on time (1-10 seconds) is independent from glow plug on time.

Purpose:

The purpose of this test is to verify the glow plug system operation.

Glow Plug System Operation

- Glow Plug Control Module (GPCM) Operation
- Glow plug on time is dependent on engine oil temperature and altitude. The GPCM commands the glow plugs on for 1 to 120 seconds. The GPCM does not operate if the engine oil temperature is above 55°C (131°F).
- Connect the scan tool. Access and retrieve the KOEO and continuous DTCs. If GPCM DTCs are present, GO to Pinpoint Test AF. Test AF: Glow Plug System
- Verify B+ voltage is supplied to the GPCM.
- Access and monitor the GPLTM and ECT PIDS to verify sufficient glow plug ON time.
- Turn the ignition to the ON position and measure the glow plug voltage during the ON time.







- Glow Plug Resistance
- Disconnect the glow plug bus bar connector.
- Measure the resistance between the glow plug bus bar connector, component side and battery ground.
- Disconnect the GPCM.
- Measure the resistance between the GPCM connector, harness side and the glow plug bus bar connector, harness side.







Recommended Procedure:

NOTE:
- Check for poor connections or loose fitting pins.
- Incorrect measurements result if all glow plug connectors are not disconnected.

The glow plug monitor self-test is a KOER functional test of the glow plug system. The self-test is carried out on-demand with the engine running and the A/C off. The PCM activates the GPCM which monitors the glow plugs. The pedal may be used to increase the engine speed to increase voltage if needed. To detect a concern, the self-test requires a concern to be present at the time of testing.







Possible Causes:

- PCM power circuits
- Glow plugs
- Glow plug bus bar
- GPCM
- Circuitry

Tools Required:

- Digital Multimeter (DMM)
- Scan tool