Operation CHARM: Car repair manuals for everyone.
Manuals through 2025 now available!

Our trusted friends have launched a new website named LEMON, which has newer manuals. It also contains all the CHARM manuals.

LEMON is the spiritual successor to CHARM, I recommend you try it!

Link: lemon-manuals.la or lemon-manuals.org.ua

(Some people have issue connecting. LEMON is investigating. For now, use Firefox or change your DNS server)

Or, hide this message: temporarily or permanently

Pinpoint Test A: The Engine Does Not Crank




Starting System

Pinpoint Tests

Pinpoint Test A: The Engine Does Not Crank

Refer to Wiring Diagram Set 20, Starting System for schematic and connector information. Diagrams By Number

Normal Operation

Under normal operation, constant power is supplied to the starter motor relay on circuit SBB10 (YE/RD). When the ignition switch is turned in the START position and held, with the vehicle in PARK or NEUTRAL, power flows to the starter motor relay through CE336 (GN/WH). A ground is supplied through circuit CDC12 (YE) from the PCM causing the starter motor relay coil to energize and the relay contacts close. This allows power to be supplied from the starter motor relay contacts which then flows through circuit CDC25 (BN/GN) to the starter solenoid. The solenoid is grounded at the starter motor. Energizing the starter solenoid will engage the starter drive into the ring gear and closes the solenoid contacts, allowing power directly from the battery through circuit SDC02 (RD) to the starter motor to start the engine.

This pinpoint test is intended to diagnose the following:
- Battery
- Anti-theft system
- Starter relay
- Ignition switch
- Circuitry
- PCM
- Start diode



PINPOINT TEST A: THE ENGINE DOES NOT CRANK

-------------------------------------------------
A1 CHECK THE BATTERY


- Check the battery condition and state of charge. Refer to Diagnosis and Testing in Battery. Testing and Inspection
- Is the battery OK?

Yes
GO to A2.

No
CHARGE or INSTALL a new battery as necessary. TEST the system for normal operation.

-------------------------------------------------
A2 CHECK PCM FOR DTCs


- Using the DTCs retrieved in Inspection and Verification, check for PCM DTCs.
- Were any PCM DTCs retrieved?

Yes
If PCM DTC P1260 is retrieved, REFER to Antitheft and Alarm Systems. All other PCM DTCs, REFER to Computers and Control Systems Information.

No
GO to A3.

-------------------------------------------------
A3 CHECK THE AUTOMATIC TR SENSOR


- Enter the following diagnostic mode on the scan tool: DataLogger - PCM.
- While observing the TR sensor PID, place the vehicle in PARK and NEUTRAL.
- Does the PID match the gear selection?

Yes
GO to A4.

No
GO to the appropriate automatic transmission to diagnose the TR sensor.

-------------------------------------------------
A4 CHECK THE STARTER MOTOR CONTROL OUTPUT DETECTED (SMC_MON) PID


- Enter the following diagnostic mode on the scan tool: DataLogger - PCM.
- Monitor the SMC_MON PID with the ignition switch in the START position.
- Does the PID change from OFF to ON?

Yes
GO to A5.

No
GO to A12.

-------------------------------------------------
A5 CHECK THE STARTER MOTOR RELAY ENABLE (STRT_RLY) PID


- Enter the following diagnostic mode on the scan tool: DataLogger - PCM.
- Monitor the STRT_RLY PID with the ignition switch in the START position.
- Does the PID change from DISABLED to ENABLED?

Yes
GO to A6.

No
GO to A21.

-------------------------------------------------
A6 CHECK STARTER MOTOR RELAY POWER


NOTICE: Use the correct probe adapter(s) when making measurements. Failure to use the correct probe adapter(s) may damage the connector.

- Disconnect: Starter Motor Relay.
- Measure the voltage between Battery Junction Box (BJB) starter motor relay pin 30, circuit SBB10 (YE/RD), harness side and ground.




- Is the voltage greater than 10 volts?

Yes
GO to A7.

No
VERIFY BJB fuse 10 (30A) is OK. If OK, REPAIR circuit SBB10 (YE/RD). TEST the system for normal operation. If not OK, REFER to the Wiring Diagrams to identify the possible causes of the circuit short.

-------------------------------------------------
A7 CHECK THE BATTERY GROUND CABLE


- Measure the voltage between the positive battery post and the battery ground cable connection at the engine.




- Is the voltage greater than 10 volts?

Yes
GO to A8.

No
INSTALL a new battery ground cable. TEST the system for normal operation.

-------------------------------------------------
A8 CHECK THE STARTER MOTOR GROUND


- Measure the voltage between the positive battery post and the starter motor case.




- Is the voltage greater than 10 volts?

Yes
GO to A9.

No
CLEAN the starter motor mounting flange and make sure the starter motor is correctly mounted. TEST the system for normal operation.

-------------------------------------------------
A9 CHECK THE POWER SUPPLY TO THE STARTER MOTOR


- Measure the voltage between starter motor C197a, circuit SDC02 (RD) and ground.




- Is the voltage greater than 10 volts?

Yes
GO to A10.

No
INSTALL a new positive battery cable. TEST the system for normal operation.

-------------------------------------------------
A10 CHECK THE STARTER MOTOR B-PIN


- Connect one end of a fused jumper wire to starter motor solenoid 197a, circuit SDC02 (RD). Momentarily connect the other end of the jumper to starter motor C197b, circuit CDC25 (BN/GN).




- Did the starter motor engage and the engine crank?

Yes
GO to A11.

No
INSTALL a new starter motor. REFER to Starter Motor Service and Repair. TEST the system for normal operation.

-------------------------------------------------
A11 CHECK THE CIRCUIT TO THE STARTER MOTOR


- Ignition OFF.
- Disconnect: Starter Motor Relay.
- Disconnect: Starter Motor Solenoid C197b.
- Measure the resistance between starter motor solenoid S-terminal C197b, circuit CDC25 (BN/GN), harness side and the BJB starter motor relay pin 87, circuit CDC25 (BN/GN), harness side.




- Is the resistance less than 5 ohms?

Yes
INSTALL a new starter motor relay. TEST the system for normal operation.

No
REPAIR circuit CDC25 (BN/GN). TEST the system for normal operation.

-------------------------------------------------
A12 CHECK STARTER MOTOR RELAY POWER


NOTICE: Use the correct probe adapter(s) when making measurements. Failure to use the correct probe adapter(s) may damage the connector.

- Disconnect: Starter Motor Relay.
- Measure the voltage between BJB starter motor relay pin 30, circuit SBB10 (YE/RD), harness side and ground.




- Is the voltage greater than 10 volts?

Yes
GO to A13.

No
VERIFY BJB fuse 10 (30A) is OK. If OK, REPAIR circuit SBB10 (YE/RD). TEST the system for normal operation. If not OK, REFER to the Wiring Diagrams to identify the possible causes of the circuit short.

-------------------------------------------------
A13 CHECK THE STARTER MOTOR RELAY


- Carry out the Starter Motor Relay Component Test.

- Did the starter motor relay pass the component test?

Yes
GO to A14.

No
INSTALL a new starter motor relay. TEST the system for normal operation.

-------------------------------------------------
A14 CHECK THE START DIODE


- Disconnect: Start Diode.
- Check the start diode for an open or shorted condition.




- Is the start diode OK?

Yes
GO to A15.

No
INSTALL a new start diode. TEST the system for normal operation.

-------------------------------------------------
A15 CHECK THE START SIGNAL TO THE STARTER MOTOR RELAY


- Measure the voltage between the BJB starter motor relay pin 85, circuit CE336 (GN/WH), harness side and ground with the ignition switch in the START position.




- Is the voltage greater than 10 volts?

Yes
GO to A19.

No
GO to A16.

-------------------------------------------------
A16 CHECK CIRCUIT CE336 (GN/WH) FOR AN OPEN BETWEEN START DIODE AND STARTER RELAY


- Measure the resistance between the start diode, circuit CE336 (GN/WH), harness side and BJB starter motor relay pin 85, circuit CE336 (GN/WH), harness side.




- Is the resistance less than 5 ohms?

Yes
GO to A17.

No
REPAIR circuit CE336 (GN/WH) for an open. TEST the system for normal operation.

-------------------------------------------------
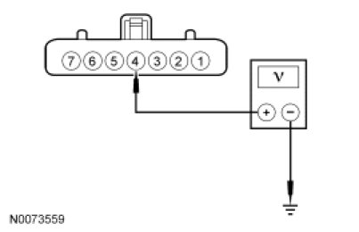
A17 CHECK CIRCUIT SBP27 (BU/RD) FOR VOLTAGE


- Disconnect: Ignition Switch C250.
- Measure the voltage between ignition switch C250-4, circuit SBP27 (BU/RD), harness side and ground.




- Is the voltage greater than 10 volts?

Yes
GO to A18.

No
VERIFY Smart Junction Box (SJB) fuse 27 (20A) is OK. If OK, REPAIR circuit SBP27 (BU/RD). TEST the system for normal operation. If not OK, REFER to the Wiring Diagrams to identify the possible causes of the circuit short.

-------------------------------------------------
A18 CHECK THE IGNITION SWITCH


- Carry out the Ignition Switch Component Test.

- Did the ignition switch pass the component test?

Yes
REPAIR circuit CDC35 (BU/WH) for an open. TEST the system for normal operation.

No
INSTALL a new ignition switch. TEST the system for normal operation.

-------------------------------------------------
A19 CHECK CIRCUIT CDC35 (BU/WH) FOR AN OPEN


- Connect: Starter Motor Relay.
- Disconnect: PCM C175b.
- Disconnect: Start Diode.
- Measure the resistance between the start diode cell, circuit CDC35 (BU/WH), harness side and PCM C175b-9, circuit CDC35 (BU/WH), harness side.




- Is the resistance less than 5 ohms?

Yes
GO to A20.

No
REPAIR circuit CDC35 (BU/WH) for an open. TEST the system for normal operation.

-------------------------------------------------
A20 CHECK THE CIRCUIT CE336 (GN/WH) BETWEEN THE BJB AND THE PCM


- Ignition OFF.
- Disconnect: PCM C175b.
- Measure the resistance between the BJB starter motor relay pin 85, circuit CE336 (GN/WH), harness side and PCM C175b-35, circuit CE336 (GN/WH), harness side.




- Is the resistance less than 5 ohms?

Yes
INSTALL a new PCM. TEST the system for normal operation.

No
REPAIR circuit CE336 (GN/WH). TEST the system for normal operation.

-------------------------------------------------
A21 CHECK STARTER MOTOR RELAY POWER


NOTICE: Use the correct probe adapter(s) when making measurements. Failure to use the correct probe adapter(s) may damage the connector.

- Disconnect: Starter Motor Relay.
- Measure the voltage between BJB starter motor relay pin 30, circuit SBB10 (YE/RD), harness side and ground.




- Is the voltage greater than 10 volts?

Yes
GO to A22.

No
VERIFY BJB fuse 10 (30A) is OK. If OK, REPAIR circuit SBB10 (YE/RD). TEST the system for normal operation. If not OK, REFER to the Wiring Diagrams to identify the possible causes of the circuit short.

-------------------------------------------------
A22 CHECK THE STARTER MOTOR RELAY


- Carry out the Starter Motor Relay Component Test.

- Did the starter motor relay pass the component test?

Yes
GO to A23.

No
INSTALL a new starter motor relay. TEST the system for normal operation.

-------------------------------------------------
A23 CHECK CIRCUIT CDC12 (YE) FOR AN OPEN


- Disconnect: PCM C175b.
- Measure the resistance between the BJB starter relay pin 86, circuit CDC12 (YE), harness side and PCM C175b-34, circuit CDC12 (YE), harness side.




- Is the resistance less than 5 ohms?

Yes
INSTALL a new PCM.

No
REPAIR circuit CDC12 (YE). TEST the system for normal operation.

-------------------------------------------------