Operation CHARM: Car repair manuals for everyone.
Manuals through 2025 now available!

Our trusted friends have launched a new website named LEMON, which has newer manuals. It also contains all the CHARM manuals.

LEMON is the spiritual successor to CHARM, I recommend you try it!

Link: lemon-manuals.la or lemon-manuals.org.ua

(Some people have issue connecting. LEMON is investigating. For now, use Firefox or change your DNS server)

Or, hide this message: temporarily or permanently

Pinpoint Test B: DTC P1572 or DTC P1703




Speed Control

Pinpoint Tests

Pinpoint Test B: DTC P1572 or DTC P1703

Refer to Wiring Diagrams Set 31, Speed Control for schematic and connector information. Diagrams By Number

Normal Operation

When the brake pedal is applied, voltage is sent to the PCM from the stoplamp switch through circuit CCB08 (VT/WH).

The speed control deactivator switch (part of the stoplamp switch) interrupts circuit CES09 (VT/OG), removing the voltage signal to the PCM when the brake pedal is applied firmly and passes the speed control deactivator switch point. This is a redundant signal to the PCM.

- DTC P1572 (Brake Pedal Switch Circuit) - sets when the PCM does not sense the correct sequence of the brake pedal input signal from both the speed control deactivator and stoplamp switches when the brake pedal is pressed and released.
- DTC P1703 (Brake Switch Out of Self-Test Range) - sets when there is an open or short in the deactivator switch circuits or when there is an open or short in the stoplamp circuits.

This pinpoint test is intended to diagnose the following:

- Wiring, terminals or connectors
- Speed control deactivator switch (part of the stoplamp switch)
- PCM



PINPOINT TEST B: DTC P1572 OR DTC P1703

NOTICE: Use the correct probe adapter(s) when making measurements. Failure to use the correct probe adapter(s) may damage the connector.

-------------------------------------------------
B1 CHECK FOR ABS MODULE DTCs


- Review the recorded DTCs from the ABS module self-test.
- Are any DTCs recorded?

Yes
REFER to Antilock Brakes / Traction Control Systems. REPAIR all ABS module DTCs and RETEST the speed control. Testing and Inspection

No
GO to B2.

-------------------------------------------------
B2 CHECK THE OPERATION OF THE STOPLAMPS


- Ignition ON.
- Operate the stoplamps.
- Do the stoplamps and high mounted stoplamp operate correctly?

Yes
GO to B3.

No
REFER to Brake Lamp to continue diagnosis of the stoplamps. Testing and Inspection

-------------------------------------------------
B3 CHECK THE STOPLAMP SWITCH (BOO1 AND BOO2) PIDs


- Enter the following diagnostic mode on the scan tool: PCM DataLogger.
- Monitor the PCM PIDs BOO1 (brake pedal top travel) and BOO2 (brake pedal bottom travel) while applying and releasing the brake pedal as follows:





- Do the PID values agree with the brake pedal positions?

Yes
GO to B8.

No
For an incorrect BOO1 PID value, GO to B4.

For an incorrect BOO2 PID value, GO to B5.

-------------------------------------------------
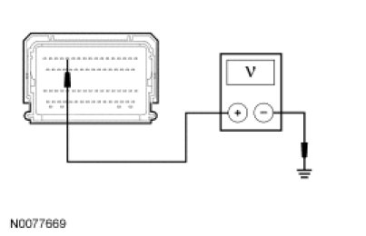
B4 CHECK THE STOPLAMP SWITCH CIRCUIT FOR AN OPEN


- Ignition OFF.
- Disconnect: PCM C175b.
- Ignition ON.
- While applying the brake pedal, measure the voltage between the PCM C175b-13, circuit CCB08 (VT/WH), harness side and ground.




- Is the voltage greater than 10 volts with the brake pedal applied?

Yes
GO to B7.

No
REPAIR the circuit. CLEAR the DTCs. TEST the system for normal operation.

-------------------------------------------------
B5 CHECK THE SPEED CONTROL DEACTIVATOR SWITCH VOLTAGE SUPPLY CIRCUIT


- Ignition OFF.
- Disconnect: Stoplamp Switch C278.
- Ignition ON.
- Measure the voltage between the stoplamp switch C278-2, circuit CBB26 (BU/WH), harness side and ground.




- Is the voltage greater than 10 volts?

Yes
GO to B6.

No
REPAIR the circuit for an open. CLEAR the DTCs. TEST the system for normal operation.

-------------------------------------------------
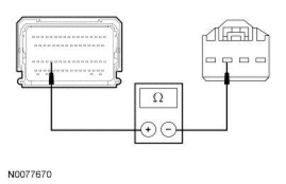
B6 CHECK THE STOPLAMP SWITCH


- While pressing the brake pedal firmly and releasing it, measure the resistance between the stoplamp switch pin 2, component side and the stoplamp switch pin 3, component side.




- Is the resistance less than 5 ohms with the brake pedal released and greater than 10,000 ohms with the brake pedal applied firmly?

Yes
GO to B6.

No
INSTALL a new stoplamp switch. CLEAR the DTCs. TEST the system for normal operation.

-------------------------------------------------
B7 CHECK THE SPEED CONTROL DEACTIVATOR SWITCH INPUT TO THE PCM FOR AN OPEN


- Ignition OFF.
- Measure the resistance between the PCM C175b-46, circuit CES09 (VT/OG), harness side and the stoplamp switch C278-3, circuit CES09 (VT/OG), harness side.




- Is the resistance less than 5 ohms?

Yes
GO to B8.

No
REPAIR the circuit for an open. CLEAR the DTCs. TEST the system for normal operation.

-------------------------------------------------
B8 CHECK FOR CORRECT PCM OPERATION


- Connect: All Disconnected Connectors.
- Disconnect all the PCM connectors.
- Check for:
- corrosion
- damaged pins
- pushed-out pins
- Connect all the PCM connectors and make sure they seat correctly.
- Operate the system and verify the concern is still present.
- Is the concern still present?

Yes
INSTALL a new PCM. TEST the system for normal operation.

No
The system is operating correctly at this time. The concern may have been caused by a loose or corroded connector.

-------------------------------------------------