Operation CHARM: Car repair manuals for everyone.
Manuals through 2025 now available!

Our trusted friends have launched a new website named LEMON, which has newer manuals. It also contains all the CHARM manuals.

LEMON is the spiritual successor to CHARM, I recommend you try it!

Link: lemon-manuals.la or lemon-manuals.org.ua

(Some people have issue connecting. LEMON is investigating. For now, use Firefox or change your DNS server)

Or, hide this message: temporarily or permanently

Pinpoint Test F: Incorrect/Erratic Direction of Airflow From Outlets




Climate Control System

Pinpoint Tests

Pinpoint Test F: Incorrect/Erratic Direction of Airflow From Outlets

Refer to Wiring Diagrams Set 54, Climate Control System for schematic and connector information. Diagrams By Number

Normal Operation

Under normal operation, to rotate the mode door actuator clockwise, the HVAC supplies voltage to the defrost/panel/floor mode door actuator motor through the circuit CH228 (YE/GY), and supplies ground through circuit CH229 (WH/BU). To rotate the mode door actuator counterclockwise, the HVAC module reverses the voltage and ground circuits.

The mode door actuator feedback resistor is supplied a ground from the HVAC module through circuit RH111 (GY/BU) and a 5-volt reference voltage on circuit LH111 (BN/WH). The HVAC module reads the voltage on the mode door actuator feedback circuit VH436 (YE/VT) to determine the mode door actuator position by the position of the actuator feedback resistor wiper arm.

B12A4-B298B:





This pinpoint test is intended to diagnose the following:
- Wiring, terminals or connectors
- Mode door actuator
- HVAC module
- Stuck or damaged linkage or door



PINPOINT TEST F: INCORRECT/ERRATIC DIRECTION OF AIRFLOW FROM OUTLETS

-------------------------------------------------
F1 CHECK THE HVAC MODULE FOR DTCs


- Ignition ON.
- Check the HVAC module for DTCs.
- Are DTCs present?

Yes
For DTC B12A7, INSPECT for binding/damaged linkage or door. REPAIR as necessary. If no condition is found, INSTALL a new floor/defrost/panel door actuator. CLEAR the DTCs. REPEAT the self-test. TEST the system for normal operation.

For DTC B12A4, GO to F2.

For DTC B298A, GO to F3.

For DTC B298B, GO to F4.

For DTC B12A5, GO to F6.

For DTC B12A6, GO to F10.

No
INSPECT for broken actuator drive shaft, cam or door. REPAIR as necessary. If no condition is found, GO to F13.

-------------------------------------------------
F2 CHECK THE ACTUATOR MOTOR DRIVE CIRCUITS FOR A SHORT TO POWER


- Ignition OFF.
- Disconnect: HVAC Module C2357a.
- Disconnect: Defrost/Panel/Floor Door Actuator C2278.
- Ignition ON.
- Measure the voltage between ground and:
- HVAC module C2357a-19, circuit CH228 (YE/GY), harness side.
- HVAC module C2357a-20, circuit CH229 (WH/BU), harness side.




- Is any voltage present?

Yes
REPAIR the circuit CH228 (YE/GY) or CH229 (WH/BU) for a short to power. TEST the system for normal operation.

No
GO to F5.

-------------------------------------------------
F3 CHECK THE ACTUATOR MOTOR DRIVE CIRCUITS FOR AN OPEN


- Ignition OFF.
- Disconnect: HVAC Module C2357a.
- Disconnect: Defrost/Panel/Floor Door Actuator C2278.
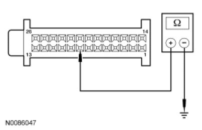
- Measure the resistance between HVAC module C2357a-19, circuit CH228 (YE/GY), harness side and defrost/panel/floor door actuator C2278-6, circuit CH228 (YE/GY), harness side.




- Measure the resistance between HVAC module C2357a-20, circuit CH229 (WH/BU), harness side and defrost/panel/floor door actuator C2278-5, circuit CH229 (WH/BU).




- Are the resistances less than 5 ohms?

Yes
GO to F13.

No
REPAIR the circuit CH228 (YE/GY) or CH229 (WH/BU) for an open. TEST the system for normal operation.

-------------------------------------------------
F4 CHECK THE ACTUATOR MOTOR DRIVE CIRCUITS FOR A SHORT TO GROUND


- Ignition OFF.
- Disconnect: HVAC Module C2357a.
- Disconnect: Defrost/Panel/Floor Door Actuator C2278.
- Measure the resistance between ground and:
- HVAC module C2357a-19, circuit CH228 (YE/GY), harness side.
- HVAC module C2357a-20, circuit CH229 (WH/BU), harness side.




- Are the resistances greater than 10,000 ohms?

Yes
GO to F5.

No
REPAIR the circuit CH228 (YE/GY) or CH229 (WH/BU) for a short to ground. TEST the system for normal operation.

-------------------------------------------------
F5 CHECK THE ACTUATOR MOTOR DRIVE CIRCUITS FOR A SHORT TOGETHER


- Ignition OFF.
- Measure the resistance between HVAC module C2357a-19, circuit CH228 (YE/GY), harness side and HVAC module C2357a-20, circuit CH229 (WH/BU), harness side.




- Is the resistance greater than 10,000 ohms?

Yes
GO to F13.

No
REPAIR circuits CH228 (YE/GY) and CH229 (WH/BU) for a short together. TEST the system for normal operation.

-------------------------------------------------
F6 CHECK CIRCUIT VH436 (YE/VT) FOR AN OPEN


- Ignition OFF.
- Disconnect: HVAC Module C2357a.
- Disconnect: Defrost/Panel/Floor Door Actuator C2278.
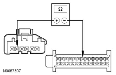
- Measure the resistance between HVAC module C2357a-8, circuit VH436 (YE/VT), harness side and defrost/panel/floor door actuator C2278-2, circuit VH436 (YE/VT), harness side.




- Is the resistance less than 5 ohms?

Yes
CARRY OUT the Defrost/Panel/Floor Door actuator component test. If the actuator tests OK, GO to F7. Defrost/Panel/Floor Door Actuator

No
REPAIR circuit VH436 (YE/VT) for an open. TEST the system for normal operation.

-------------------------------------------------
F7 CHECK CIRCUIT VH436 (YE/VT) FOR A SHORT TO POWER


- Ignition ON.
- Measure the voltage between ground and HVAC module C2357a-8, circuit VH436 (YE/VT), harness side.




- Is any voltage present?

Yes
REPAIR circuit VH436 (YE/VT) for a short to power. TEST the system for normal operation.

No
GO to F8.

-------------------------------------------------
F8 CHECK CIRCUITS LH111 (BN/WH) AND VH436 (YE/VT) FOR A SHORT TOGETHER


- Ignition OFF.
- Measure the resistance between HVAC module C2357a-11, circuit LH111 (BN/WH), harness side and HVAC module C2357a-8, circuit VH436 (YE/VT), harness side.




- Is the resistance greater than 10,000 ohms?

Yes
GO to F9.

No
REPAIR circuits LH111 (BN/WH) and VH436 (YE/VT) for a short together. TEST the system for normal operation.

-------------------------------------------------
F9 CHECK THE ACTUATOR RETURN CIRCUIT RH111 (GY/BU) FOR AN OPEN


- Measure the resistance between HVAC module C2357a-10, circuit RH111 (GY/BU), harness side and defrost/panel/floor door actuator C2278-1, circuit RH111 (GY/BU), harness side.




- Is the resistance less than 5 ohms?

Yes
GO to F13.

No
REPAIR circuit RH111 (GY/BU) for an open. TEST the system for normal operation.

-------------------------------------------------
F10 CHECK CIRCUIT VH436 (YE/VT) FOR A SHORT TO GROUND


- Ignition OFF.
- Disconnect: HVAC Module C2357a.
- Disconnect: Defrost/Panel/Floor Door Actuator C2278.
- Measure the resistance between ground and HVAC module C2357a-8, circuit VH436 (YE/VT), harness side.




- Are the resistances greater than 10,000 ohms?

Yes
GO to F11.

No
REPAIR circuit VH436 (YE/VT) for a short to ground. TEST the system for normal operation.

-------------------------------------------------
F11 CHECK CIRCUITS RH111 (GY/BU) AND VH436 (YE/VT) FOR A SHORT TOGETHER


- Measure the resistance between HVAC module C2357a-10, circuit RH111 (GY/BU), harness side and HVAC module C2357a-8, circuit VH436 (YE/VT), harness side.




- Is the resistance greater than 10,000 ohms?

Yes
GO to F12.

No
REPAIR circuits RH111 (GY/BU) and VH436 (YE/VT) for a short together. TEST the system for normal operation.

-------------------------------------------------
F12 CHECK CIRCUIT LH111 (BN/WH) FOR AN OPEN


- Measure the resistance between HVAC module C2357a-11, circuit LH111 (BN/WH), harness side and defrost/panel/floor door actuator C2278-3, circuit LH111 (BN/WH), harness side.




- Is the resistance less than 5 ohms?

Yes
GO to F13.

No
REPAIR circuit LH111 (BN/WH) for an open. TEST the system for normal operation.

-------------------------------------------------
F13 CHECK THE ACTUATOR CONNECTION


- Disconnect the actuator connector.
- Check for:
- corrosion.
- pushed-out connectors.
- incorrectly seated connector.
- Connect and correctly seat the actuator connector.
- Carry out the HVAC Module Cold Boot Process. HVAC Module Cold Boot Process
- Operate the system.
- Does the concern return?

Yes
CARRY OUT the Defrost/Panel/Floor Door Actuator component test. If the actuator tests OK, GO to F14. Defrost/Panel/Floor Door Actuator

No
The system is operating correctly at this time. The concern may have been caused by a loose or corroded connector. CLEAR the DTCs. TEST the system for normal operation.

-------------------------------------------------
F14 CHECK THE MODULE CONNECTION


- Carry out the HVAC Module Cold Boot Process. HVAC Module Cold Boot Process
- Operate the system.
- Does the concern return?

Yes
INSTALL a new HVAC module. TEST the system for normal operation.

No
The system is operating correctly at this time. The concern may have been caused by a loose or corroded connector. CLEAR the DTCs. REPEAT the self-test. TEST the system for normal operation.

-------------------------------------------------