Operation CHARM: Car repair manuals for everyone.
Manuals through 2025 now available!

Our trusted friends have launched a new website named LEMON, which has newer manuals. It also contains all the CHARM manuals.

LEMON is the spiritual successor to CHARM, I recommend you try it!

Link: lemon-manuals.la or lemon-manuals.org.ua

(Some people have issue connecting. LEMON is investigating. For now, use Firefox or change your DNS server)

Or, hide this message: temporarily or permanently

Pinpoint Test D: The Occupant Classification System Module (OCSM) Does Not Respond To The Scan Tool




Communications Network

Pinpoint Tests

Pinpoint Test D: The Occupant Classification System Module (OCSM) Does Not Respond To The Scan Tool

Refer to Wiring Diagrams Set 14, Module Communications Network for schematic and connector information. Diagrams By Number

Refer to Wiring Diagrams Set 46, Supplemental Restraint System for schematic and connector information. Diagrams By Number

Normal Operation

The Occupant Classification System Module (OCSM) communicates with the scan tool through the High Speed Controller Area Network (HS-CAN). Circuits VDB04 (WH/BU) (HS-CAN +) and VDB05 (WH) (HS-CAN -) provide the HS-CAN connection to the OCSM. Voltage for the OCSM is provided by circuit CBX02 (BN/RD). Circuit GD109 (BK) provides ground.

This pinpoint test is intended to diagnose the following:

- Fuse
- Wiring, terminals or connectors
- OCSM



PINPOINT TEST D: THE OCSM DOES NOT RESPOND TO THE SCAN TOOL

NOTICE: Use the correct probe adapter(s) when making measurements. Failure to use the correct probe adapter(s) may damage the connector.

NOTE: Failure to disconnect the battery when instructed will result in false resistance readings. Refer to Battery.

-------------------------------------------------
D1 CHECK THE OCSM VOLTAGE SUPPLY CIRCUIT FOR AN OPEN


- Ignition OFF.
- Disconnect: OCSM C3285.
- Ignition ON.
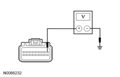
- Measure the voltage between the OCSM C3285-1, circuit CBX02 (BN/RD), harness side and ground.




- Is the voltage greater than 10 volts?

Yes
GO to D2.

No
VERIFY the Smart Junction Box (SJB) fuse 46 (7.5A) is OK. If OK, REPAIR the circuit in question. If not OK, REFER to the Wiring Diagrams to identify the possible causes of the circuit short. CLEAR the DTCs. REPEAT the network test with the scan tool.

-------------------------------------------------
D2 CHECK THE OCSM GROUND CIRCUIT FOR AN OPEN


- Ignition OFF.
- Disconnect: Negative Battery Cable.
- Measure the resistance between the OCSM C3285-14, circuit GD901 (BK), harness side and ground.




- Is the resistance less than 5 ohms?

Yes
GO to D3.

No
REPAIR the circuit. CONNECT the negative battery cable. CLEAR the DTCs. REPEAT the network test with the scan tool.

-------------------------------------------------
D3 CHECK THE HS-CAN CIRCUITS BETWEEN THE OCSM AND THE
DLC FOR AN OPEN



- Measure the resistance between the OCSM C3285-18, circuit VDB04 (WH/BU), harness side and the DLC C251-6, circuit VDB04 (WH/BU), harness side.




- Measure the resistance between the OCSM C3285-9, circuit VDB05 (WH), harness side and the DLC C251-14, circuit VDB05 (WH), harness side.




- Are the resistances less than 5 ohms?

Yes
CONNECT the negative battery cable. GO to D4.

No
REPAIR the circuit in question. CONNECT the negative battery cable. CLEAR the DTCs. REPEAT the network test with the scan tool.

-------------------------------------------------
D4 CHECK FOR CORRECT OCSM OPERATION


- Disconnect the OCSM connector.
- Check for:
- corrosion
- damaged pins
- pushed-out pins
- Connect the OCSM connector and make sure it seats correctly.
- Operate the system and verify the concern is still present.
- Is the concern still present?

Yes
INSTALL a new OCSM. CLEAR the DTCs. REPEAT the network test with the scan tool.

No
The system is operating correctly at this time. The concern may have been caused by a loose or corroded connector. CLEAR the DTCs. REPEAT the network test with the scan tool.

-------------------------------------------------