Operation CHARM: Car repair manuals for everyone.
Manuals through 2025 now available!

Our trusted friends have launched a new website named LEMON, which has newer manuals. It also contains all the CHARM manuals.

LEMON is the spiritual successor to CHARM, I recommend you try it!

Link: lemon-manuals.la or lemon-manuals.org.ua

(Some people have issue connecting. LEMON is investigating. For now, use Firefox or change your DNS server)

Or, hide this message: temporarily or permanently

Pinpoint Test H: The Front Display Interface Module (FDIM) Does Not Respond To The Scan Tool




Communications Network

Pinpoint Tests

Pinpoint Test H: The Front Display Interface Module (FDIM) Does Not Respond To The Scan Tool

Refer to Wiring Diagrams Set 14, Module Communications Network for schematic and connector information. Diagrams By Number

Refer to Wiring Diagrams Set 130, Audio System for schematic and connector information. Diagrams By Number

Normal Operation

The Front Display Interface Module (FDIM) communicates with the scan tool through the Medium Speed Controller Area Network (MS-CAN). Circuits VDB06 (GY/OG) (MS-CAN +) and VDB07 (VT/OG) (MS-CAN -) provide the network connection to the FDIM. Voltage to the FDIM is provided by circuit SBP39 (WH/RD). Ground is provided by circuit GD134 (BK/VT).

This pinpoint test is intended to diagnose the following:

- Fuse
- Wiring, terminals or connectors
- FDIM



PINPOINT TEST H: THE FDIM DOES NOT RESPOND TO THE SCAN TOOL

NOTICE: Use the correct probe adapter(s) when making measurements. Failure to use the correct probe adapter(s) may damage the connector.

NOTE: Failure to disconnect the battery when instructed will result in false resistance readings. Refer to Battery.

-------------------------------------------------
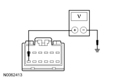
H1 CHECK THE FDIM VOLTAGE SUPPLY CIRCUIT FOR AN OPEN


- Ignition OFF.
- Disconnect: FDIM C2123.
- Ignition ON.
- Measure the voltage between the FDIM C2123-12, circuit SBP39 (WH/RD), harness side and ground.




- Is the voltage greater than 10 volts?

Yes
GO to H2.

No
VERIFY the SJB fuse 39 (20A) is OK. If OK, REPAIR the circuit. If not OK, REFER to the Wiring Diagrams to identify the possible causes of the circuit short. CLEAR the
DTCs. REPEAT the network test with the scan tool.

-------------------------------------------------
H2 CHECK THE FDIM GROUND CIRCUIT FOR AN OPEN


- Ignition OFF.
- Disconnect: Negative Battery Cable.
- Measure the resistance between the FDIM C2123-8, circuit GD134 (BK/VT), harness side and ground.




- Is the resistance less than 5 ohms?

Yes
GO to H3.

No
REPAIR the circuit. CONNECT the negative battery cable. CLEAR the DTCs. REPEAT the network test with the scan tool.

-------------------------------------------------
H3 CHECK THE MS-CAN CIRCUITS BETWEEN THE FDIM AND THE
DLC FOR AN OPEN



- Measure the resistance between the FDIM C2123-4, circuit VDB06 (GY/OG), harness side and the Data Link Connector (DLC) C251-3, circuit VDB06 (GY/OG), harness side.




- Measure the resistance between the FDIM C2123-5, circuit VDB07 (VT/OG), harness side and the DLC C251-11, circuit VDB07 (VT/OG), harness side.




- Are the resistances less than 5 ohms?

Yes
CONNECT the negative battery cable. GO to H4.

No
REPAIR the circuit in question. CONNECT the negative battery cable. CLEAR the DTCs. REPEAT the network test with the scan tool.

-------------------------------------------------
H4 CHECK FOR CORRECT FDIM OPERATION


- Disconnect the FDIM connector.
- Check for:
- corrosion
- damaged pins
- pushed-out pins
- Connect the FDIM connector and make sure it seats correctly.
- Operate the system and verify the concern is still present.
- Is the concern still present?

Yes
INSTALL a new FDIM. CLEAR the DTCs. REPEAT the network test with the scan tool.

No
The system is operating correctly at this time. The concern may have been caused by a loose or corroded connector. CLEAR the DTCs. REPEAT the network test with the scan tool.

-------------------------------------------------