Operation CHARM: Car repair manuals for everyone.
Manuals through 2025 now available!

Our trusted friends have launched a new website named LEMON, which has newer manuals. It also contains all the CHARM manuals.

LEMON is the spiritual successor to CHARM, I recommend you try it!

Link: lemon-manuals.la or lemon-manuals.org.ua

(Some people have issue connecting. LEMON is investigating. For now, use Firefox or change your DNS server)

Or, hide this message: temporarily or permanently

Electronic Engine Controls




Engine Emission Control

NOTE: Do not permanently remove or render inoperative any part of the vehicle emission control system including related hardware. Failure to comply may violate applicable state and federal laws.

The engine emission control system consists of the:

- EGR system.
- PCV system.


EGR System

The EGR system returns a small amount of exhaust gas into the intake manifold. This reduces the overall combustion temperature. Cooler combustion temperatures provide a significant reduction of the Nitrogen Oxides (NOX) in the exhaust emissions.

The engine incorporates a stepper motor-controlled EGR valve which receives its signal from the PCM. Engine coolant is used to cool the EGR valve. The EGR valve and stepper motor are serviced as an assembly.

The amount of recirculated exhaust gas depends on:

- engine rpm.
- intake manifold vacuum.
- exhaust backpressure.
- Engine Coolant Temperature (ECT).
- Throttle Position (TP).


PCV System

The PCV system uses intake manifold vacuum to ventilate blow-by vapors and evaporated oil from the crankcase and returns them to the intake manifold for combustion. The PCV valve varies the amount of blow-by vapors and evaporated oil returned to the intake manifold based on available engine vacuum.


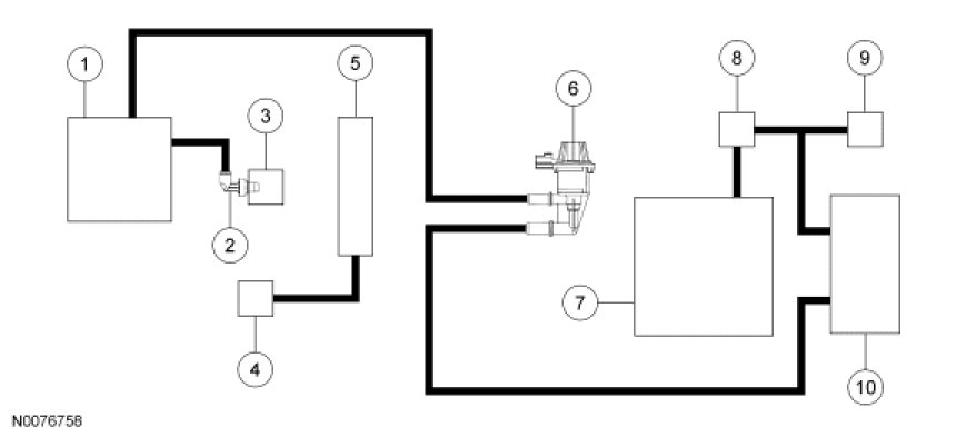
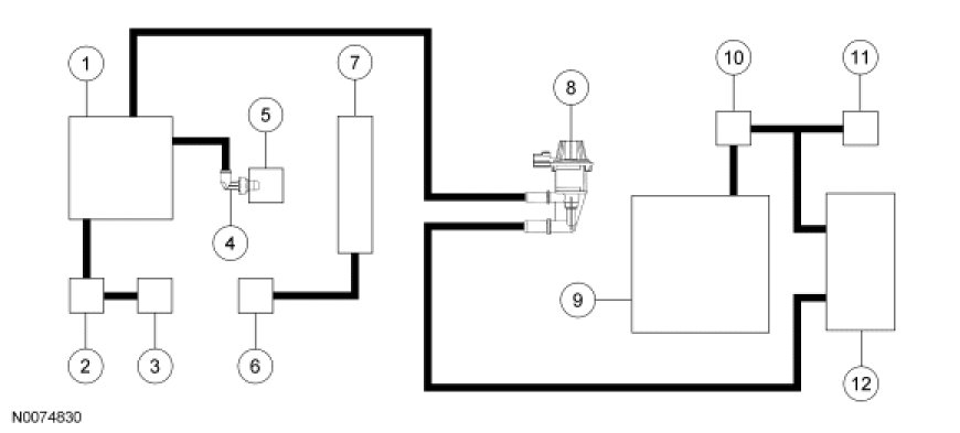
Vehicle Emission Vacuum Routing

Partial Zero Emissions Vehicle (PZEV)










Non PZEV