Operation CHARM: Car repair manuals for everyone.
Manuals through 2025 now available!

Our trusted friends have launched a new website named LEMON, which has newer manuals. It also contains all the CHARM manuals.

LEMON is the spiritual successor to CHARM, I recommend you try it!

Link: lemon-manuals.la or lemon-manuals.org.ua

(Some people have issue connecting. LEMON is investigating. For now, use Firefox or change your DNS server)

Or, hide this message: temporarily or permanently

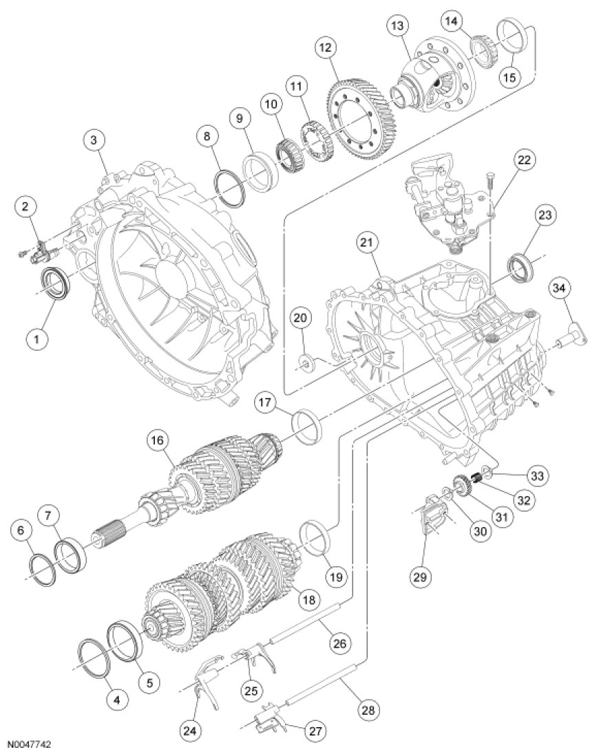
Assembly




MTX75

Transaxle





















Assembly

1. Apply lubricant throughout the assembly procedure. Lubricate all bearings, gears and synchronizers with the recommended transmission lubricant.

2. Attach the transmission case to the Transmission Holding Fixture.

3. Apply sealer to the reverse gear idler shaft plate mating face. Install the reverse gear idler shaft plate and the 3 reverse gear idler shaft plate bolts.
- Tighten to 24 Nm (18 lb-ft).

4. Install the reverse gear idler shaft.

5. NOTE: If new output shaft bearings were installed, install new output shaft bearing cups. Always install new bearings and cups in sets.

NOTE: Use a Heat Gun on the case bearing cup area to aid installation.

Using the Shaft Bearing Cup Installer with Handle, install the output shaft bearing cup in the case (transmission side).





6. NOTE: If new input shaft bearings were installed, install new input shaft bearing cups. Always install new bearings and cups in sets.

NOTE: Use a Heat Gun on the case bearing cup area to aid installation.

Using a suitable driver, install the input shaft bearing cup in the case (transmission side).





7. NOTE: If new differential bearings were installed, install new differential bearing cups. Always install new bearings and cups in sets.

NOTE: Use a Heat Gun on the case bearing cup area to aid installation.

Using a suitable driver, install the differential bearing cup in the case (transmission side).





8. NOTE: If new input shaft bearings were installed, install new input shaft bearing cups. Always install new bearings and cups in sets.

NOTE: Use a Heat Gun on the case bearing cup area to aid installation.

Install a 1.00 mm (0.03 in) shim. Using a suitable driver, install the input shaft bearing cup in the case (clutch side).





9. NOTE: If new output shaft bearings were installed, install new output shaft bearing cups. Always install new bearings and cups in sets.

NOTE: Use a Heat Gun on the case bearing cup area to aid installation.

Install a 1.00 mm (0.03 in) shim. Using a suitable driver, install the output shaft bearing cup in the case (clutch side).





10. NOTE: If new differential bearings were installed, install new differential bearing cups. Always install new bearings and cups in sets.

NOTE: Use a Heat Gun on the case bearing cup area to aid installation.

Install a 1.10 mm (0.04 in) shim. Using a suitable driver, install the differential bearing cup in the case (clutch side).





11. Engage the 4th gear synchronizer on the input shaft.





12. Assemble the input and output shafts together and put them in the transaxle case as an assembly.





13. Install the differential assembly.





14. NOTE: Do not apply sealer at this time.

Position the housing and install the 16 transaxle housing bolts uniformly.

- Tighten to 32 Nm (24 lb-ft).





15. Using the Input Shaft Socket, rotate the input shaft to seat the bearings.





16. Install the Dial Indicator Gauge with Holding Fixture to measure input shaft end play. Make sure the dial indicator is off center on the end of the input shaft. Zero the dial indicator.





17. Measure the input shaft end play using the Dial Indicator Gauge with Holding Fixture.

1. Using a lever, lift up on the input shaft.

2. Observe and record the dial indicator reading.

- Carry out the measurement 3 times and calculate the average measurement. Example: 0.22 mm (0.008 in) + 0.23 mm (0.009 in) + 0.21 mm (0.008 in) divided by 3 = 0.22 mm (0.008 in).





18. Install the holding fixture to the transaxle then install the Dial Indicator Gauge Holding Fixture to measure output shaft end play. Position the Dial Indicator Gauge with Holding Fixture on the 4th gear. Zero the dial indicator.





19. Measure the output shaft end play.
- Using a lever, lift up on the output shaft. Note the resulting measurement, for example, 0.32 mm (0.012 in).

- Carry out the measurement 3 times and calculate the average measurement. Observe and record the dial indicator reading. Example: 0.32 mm (0.012 in) + 0.34 mm (0.013 in) + 0.33 mm (0.012 in) divided by 3 = 0.33 mm (0.012 in).





20. Install the Input Shaft Socket and Dial Indicator Gauge with Holding Fixture. Prepare the differential for measuring.
- Rotate the output shaft and at the same time press downward. Set up the special tool and set it to zero. Carry out the measurement 3 times and calculate the average measurement.





21. Using the Valve Spring Compressor and the Shim Selection Set, measure the differential end play. Observe and record the dial indicator reading.





22. Using the measurements, select the appropriate shims for the differential, input shaft and the output shaft. For additional information, refer to Specifications.

23. NOTE: Use a Heat Gun on the case bearing cup area to aid removal.

Remove the output shaft bearing cup, the input shaft bearing cup, the differential bearing cup and the shims (clutch side).

24. NOTE: Use a Heat Gun on the case bearing cup area to aid installation.

Install the appropriate shims and the bearing cups.

1. Install the appropriate shims.

2. Install the bearing cups.





25. Apply a light coat of petroleum jelly, then install the lower thrust washer. The tab on the washer faces downward.





26. Install the reverse idler gear and the upper thrust washer. Do not install the bearing at this time. Install the gear with the oil grooves facing downward.





27. NOTE: Position the 4th gear selector ring into the neutral position.

Push the reverse idler gear away from the output shaft bearing cup. Install the input shaft and the output shaft as an assembly. Position both shafts into the bearing cups and align with the reverse idler gear.





28. Install the reverse idler gear needle bearing.





29. Install the reverse idler gear retainer.





30. Install the shift forks.

1. Install the 5th/reverse gear selector fork and position it to the side.

2. Install the 3rd/4th gear selector fork.

3. Install the 1st/2nd gear selector fork.





31. Install the shift rails. When installed, the selector rods are the same height.





32. Install the differential assembly.





33. Install the magnetic disc.





34. Install the reverse idler gear retainer bolts.
- Tighten to 34 Nm (25 lb-ft).





35. Clean the mating surfaces of the selector mechanism and the transaxle case. Apply a bead of sealant to the sealing surface of the transaxle case. Install the selector mechanism and the 6 selector mechanism bolts.
- Tighten to 23 Nm (17 lb-ft).





36. Clean the mating surfaces of the transaxle main case. Apply a bead of sealant to the sealing surface on the transaxle case. Install the transaxle housing.





37. NOTE: The transaxle housing must not be turned over to tighten the bolts.

NOTE: Do not wait longer than 10 minutes to tighten the bolts due to the rapid cure time of the sealant.

Install the 16 transaxle housing bolts.

- Tighten to 32 Nm (24 lb-ft).





38. Install the Vehicle Speed Sensor (VSS).
- Tighten to 10 Nm (89 lb-in).





39. Using the Differential Oil Seal Installer and Adapter Handle, install new differential oil seals.





40. NOTICE: Brake fluid is harmful to painted and plastic surfaces. If brake fluid is spilled on a painted or plastic surface, wash the affected area immediately with cold water.

NOTICE: Using suitable adhesive tape, cover the input shaft splines to prevent damage to the input shaft oil seal.

NOTE: Do not apply grease on any area of the clutch slave cylinder.

Install a new clutch slave cylinder with a new seal. Install the 3 clutch slave cylinder bolts.
- Make sure the seal is correctly installed or it may cause starter failure.

- Tighten bolts to 10 Nm (89 lb-in).