Operation CHARM: Car repair manuals for everyone.
Manuals through 2025 now available!

Our trusted friends have launched a new website named LEMON, which has newer manuals. It also contains all the CHARM manuals.

LEMON is the spiritual successor to CHARM, I recommend you try it!

Link: lemon-manuals.la or lemon-manuals.org.ua

(Some people have issue connecting. LEMON is investigating. For now, use Firefox or change your DNS server)

Or, hide this message: temporarily or permanently

Pinpoint Test A: All Power Windows are Inoperative




Glass, Frames and Mechanisms

Pinpoint Tests

Pinpoint Test A: All Power Windows are Inoperative

Refer to Wiring Diagram Set 100, Power Windows for schematic and connector information. Diagrams By Number

Normal Operation

The Smart Junction Box (SJB) activates the accessory delay relay by grounding the coil side of the relay. The accessory delay relay then provides voltage to the SJB circuit breaker 47 (30A), which in turn provides voltage to circuit SBP47 (WH/RD) to the LH window control switch. The LH front window control switch is grounded through circuit GD133 (BK).

This pinpoint test is intended to diagnose the following:
- Circuit breaker
- Wiring, terminals or connectors
- Accessory delay relay
- LH front window control switch
- SJB



PINPOINT TEST A: ALL POWER WINDOWS ARE INOPERATIVE

-------------------------------------------------
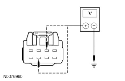
A1 CHECK VOLTAGE TO THE LH FRONT WINDOW CONTROL SWITCH - CIRCUIT SBP47 (WH/RD)


- Ignition OFF.
- Disconnect: LH Front Window Control Switch C504a.
- Ignition ON.
- Measure the voltage between LH front window control switch C504a-7 (coupe) or C504a-2 (sedan), circuit SBP47 (WH/RD), harness side and ground.




- Is the voltage greater than 10 volts?

Yes
GO to A2.

No
INSPECT SJB circuit breaker 47 (30A). If OK, GO to A3.

-------------------------------------------------
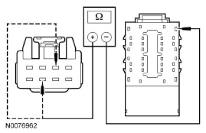
A2 CHECK GROUND TO THE LH FRONT WINDOW CONTROL SWITCH - CIRCUIT GD33 (BK)


- Ignition OFF.
- Disconnect: LH Front Window Control Switch C504b (sedan only).
- Measure the resistance between LH front window control switch C504a-2 (coupe) or C504b-7, circuit GD133 (BK), harness side and ground.




- Is the resistance less than 5 ohms?

Yes
INSTALL a new LH front window control switch. REFER to Window Control Switch Service and Repair. TEST the system for normal operation.

No
REPAIR the circuit. TEST the system for normal operation.

-------------------------------------------------
A3 CHECK CIRCUIT SBP47 (WH/RD) FOR AN OPEN


- Ignition OFF.
- Disconnect: SJB C2280d.
- Measure the resistance between LH front window control switch C504a-7 (coupe) or C504a-2 (sedan), circuit SBP47 (WH/RD), harness side and SJB C2280d-32, circuit SBP47 (WH/RD), harness side.




- Is the resistance less than 5 ohms?

Yes
Go To Pinpoint Test I. Pinpoint Test I: The Delayed Accessory Is Inoperative/Does Not Operate Correctly

No
REPAIR the circuit. TEST the system for normal operation.

-------------------------------------------------