Operation CHARM: Car repair manuals for everyone.
Manuals through 2025 now available!

Our trusted friends have launched a new website named LEMON, which has newer manuals. It also contains all the CHARM manuals.

LEMON is the spiritual successor to CHARM, I recommend you try it!

Link: lemon-manuals.la or lemon-manuals.org.ua

(Some people have issue connecting. LEMON is investigating. For now, use Firefox or change your DNS server)

Or, hide this message: temporarily or permanently

Pinpoint Test H: The Delayed Accessory Does Not Turn Off




Glass, Frames and Mechanisms

Pinpoint Tests

Pinpoint Test H: The Delayed Accessory Does Not Turn Off

Refer to Wiring Diagram Set 100, Power Windows for schematic and connector information. Diagrams By Number

Normal Operation

The accessory delay relay receives voltage at all times from the Smart Junction Box (SJB). The SJB controls the coil side ground of the accessory delay relay and activates the accessory delay relay when the ignition switch is in the ON position. The accessory delay relay remains active for an additional 10 minutes when the ignition switch is in the OFF position or until the driver door is opened. The accessory delay relay provides voltage to the door lock switches, power windows and roof opening panel (if equipped).

- DTC B1304 - Accessory delay relay coil circuit short to battery, short to ground on output.

This pinpoint test is intended to diagnose the following:
- Accessory delay relay
- SJB



PINPOINT TEST H: THE DELAYED ACCESSORY DOES NOT TURN OFF

-------------------------------------------------
H1 CHECK FOR STUCK/STICKING ACCESSORY DELAY RELAY


- Disconnect: Accessory Delay Relay.
- Are any delayed accessory features still operative?

Yes
GO to H3.

No
GO to H2.

-------------------------------------------------
H2 CHECK THE ACCESSORY DELAY RELAY


- Carry out the accessory delay relay component test.

- Did the accessory delay relay pass the component test.

Yes
GO to H4.

No
INSTALL a new accessory delay relay. CLEAR all DTCs. TEST the system for normal operation.

-------------------------------------------------
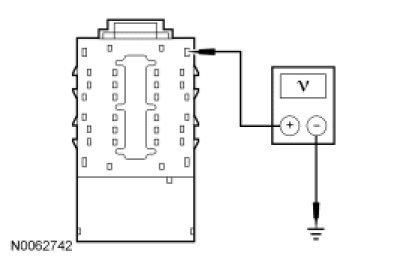
H3 CHECK CIRCUIT SBP47 (WH/RD) FOR A SHORT TO POWER


- Ignition OFF.
- Disconnect: SJB C2280d.
- Ignition ON.
- Measure the voltage between SJB C2280d-32, circuit CBP47 (GN/BU), harness side and ground.




- Is any voltage present?

Yes
REPAIR the circuit. CLEAR all DTCs. TEST the system for normal operation.

No
GO to H4.

-------------------------------------------------
H4 CHECK FOR CORRECT SJB OPERATION


- Disconnect all the SJB connectors.
- Check for:
- corrosion.
- pushed-out pins.
- Connect all the SJB connectors and make sure they seat correctly.
- Operate the system and verify the concern is still present.
- Is the concern still present?

Yes
INSTALL a new SJB. TEST the system for normal operation.

No
The system is operating correctly at this time. The concern may have been caused by a loose or corroded connector. CLEAR all DTCs. TEST the system for normal operation.

-------------------------------------------------