Operation CHARM: Car repair manuals for everyone.
Manuals through 2025 now available!

Our trusted friends have launched a new website named LEMON, which has newer manuals. It also contains all the CHARM manuals.

LEMON is the spiritual successor to CHARM, I recommend you try it!

Link: lemon-manuals.la or lemon-manuals.org.ua

(Some people have issue connecting. LEMON is investigating. For now, use Firefox or change your DNS server)

Or, hide this message: temporarily or permanently

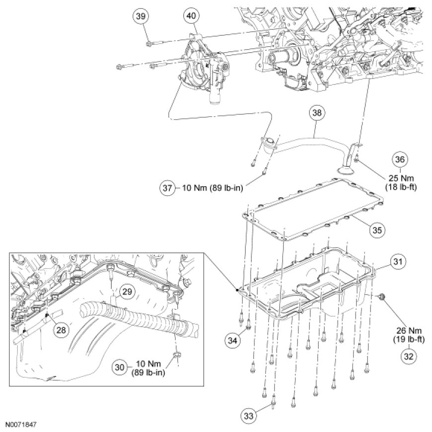
Engine Lubrication Components - Exploded View




Engine Lubrication Components - Exploded View



Engine Subframe and Engine Insulators











Intermediate Shaft, LH Support Insulator and Engine Oil Filter











Oil Filter Adapter, Coolant Hoses and Oil Cooler











Wiring Harness Retainers, Oil Pump, Oil Pump Screen and Pickup Tube and Oil Pan









1. For additional information, refer to the procedures.