Lighting Control Module (LCM)
Lighting Control Module (LCM)
Pinpoint Tests
Pinpoint Test C: DTC B1676
Refer to Wiring Diagram Set 13, Power Distribution/SJB for schematic and connector information. Diagrams By Number
Normal Operation
The Lighting Control Module (LCM) monitors the voltage from the battery to determine if it goes above or below specific thresholds and sets DTC B1676 in continuous memory and on-demand if the LCM detects battery voltage out of range for at least 2 minutes on circuit 221.
- DTC B1676 (Battery Pack Voltage Out Of Range) - a continuous memory or an on-demand DTC that sets when the LCM detects battery voltage out of range for at least 2 minutes. A minimum of (+/-) 24 seconds must elapse before this DTC is recorded. Battery voltage is out of range if it is less than 8.5 volts (+/- 1.0V) or greater than 17 volts (+/-1.5V).
This pinpoint test is intended to diagnose the following:
- Charging system concern
- LCM
PINPOINT TEST C: DTC B1676
NOTICE: Use the correct probe adapter(s) when making measurements. Failure to use the correct probe adapter(s) may damage the connector.
NOTE: DTC B1676 may be stored in the module memory due to previous battery charging or vehicle jump starting events.
NOTE: Failure to disconnect the battery when instructed will result in false resistance readings. Refer to Battery.
-------------------------------------------------
C1 CHECK FOR CHARGING SYSTEM DTCs SET IN OTHER MODULES
- Ignition ON.
- Enter the following diagnostic mode on the scan tool: (All CMDTCs) Self-Test.
- Retrieve the continuous memory DTCs from all modules.
- Are charging system DTCs set in more than one module?
Yes
REFER to Charging System to diagnose an overcharging condition.
No
GO to C2.
-------------------------------------------------
C2 CHECK THE BATTERY VOLTAGE
- Turn off all interior/exterior lights and accessories.
- Start and run the engine at approximately 2,000 rpm for 3 minutes while monitoring the battery voltage.
- Does the battery voltage rise to 15.5 volts or higher?
Yes
REFER to Charging System to diagnose an overcharging condition.
No
GO to C3.
-------------------------------------------------
C3 CHECK THE BATTERY CONDITION AND STATE OF CHARGE
- Ignition OFF.
- Check the battery condition and verify the battery is fully charged. Refer to Battery.
- Is the battery OK and fully charged?
Yes
GO to C4.
No
REFER to Charging System.
-------------------------------------------------
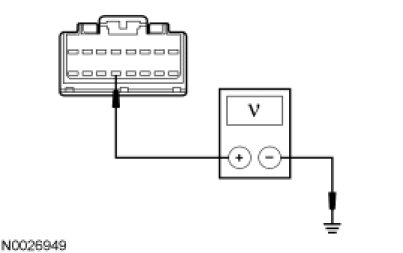
C4 CHECK THE LCM VOLTAGE SUPPLY
- Disconnect: LCM C2145a.
- Ignition ON.
- Measure the voltage between the LCM C2154a-13, circuit 221 (OG/WH), harness side and ground.
- Is the voltage within 0.2 volt of the recorded battery voltage?
Yes
GO to C5.
No
VERIFY the Central Junction Box (CJB) fuse 6 (7.5A) is OK. If OK, REPAIR the circuit. CLEAR the DTCs. REPEAT the self-test. If not OK, REFER to the Wiring Diagrams to identify the possible causes of the circuit short. Diagrams By Number
-------------------------------------------------
C5 CHECK THE LCM GROUND CIRCUITS FOR CONTINUITY
- Ignition OFF.
- Disconnect: LCM C2145c.
- Disconnect: Negative Battery Cable.
- Measure the resistance between the LCM C2154a-11, circuit 676 (PK/OG), harness side and ground; and between the LCM C2154c-7, circuit 676 (PK/OG), harness side and ground.
- Are the resistances less than 5 ohms?
Yes
CONNECT the negative battery cable. GO to C6.
No
REPAIR the circuit in question. CONNECT the negative battery cable. CLEAR the DTCs. REPEAT the self-test.
-------------------------------------------------
C6 CHECK FOR CORRECT LCM OPERATION
- Disconnect all the LCM connectors.
- Check for:
- corrosion
- damaged pins
- pushed-out pins
- Connect all the LCM connectors and make sure they seat correctly.
- Operate the system and verify the concern is still present.
- Is the concern still present?
Yes
INSTALL a new LCM. REFER to Lighting Control Module (LCM) Lighting Control Module (LCM). TEST the system for normal operation.
No
The system is operating correctly at this time. The concern may have been caused by a loose or corroded connector.
-------------------------------------------------