Operation CHARM: Car repair manuals for everyone.
Manuals through 2025 now available!

Our trusted friends have launched a new website named LEMON, which has newer manuals. It also contains all the CHARM manuals.

LEMON is the spiritual successor to CHARM, I recommend you try it!

Link: lemon-manuals.la or lemon-manuals.org.ua

(Some people have issue connecting. LEMON is investigating. For now, use Firefox or change your DNS server)

Or, hide this message: temporarily or permanently

Electronic Brake Control Module: Service and Repair




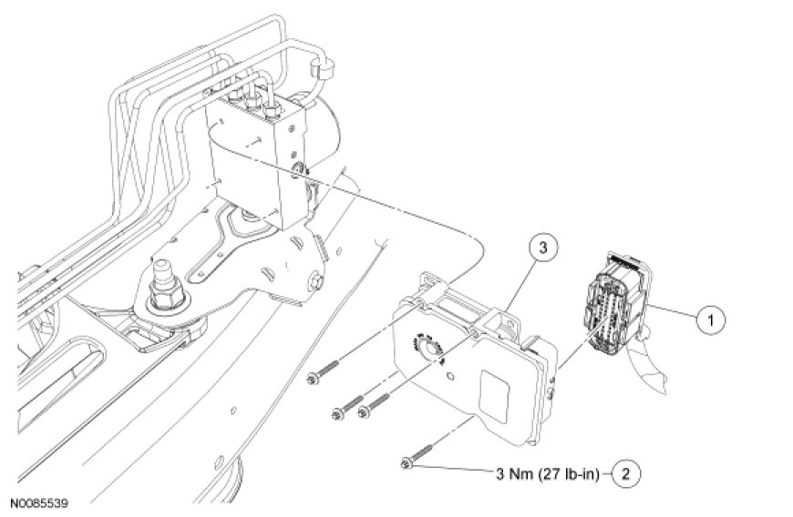
Anti-Lock Brake System (ABS) Module









Removal and Installation

1. Remove the Air Cleaner (ACL). For additional information, refer to Fuel Delivery and Air Induction.

2. Disconnect the ABS module electrical connector.

3. NOTICE: Care must be taken when removing the module from the Hydraulic Control Unit (HCU) or damage to the component may occur.

Remove the 4 screws and the ABS module.

- To install, tighten to 3 Nm (27 lb-in).

4. NOTE: Make sure that the ABS module-to-Hydraulic Control Unit (HCU) gasket surfaces are clean and that the gasket is correctly installed.

To install, reverse the removal procedure.