Operation CHARM: Car repair manuals for everyone.
Manuals through 2025 now available!

Our trusted friends have launched a new website named LEMON, which has newer manuals. It also contains all the CHARM manuals.

LEMON is the spiritual successor to CHARM, I recommend you try it!

Link: lemon-manuals.la or lemon-manuals.org.ua

(Some people have issue connecting. LEMON is investigating. For now, use Firefox or change your DNS server)

Or, hide this message: temporarily or permanently

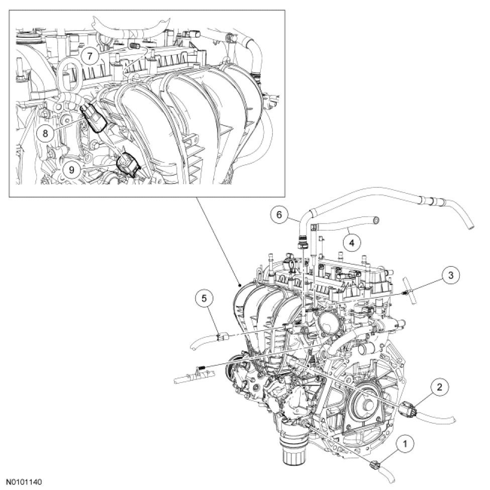
Intake Manifold: Service and Repair




Intake Manifold

Intake Manifold (View 1 of 2)









Intake Manifold (View 2 of 2)









Removal and Installation

1. With vehicle in NEUTRAL, position it on a hoist. For additional information, refer to Vehicle Jacking and Lifting.

2. Remove the fuel rail. For additional information, refer to Fuel Delivery and Air Induction.

3. Remove the cooling fan motor and shroud. For additional information, refer to Cooling System.

4. Remove the Throttle Body (TB). For additional information, refer to Fuel Delivery and Air Induction.

5. Remove the accessory drive belt tensioner. For additional information, refer to Drive Belts, Mounts, Brackets and Accessories.

6. Disconnect the Engine Oil Pressure (EOP) switch electrical connector.

7. Disconnect the Manifold Absolute Pressure (MAP) sensor electrical connector.

8. Disconnect the Evaporative Emission (EVAP) canister purge valve electrical connector.

9. Disconnect the EVAP tube-to- EVAP canister purge valve quick connect coupling and the brake booster vacuum tube from the intake manifold.

10. Disconnect the Knock Sensor (KS) electrical connector and detach the 2 pin-type retainers.





11. Detach the 2 wiring retainers from the intake manifold near the TB mounting area.

12. Detach the engine wiring harness retainer from the intake manifold.

13. Remove the 3 electric A/C compressor bolts and position aside.
- To install, tighten to 25 Nm (18 lb-ft).


14. NOTE: The cylinder head side of the intake manifold is showing the location of the 7 bolts.

Remove the 7 bolts and position the intake manifold aside to access the PCV hose connector.

- To install, tighten to 18 Nm (159 lb-in).





15. Squeeze the 2 PCV hose connector tabs and disconnect the PCV hose from the intake manifold.





16. Remove the intake manifold and gaskets.

17. NOTICE: If the engine is repaired or replaced because of upper engine failure, typically including valve or piston damage, check the intake manifold for metal debris. If metal debris is found, install a new intake manifold. Failure to follow these instructions can result in engine damage.

To install, reverse the removal procedure.

- Inspect and install new intake manifold gaskets if necessary.