Operation CHARM
: Car repair manuals for everyone.
Home
>>
Ford
>>
2010
>>
Explorer 2WD V6-4.0L
>>
Repair and Diagnosis
>>
Engine, Cooling and Exhaust
>>
Engine
>>
Cylinder Head Assembly
>>
Rocker Arm Assembly
>>
Service and Repair
>>
Removal and Replacement
>>
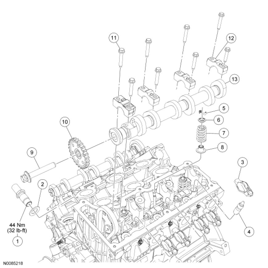
Valve Train Components - Exploded View
Manuals through 2025 now available!
Our trusted friends have launched a new website named LEMON, which has newer manuals. It also contains all the CHARM manuals.
LEMON is the spiritual successor to CHARM, I recommend you try it!
Link:
lemon-manuals.la
or
lemon-manuals.org.ua
(Some people have issue connecting. LEMON is investigating. For now, use Firefox or change your DNS server)
Or, hide this message:
temporarily
or
permanently
Valve Train Components - Exploded View
Valve Train Components - Exploded View
Accessory Drive Belt and Wiring Harness Bracket
A/C Compressor and Power Steering Pump Bracket
Valve Train Components - RH
Valve Train Components - LH